LEMON Manuals: Even more car manuals for everyone
Home >> Buick >> 2014 >> Enclave Leather >> Repair and Diagnosis >> Accessories & Equipment >> Drivers Assistance Systems - ADAS >> Object Detection System And Pedestrian Protection System >> Schematic Wiring Diagrams >> Object Detection Wiring Schematics >> Rear Vision Camera (UVC)

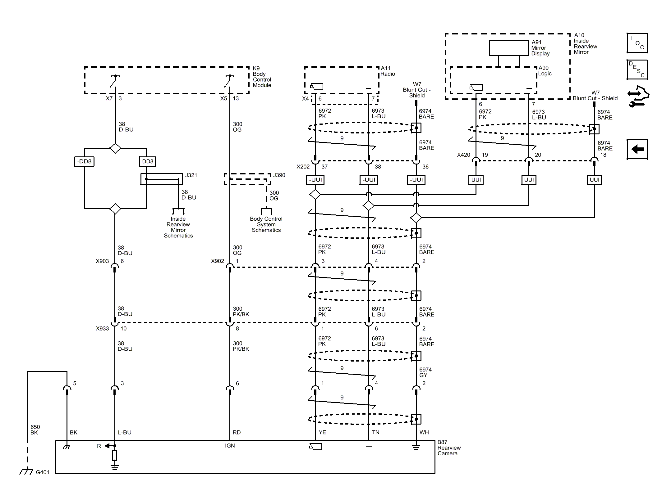
Rear Vision Camera (UVC)

Fig 1: Rear Vision Camera (UVC) Wiring Schematics
GM3329427Courtesy of GENERAL MOTORS COMPANY