LEMON Manuals: Even more car manuals for everyone
Home >> Buick >> 2013 >> Verano Premium, Automatic Trans >> Repair and Diagnosis >> External Pages >> Different car >> Section 194 (Object Detection System - Park Assist System) >> Schematic Wiring Diagrams >> Object Detection Wiring Schematics >> UD7 Wiring Schematics

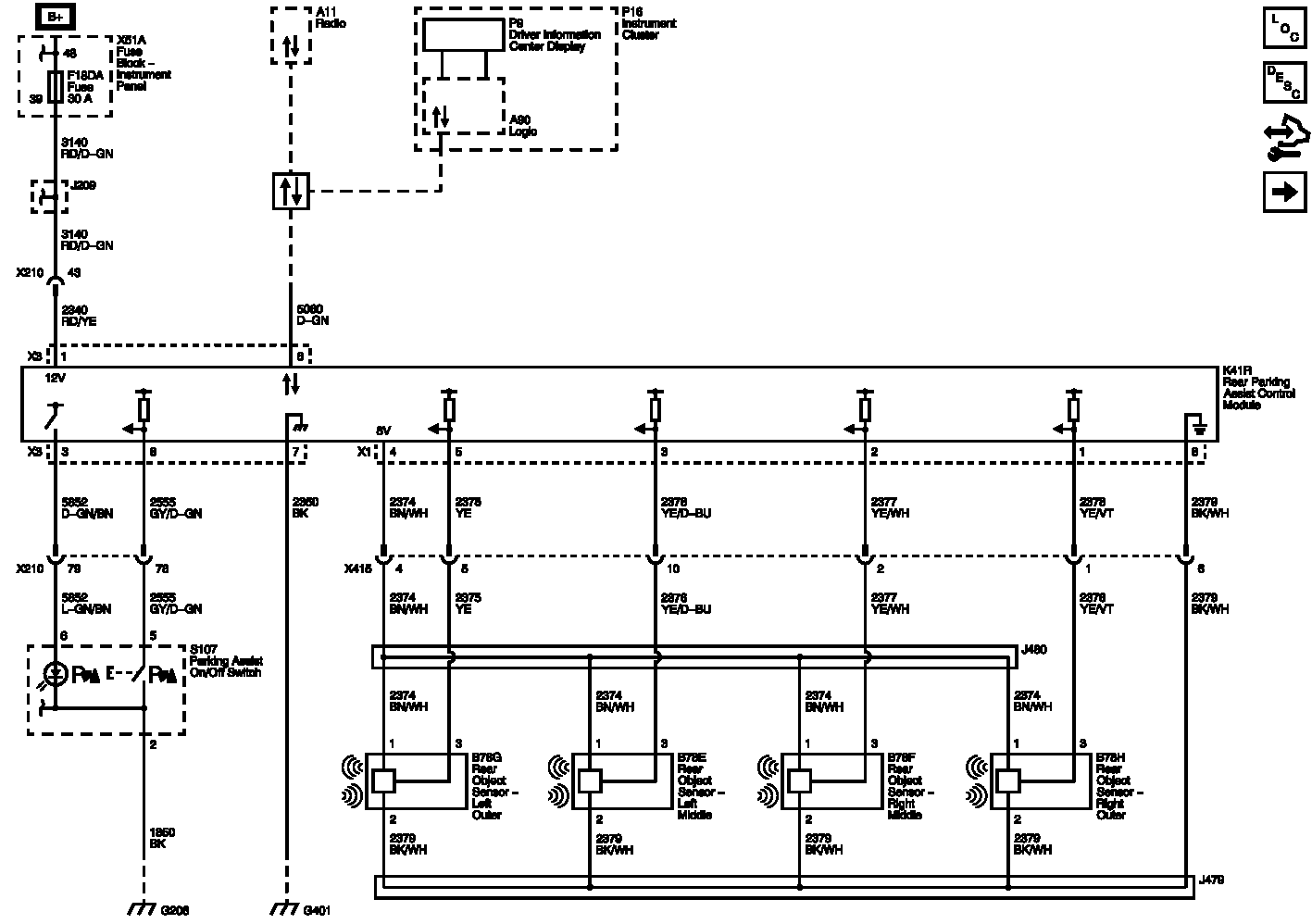
UD7 Wiring Schematics

WARNING: This page is about a different car, the 2012 Buick Regal. However, it is still accessible from the selected car via links, so may be relevant.
Fig 1: UD7 Wiring Schematic
GM2611896Courtesy of GENERAL MOTORS COMPANY


Fig 1: UD7 Wiring Schematic
GM2611896Courtesy of GENERAL MOTORS COMPANY


Fig 1: UD7 Wiring Schematic
GM2611896Courtesy of GENERAL MOTORS COMPANY