LEMON Manuals: Even more car manuals for everyone
Home >> Buick >> 2013 >> Verano Premium, Automatic Trans >> Repair and Diagnosis >> External Pages >> Different car >> Section 161 (Keyless Entry System And Remote Functions) >> Schematic Wiring Diagrams >> Remote Function Wiring Schematics >> Passive Entry and Passive Start Antennas (ATH with BTM) Wiring Schematics

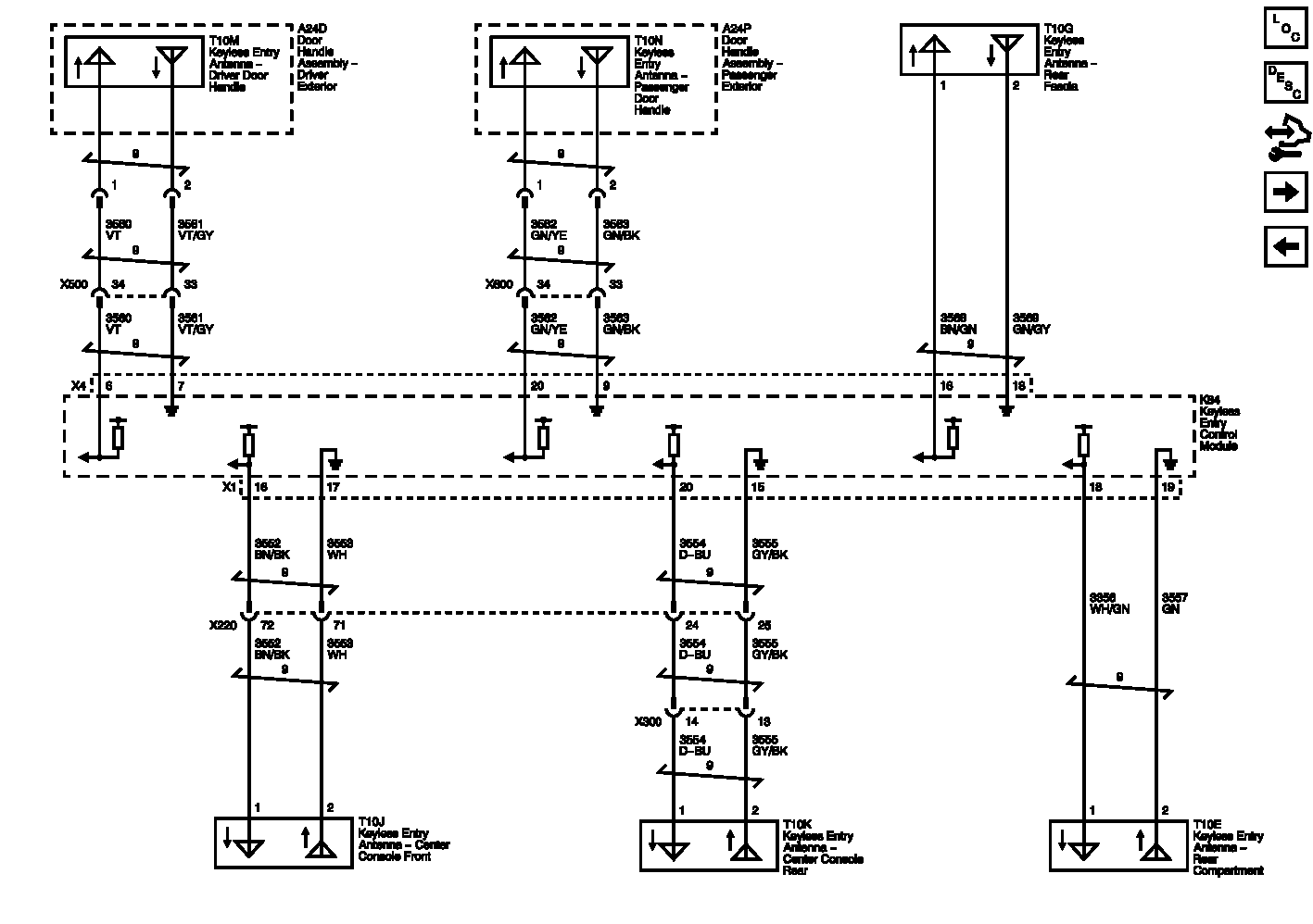
Passive Entry and Passive Start Antennas (ATH with BTM) Wiring Schematics

WARNING: This page is about a different car, the 2012 Buick Regal. However, it is still accessible from the selected car via links, so may be relevant.
Fig 1: Passive Entry and Passive Start Antennas (ATH with BTM) Wiring Schematic
GM2658165Courtesy of GENERAL MOTORS COMPANY