LEMON Manuals: Even more car manuals for everyone
Home >> Buick >> 2013 >> Verano Premium, Automatic Trans >> Repair and Diagnosis >> External Pages >> Different car >> Section 152 (Cellular System, Entertainment System, And Navigation System) >> Schematic Wiring Diagrams >> OnStar Wiring Schematics >> Controls and Outputs Wiring Schematics

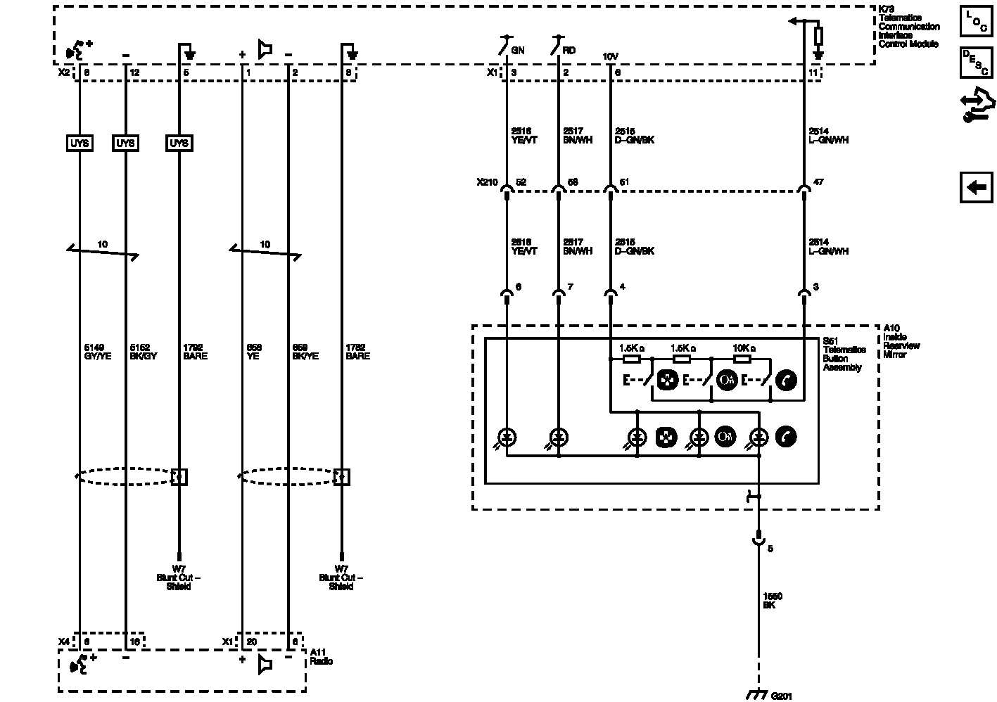
Controls and Outputs Wiring Schematics

WARNING: This page is about a different car, the 2012 Buick Regal. However, it is still accessible from the selected car via links, so may be relevant.
Fig 1: Controls and Outputs Wiring Schematic
GM2611498Courtesy of GENERAL MOTORS COMPANY