LEMON Manuals: Even more car manuals for everyone
Home >> Buick >> 2013 >> Verano Base >> Repair and Diagnosis >> External Pages >> Different car >> Section 98 (Cellular Systems, Entertainment Systems & Navigation Systems) >> Schematic and Routing Diagrams >> OnStar Schematics

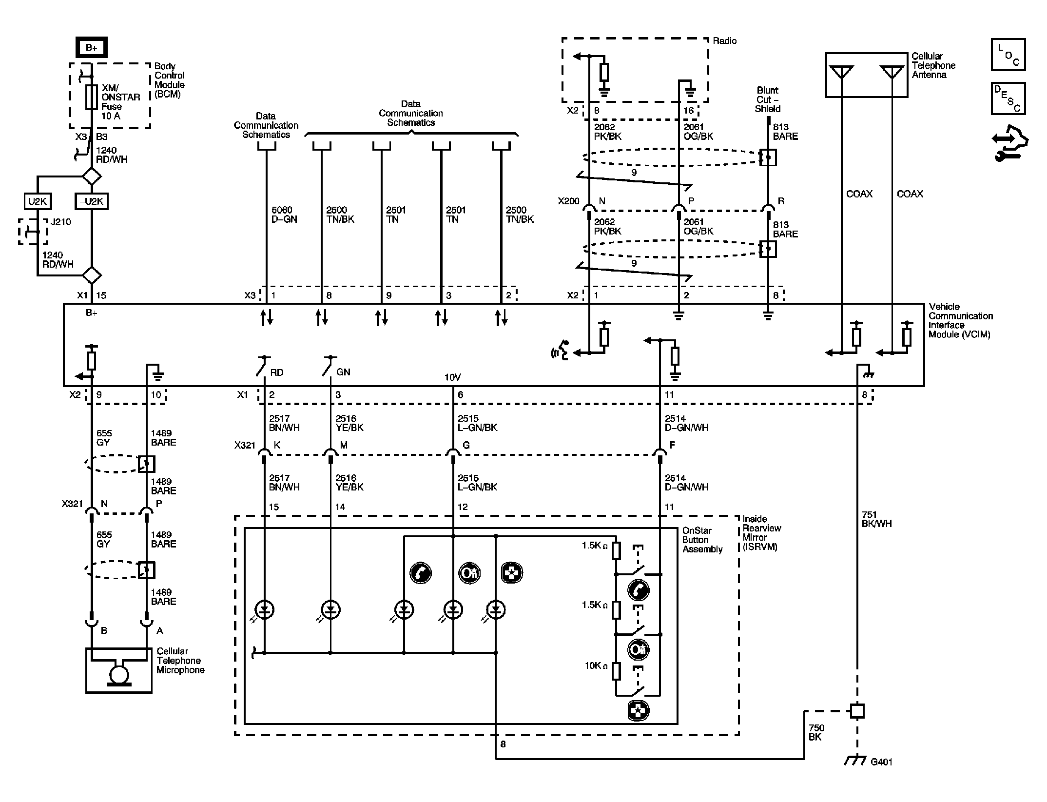
OnStar Schematics

WARNING: This page is about a different car, the 2010 Pontiac G5 and 2010 Chevrolet Cobalt. However, it is still accessible from the selected car via links, so may be relevant.
Fig 1: OnStar
GM2249262Courtesy of GENERAL MOTORS CORP.