LEMON Manuals: Even more car manuals for everyone
Home >> Buick >> 2013 >> Verano Base >> Repair and Diagnosis >> External Pages >> Different car >> Section 194 (Cellular System, Entertainment System, And Navigation System) >> Wiring Schematics >> Radio/Navigation System Wiring Schematics >> Display (UDY) and Navigation Antenna (UEW)

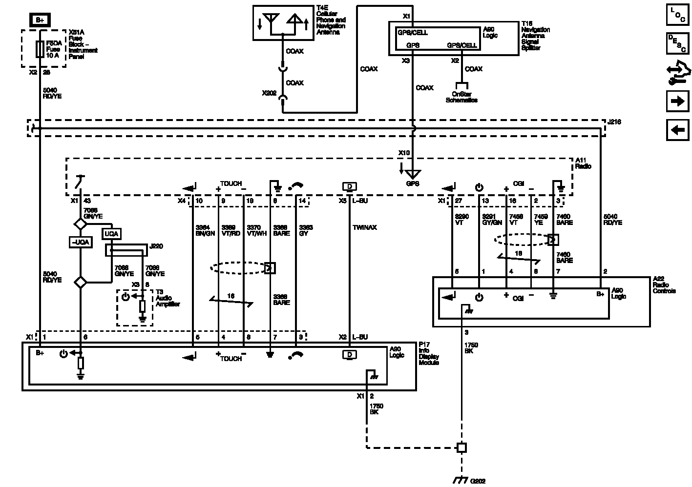
Display (UDY) and Navigation Antenna (UEW)

WARNING: This page is about a different car, the 2012 Buick Verano. However, it is still accessible from the selected car via links, so may be relevant.
Fig 1: Display (UDY) And Navigation Antenna (UEW) Wiring Schematic
GM2689637Courtesy of GENERAL MOTORS COMPANY