LEMON Manuals: Even more car manuals for everyone
Home >> Buick >> 2013 >> Verano Base >> Repair and Diagnosis >> External Pages >> Different car >> Section 107 (Antilock Brake System With Traction Control System & Stability Control System) >> Schematic and Routing Diagrams >> Antilock Brake System Schematics

Antilock Brake System Schematics

WARNING: This page is about a different car, the 2010 Pontiac G5 and 2010 Chevrolet Cobalt. However, it is still accessible from the selected car via links, so may be relevant.
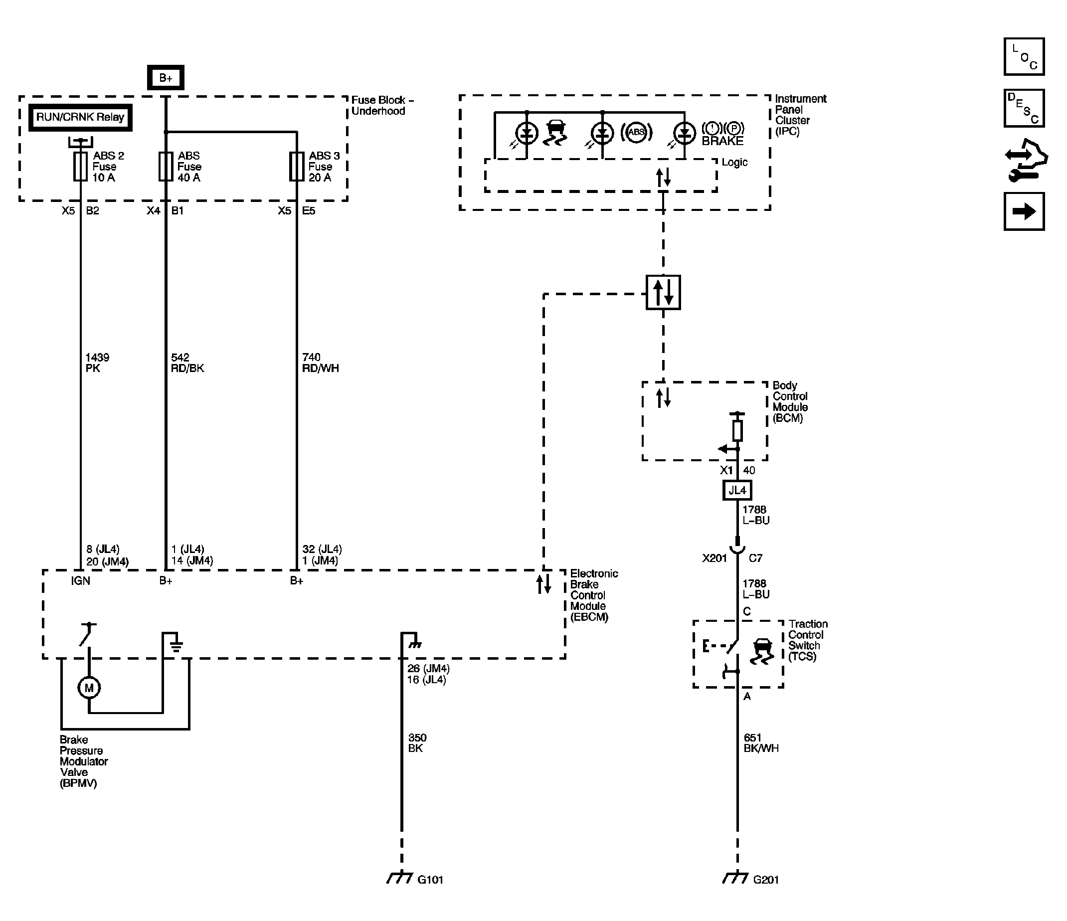
Fig 1: Power, Ground, Serial Data and Traction Controls
GM2248373Courtesy of GENERAL MOTORS CORP.
Fig 2: Wheel Speed Signals
GM2248377Courtesy of GENERAL MOTORS CORP.
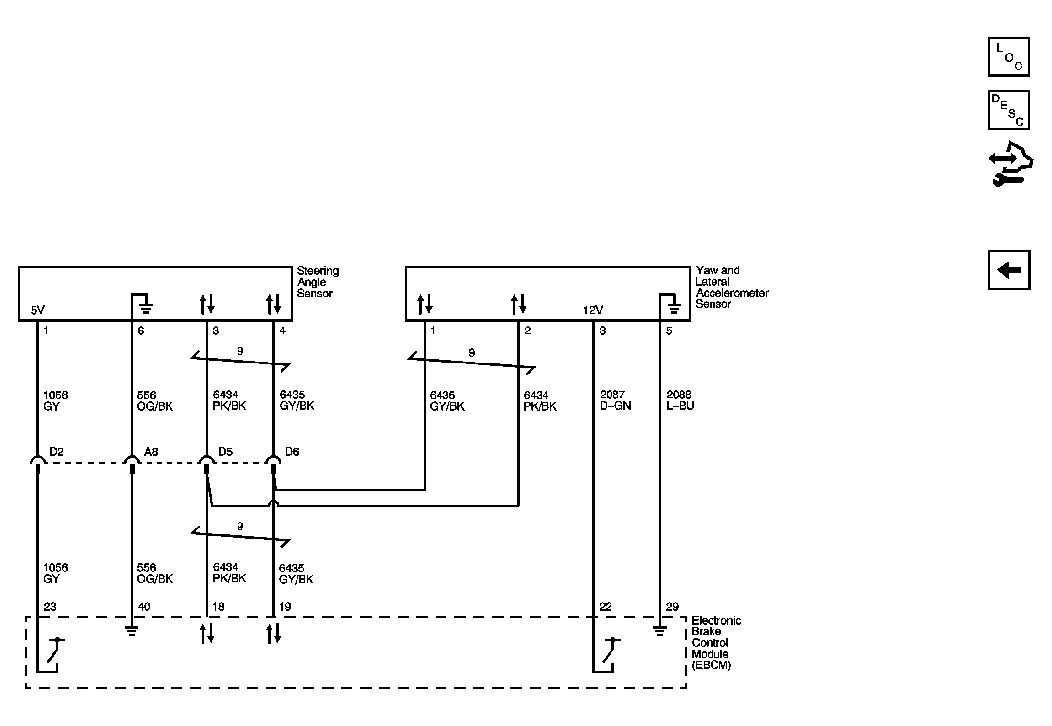
Fig 3: Vehicle Stability Sensors (JL4)
GM2248378Courtesy of GENERAL MOTORS CORP.