LEMON Manuals: Even more car manuals for everyone
Home >> Buick >> 2013 >> Verano Base >> Repair and Diagnosis >> Accessories & Equipment >> Entertainment Systems >> Cellular System, Entertainment System, And Navigation System >> Schematic Wiring Diagrams >> Radio/Navigation System Wiring Schematics >> Power, Ground, Serial Data, Antennas and Display (UAG)

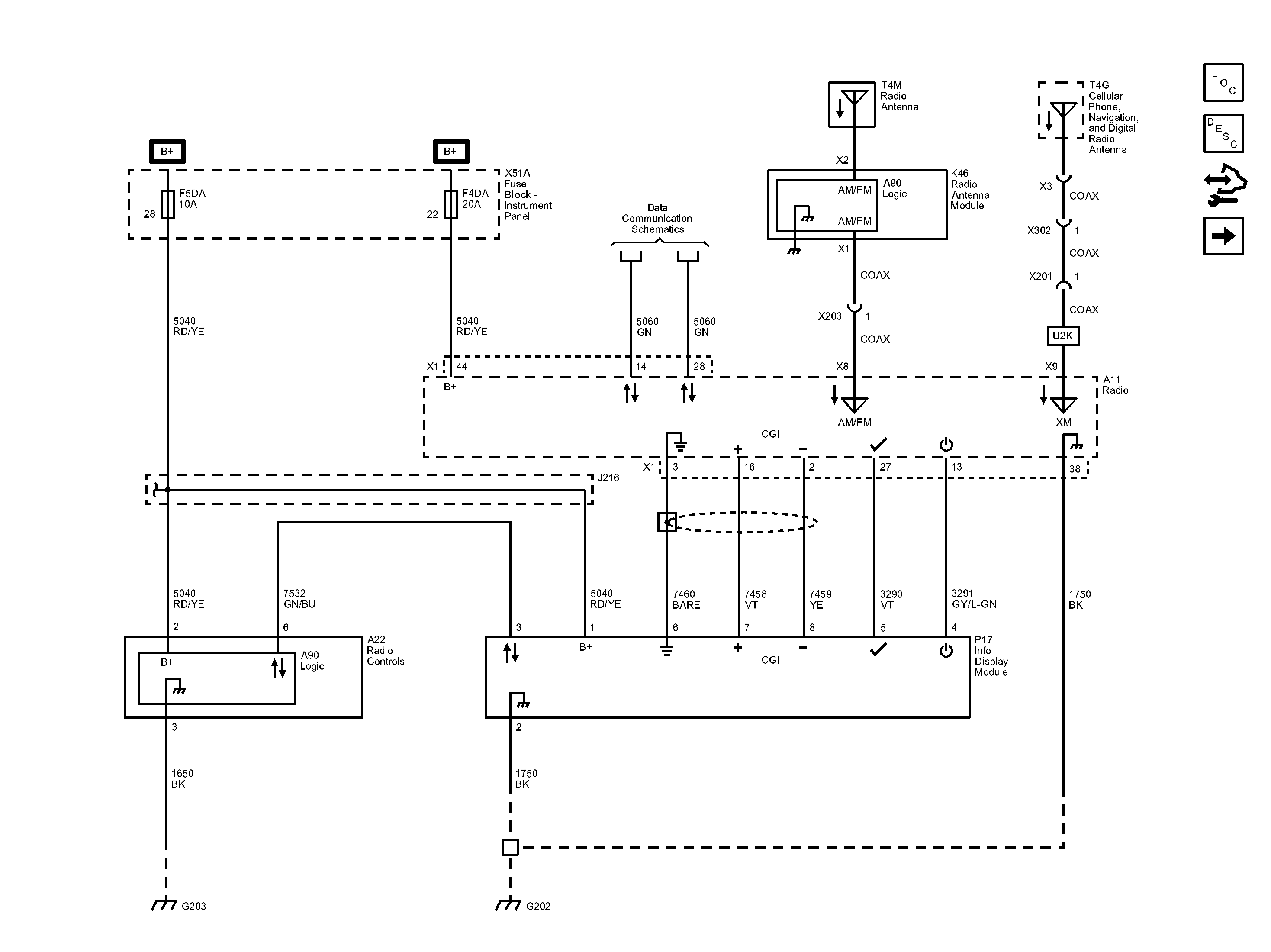
Power, Ground, Serial Data, Antennas and Display (UAG)

Fig 1: Power, Ground, Serial Data, Antennas and Display Wiring Schematic (UAG)
GM2852399Courtesy of GENERAL MOTORS COMPANY