LEMON Manuals: Even more car manuals for everyone
Home >> Buick >> 2013 >> Verano Base >> Repair and Diagnosis (Single Page) >> Accessories & Equipment >> Entertainment Systems >> Cellular System, Entertainment System, And Navigation System >> Schematic Wiring Diagrams >> Radio/Navigation System Wiring Schematics >> Multimedia Player Interface (KTA)

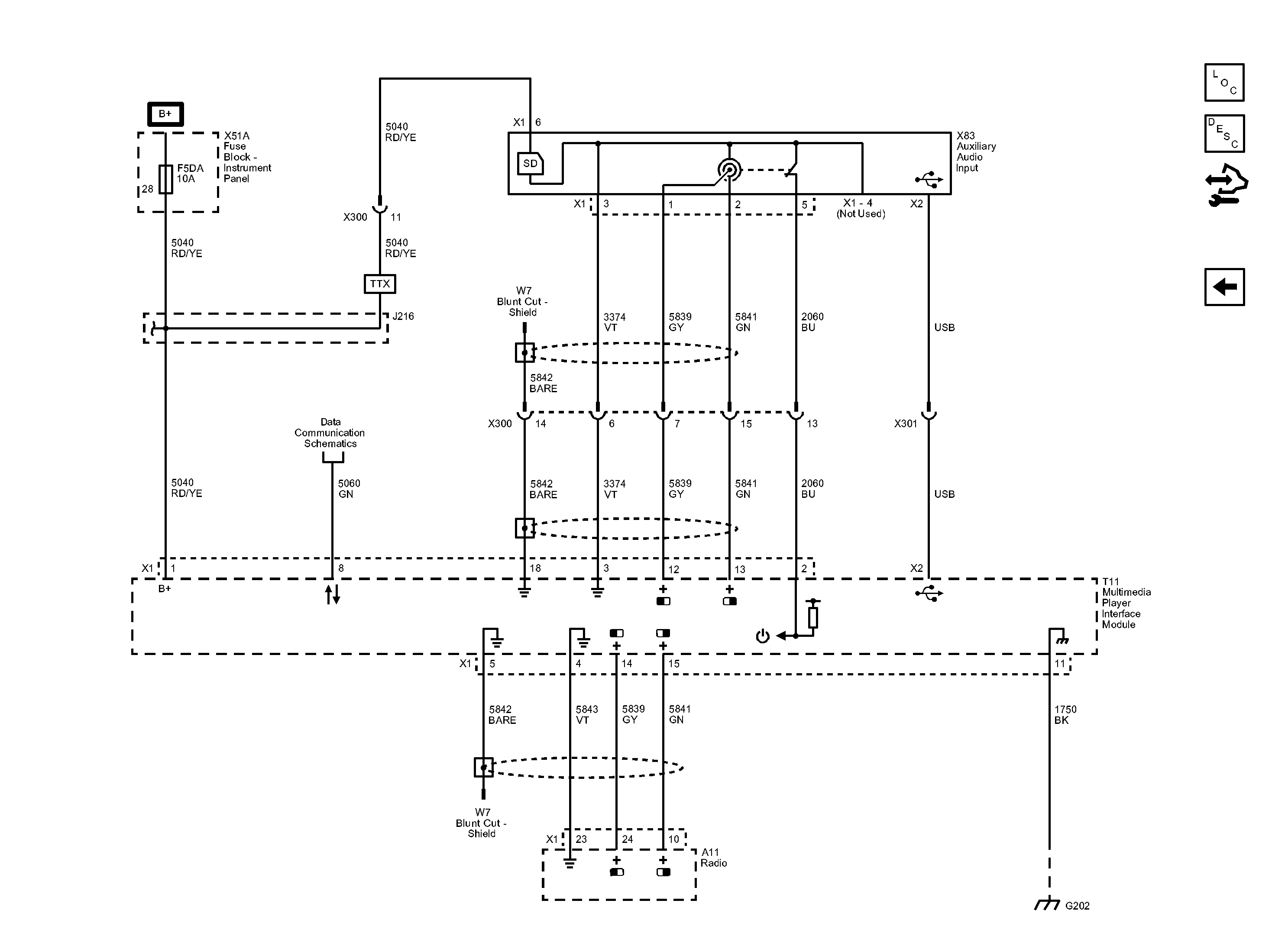
Multimedia Player Interface (KTA)

Fig 1: Multimedia Player Interface Wiring Schematic (KTA)
GM2852428Courtesy of GENERAL MOTORS COMPANY