LEMON Manuals: Even more car manuals for everyone
Home >> Buick >> 2013 >> Regal GS, Automatic Trans >> Repair and Diagnosis >> Engine Performance >> System >> Data Communication System >> Schematic Wiring Diagrams >> Data Communication Wiring Schematics >> Local Interconnect Network (LIN) Bus (2 of 2) (CZ2)

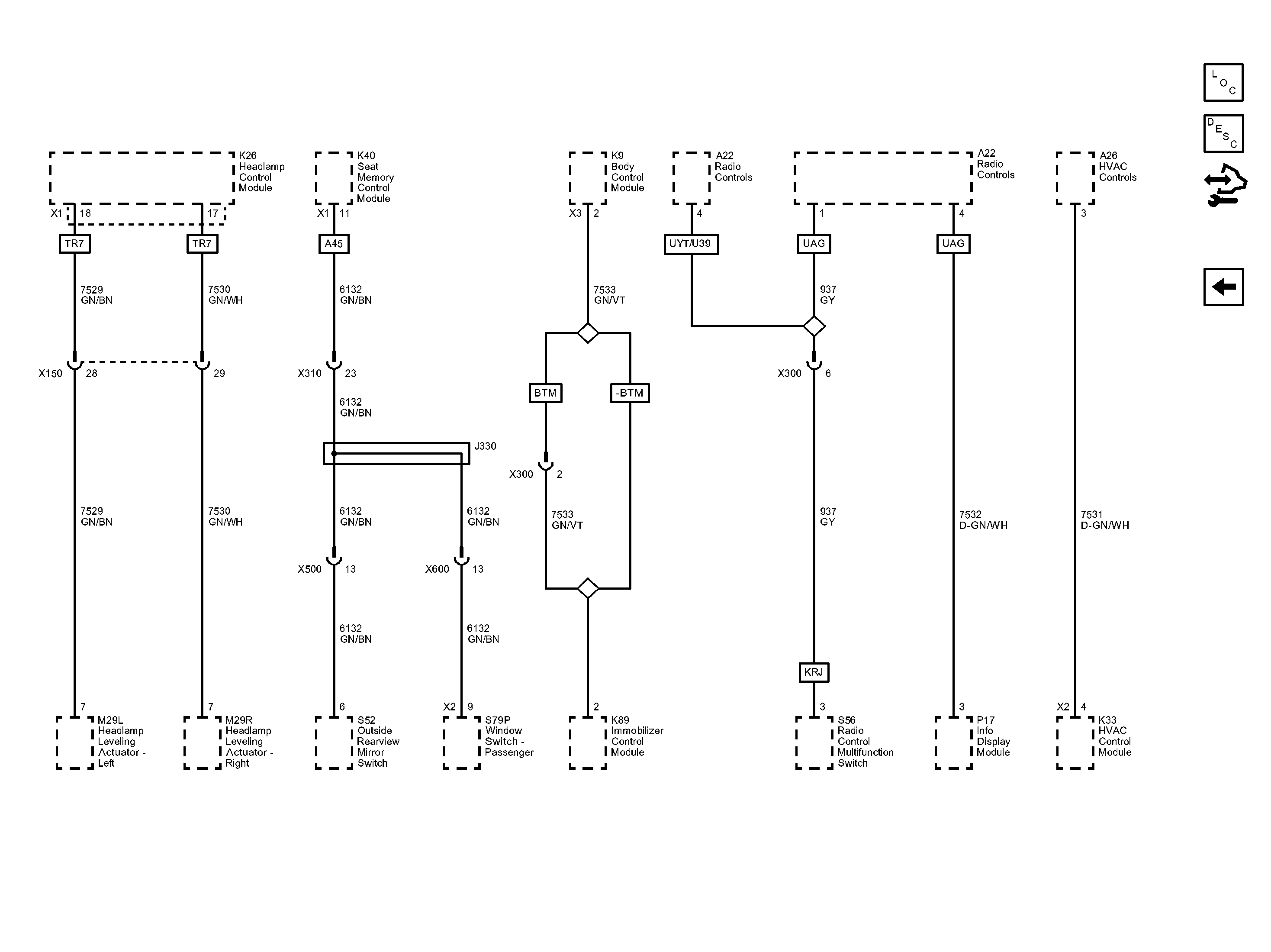
Local Interconnect Network (LIN) Bus (2 of 2) (CZ2)

Fig 1: Local Interconnect Network (LIN) Bus Wiring Schematic (2 of 2) (CZ2)
GM2912609Courtesy of GENERAL MOTORS COMPANY