LEMON Manuals: Even more car manuals for everyone
Home >> Buick >> 2013 >> LaCrosse Premium, AWD >> Repair and Diagnosis >> External Pages >> Different car >> Section 136 (Cellular Systems, Entertainment Systems & Navigation Systems) >> Schematic and Routing Diagrams >> Radio/Navigation System Schematics

Radio/Navigation System Schematics

WARNING: This page is about a different car, the 2010 Buick LaCrosse. However, it is still accessible from the selected car via links, so may be relevant.
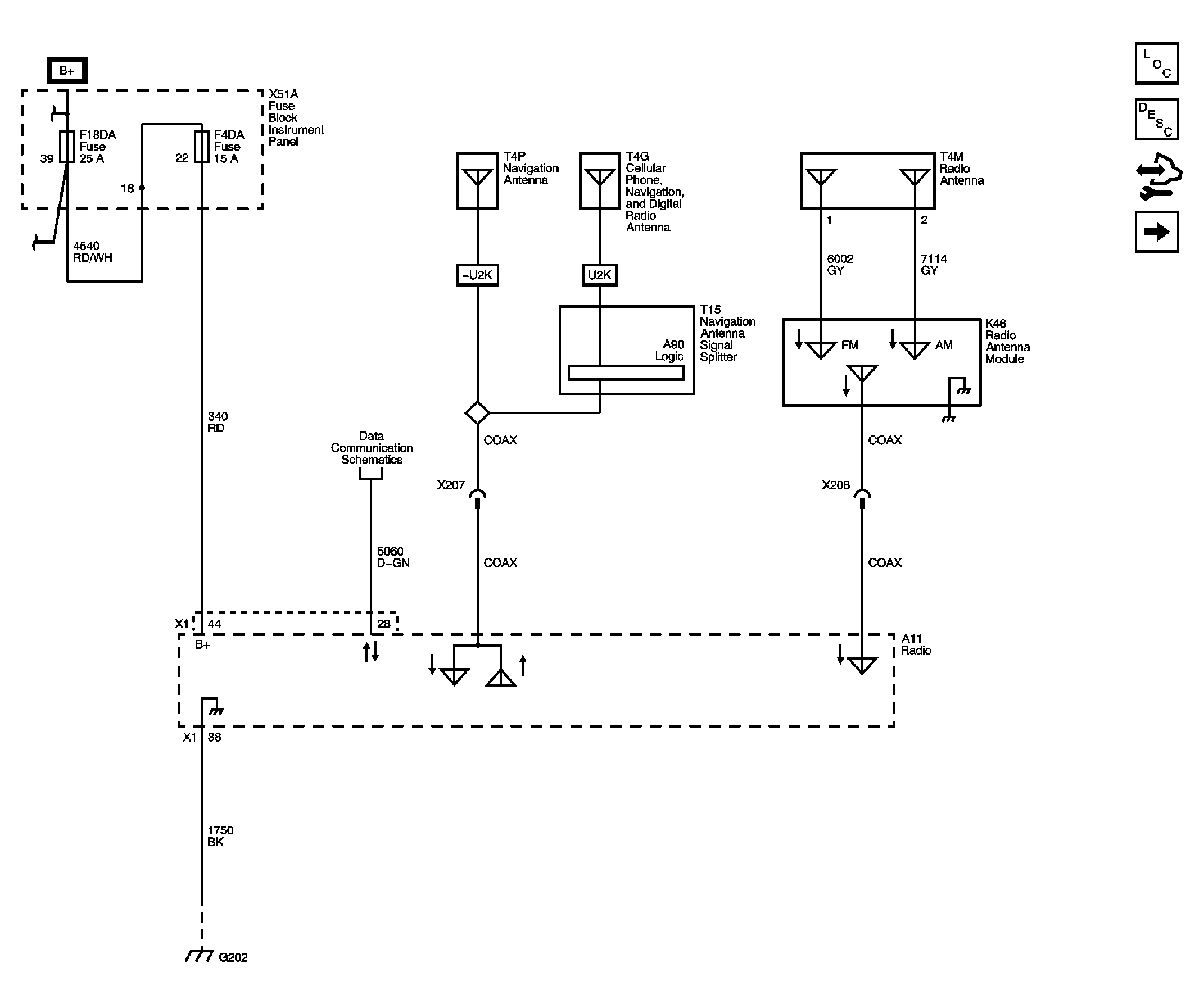
Fig 1: Power, Ground, Antennas and Serial Data
GM2206421Courtesy of GENERAL MOTORS CORP.
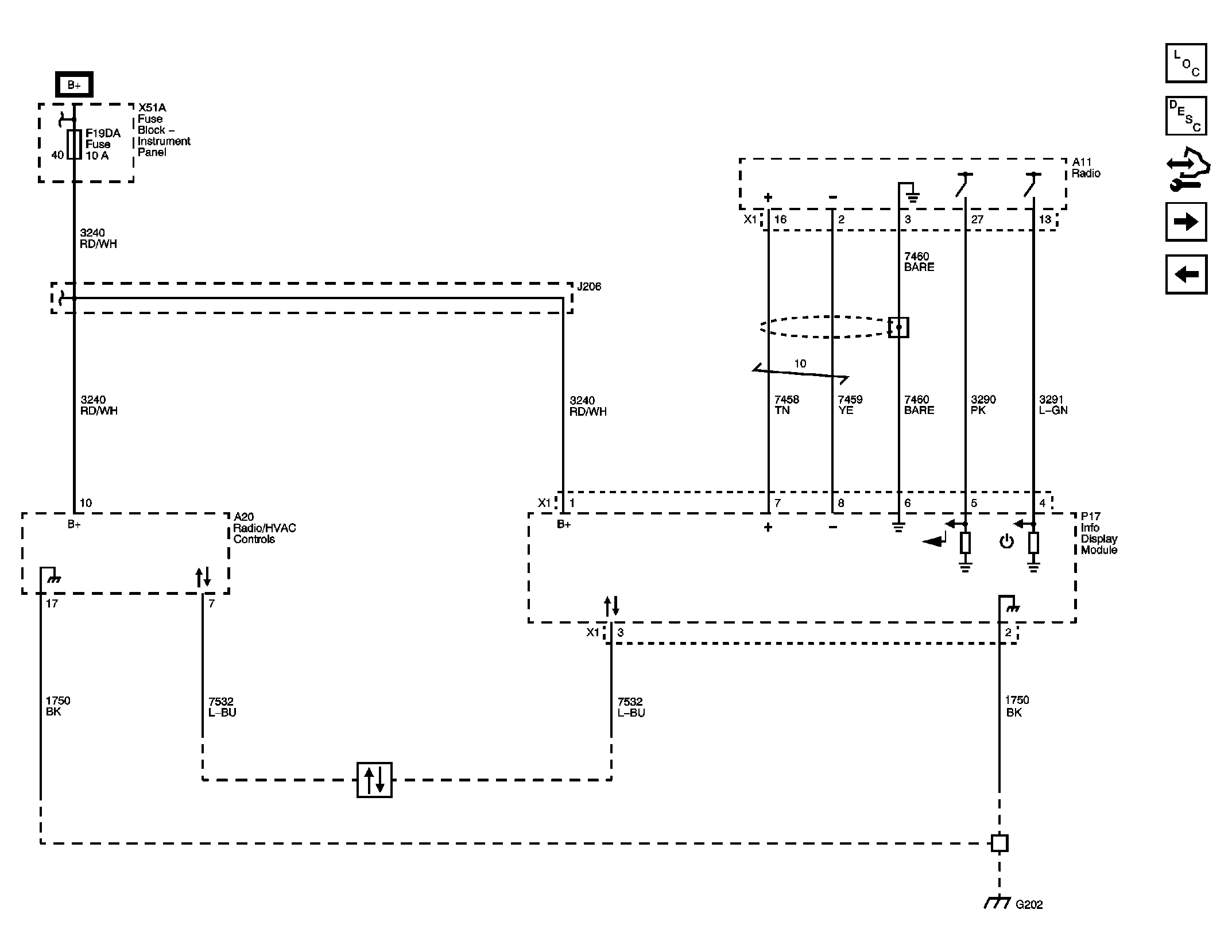
Fig 2: Amplifier (UQA)
GM2206424Courtesy of GENERAL MOTORS CORP.
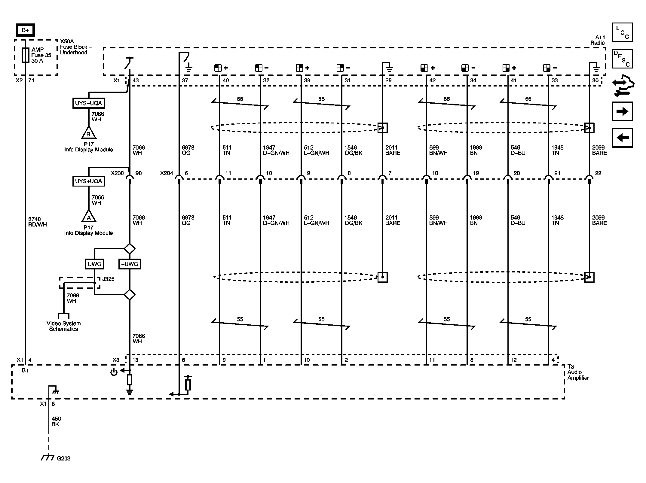
Fig 3: Amplifier (UQA with UYS or UWG)
GM2206426Courtesy of GENERAL MOTORS CORP.
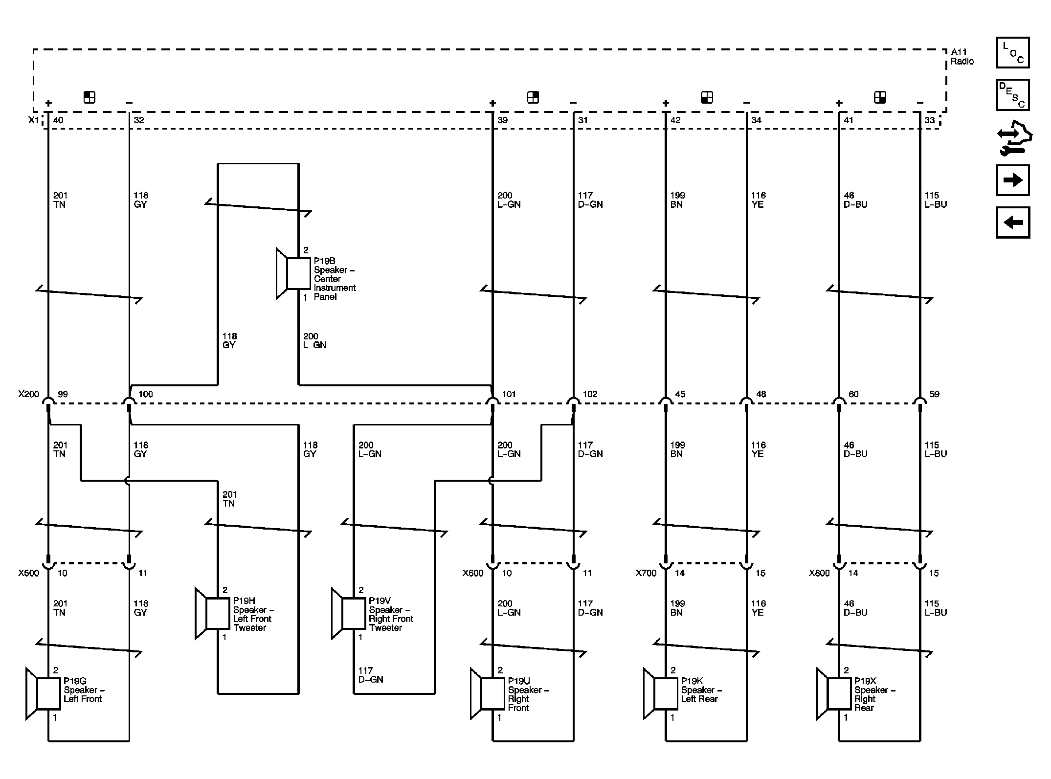
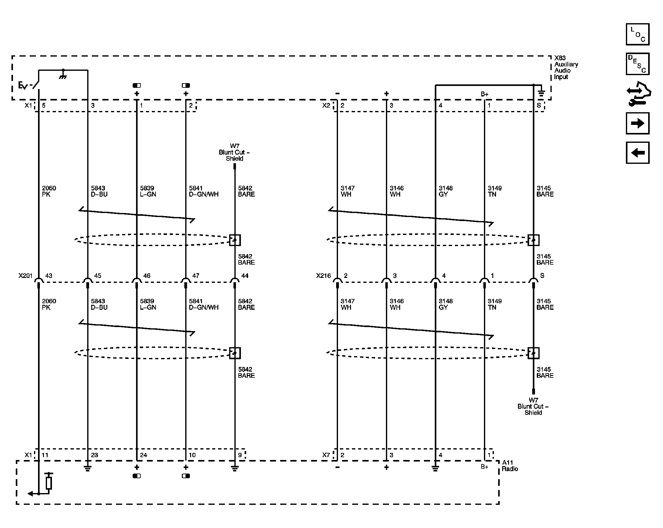
Fig 4: Speakers (UQA)
GM2206297Courtesy of GENERAL MOTORS CORP.
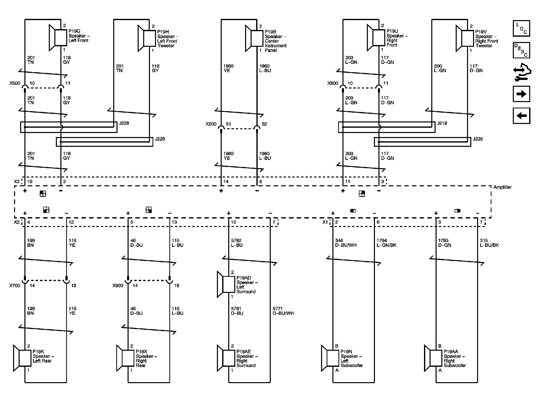
Fig 5: Speakers (U65)
GM2206294Courtesy of GENERAL MOTORS CORP.
Fig 6: Non-Navigation System (without UYS)
GM2311672Courtesy of GENERAL MOTORS CORP.
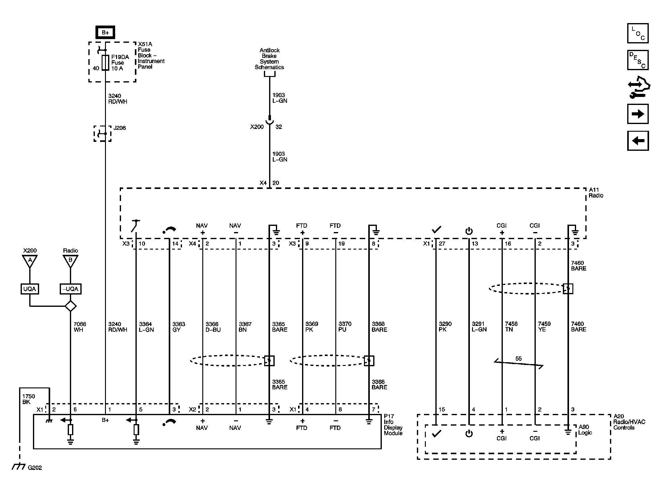
Fig 7: Navigation System (UYS)
GM2206428Courtesy of GENERAL MOTORS CORP.
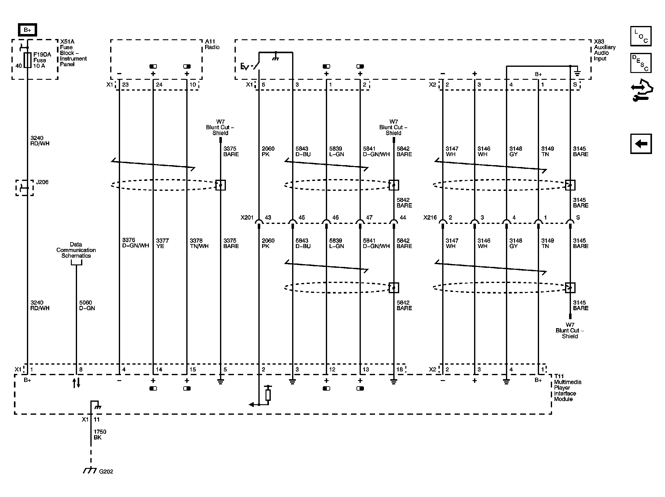
Fig 8: USB Interface (USR without KTA)
GM2206471Courtesy of GENERAL MOTORS CORP.
Fig 9: USB Interface (KTA)
GM2206472Courtesy of GENERAL MOTORS CORP.