LEMON Manuals: Even more car manuals for everyone
Home >> Buick >> 2013 >> Encore Base, FWD >> Repair and Diagnosis >> Engine Performance >> System >> Data Communication System >> Schematic and Routing Diagrams >> Data Communication Schematics >> High Speed GMLAN Bus 1 (2 of 2)

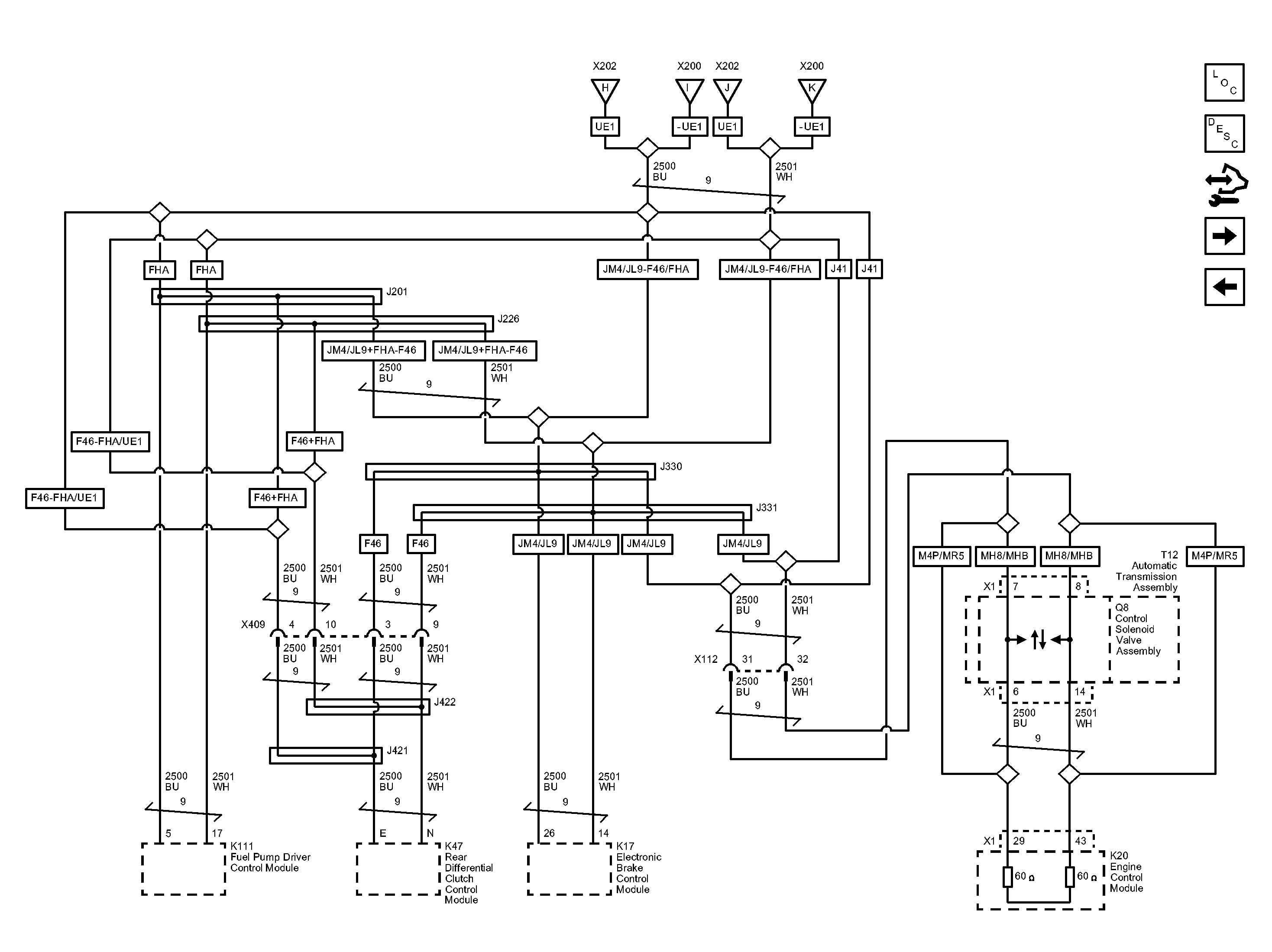
High Speed GMLAN Bus 1 (2 of 2)

Fig 1: High Speed GMLAN Bus 1 Wiring Schematic (2 Of 2)
GM2873847Courtesy of GENERAL MOTORS COMPANY