LEMON Manuals: Even more car manuals for everyone
Home >> Buick >> 2013 >> Encore Base, AWD >> Repair and Diagnosis >> Engine Performance >> System >> Data Communication System >> Schematic and Routing Diagrams >> Data Communication Schematics >> High Speed GMLAN Bus 2 (FX3)

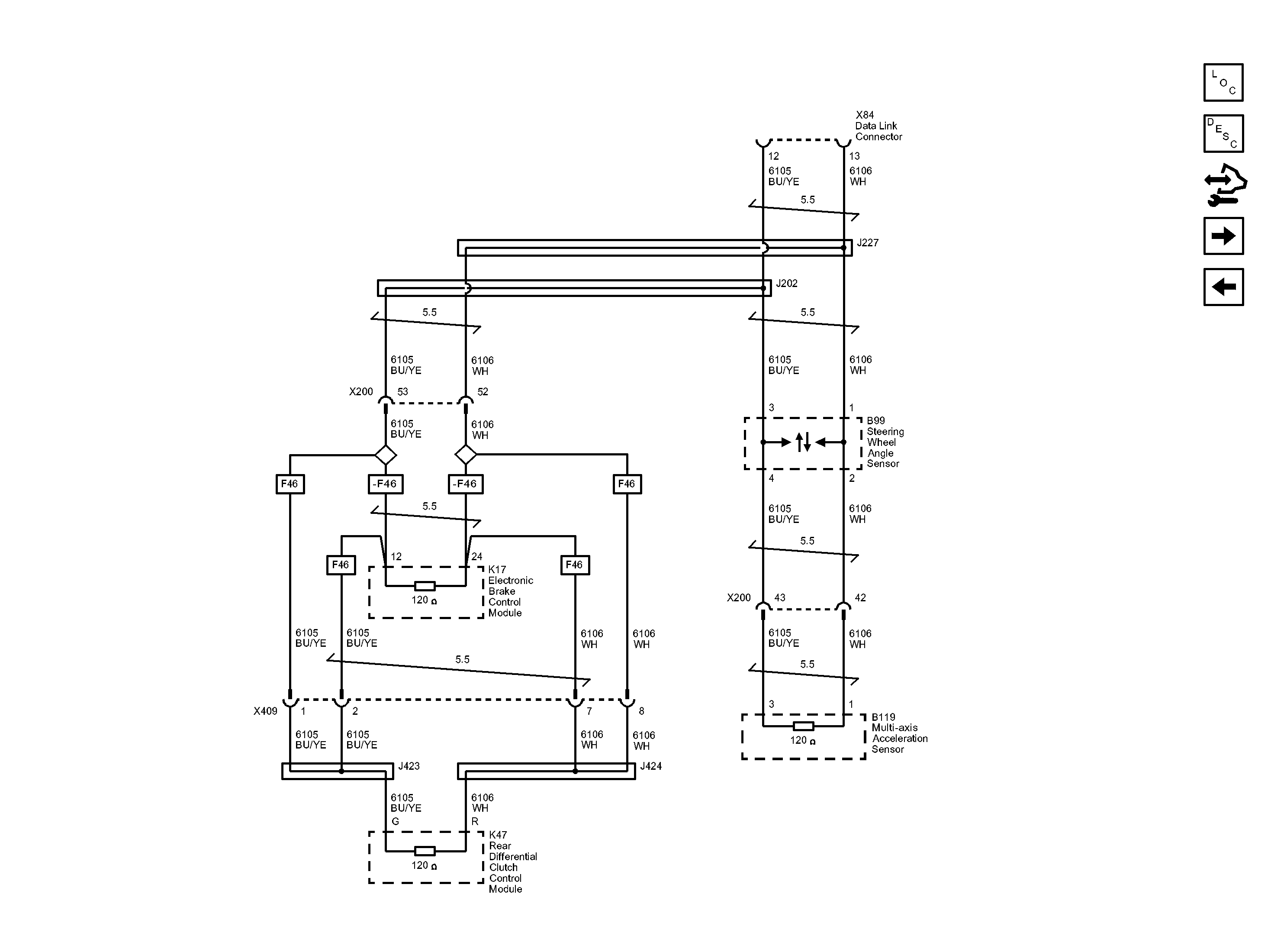
High Speed GMLAN Bus 2 (FX3)

Fig 1: High Speed GMLAN Bus 2 (FX3) Wiring Schematic
GM2873850Courtesy of GENERAL MOTORS COMPANY