LEMON Manuals: Even more car manuals for everyone
Home >> Buick >> 2013 >> Encore Base, AWD >> Repair and Diagnosis >> Body & Frame >> Windows >> Fixed And MOVEABLE Window System >> Schematic and Routing Diagrams >> Moveable Window Schematics >> Front Windows (AXG With AEQ)

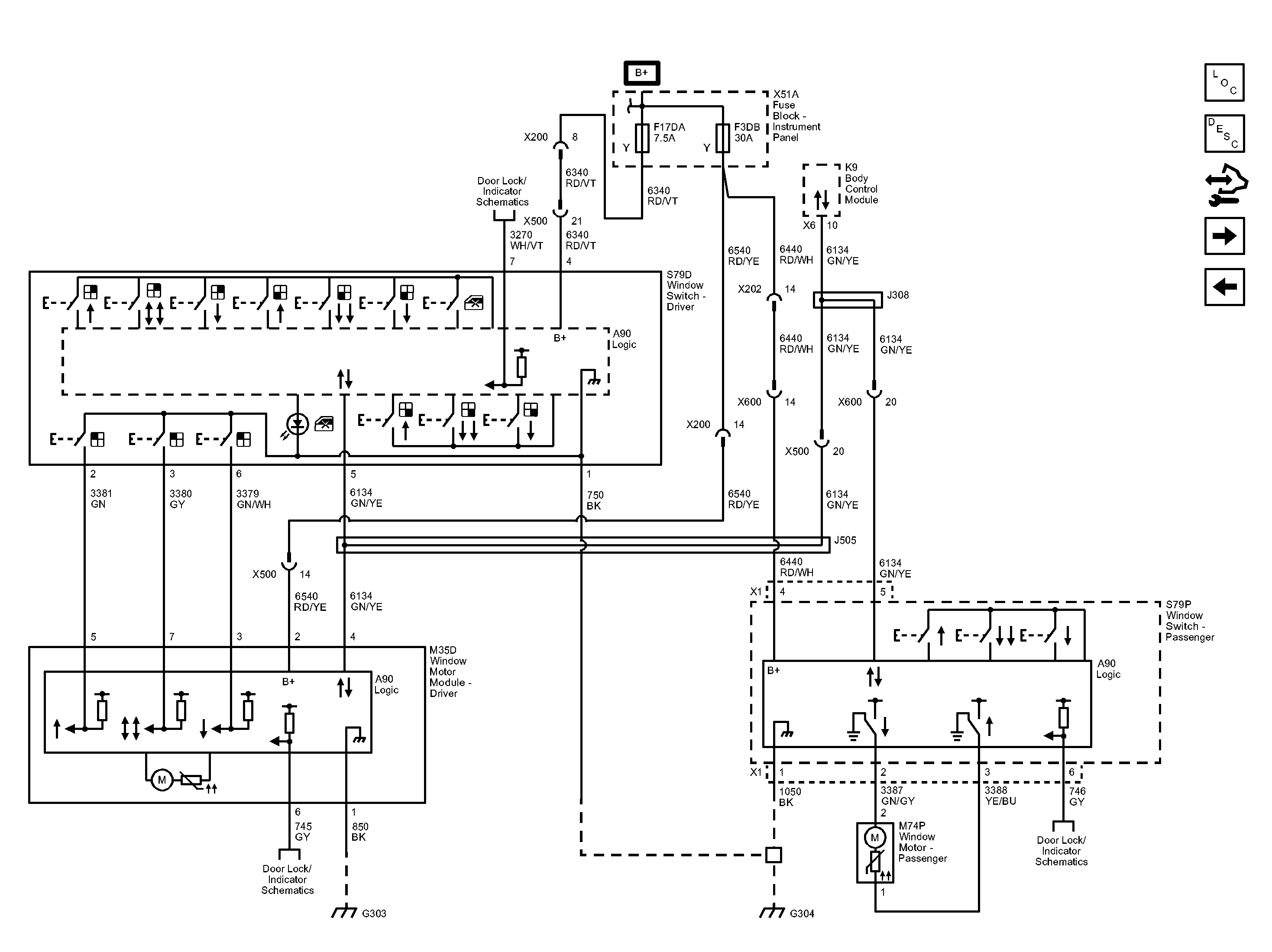
Front Windows (AXG With AEQ)

Fig 1: Front Windows (AXG With AEQ) Wiring Schematic
GM2882640Courtesy of GENERAL MOTORS COMPANY