LEMON Manuals: Even more car manuals for everyone
Home >> Buick >> 2013 >> Encore Base, AWD >> Repair and Diagnosis >> Body & Frame >> Windows >> Fixed And MOVEABLE Window System >> Schematic and Routing Diagrams >> Moveable Window Schematics >> Front Doors (A55)

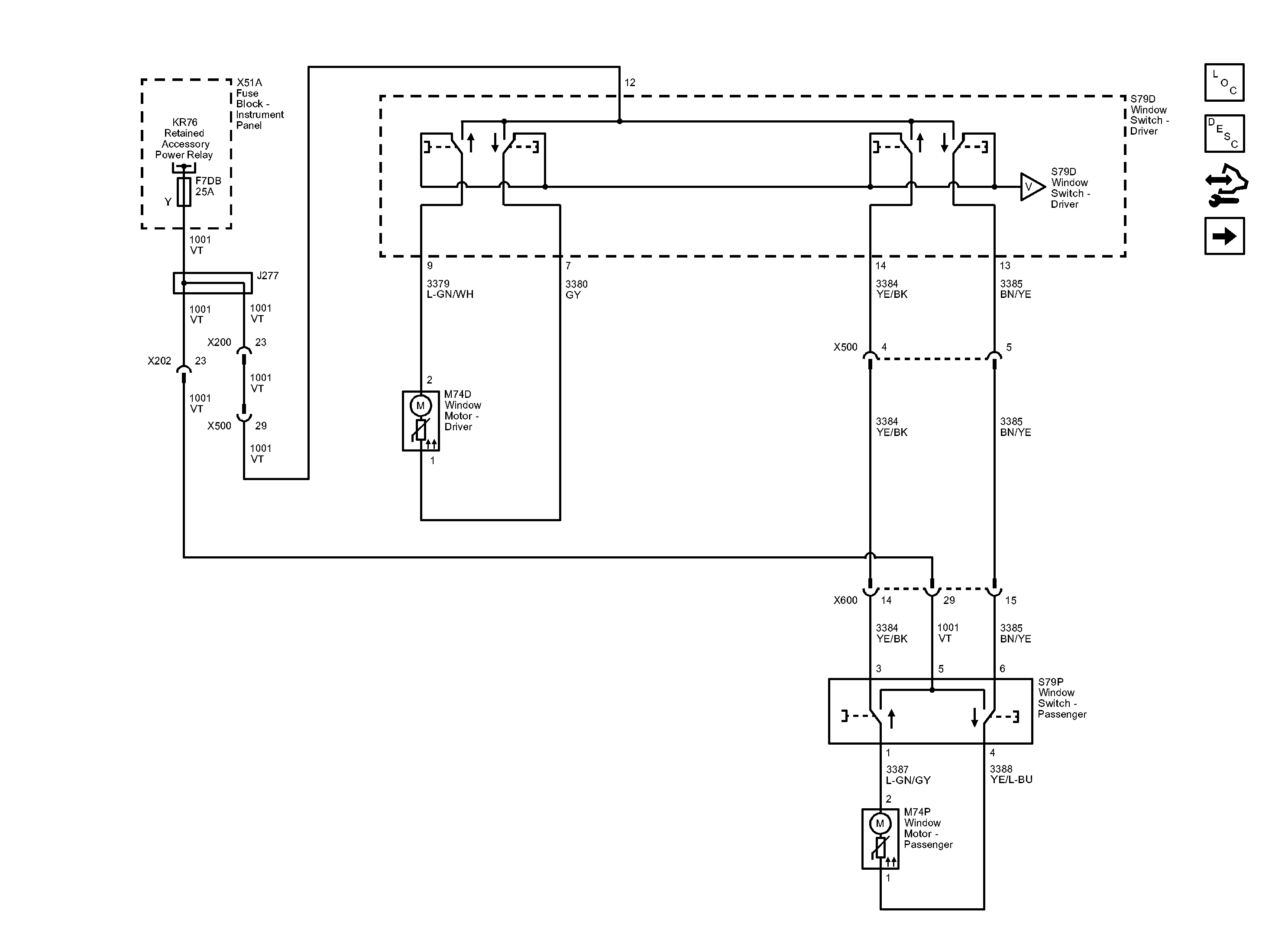
Front Doors (A55)

Fig 1: Front Doors (A55) Wiring Schematic
GM2882629Courtesy of GENERAL MOTORS COMPANY