LEMON Manuals: Even more car manuals for everyone
Home >> Buick >> 2013 >> Encore Base, AWD >> Repair and Diagnosis >> Accessories & Equipment >> Entertainment Systems >> Cellular System, Entertainment System, And Navigation System >> Schematic and Routing Diagrams >> Radio/Navigation System Schematics >> Radio/HVAC Controls

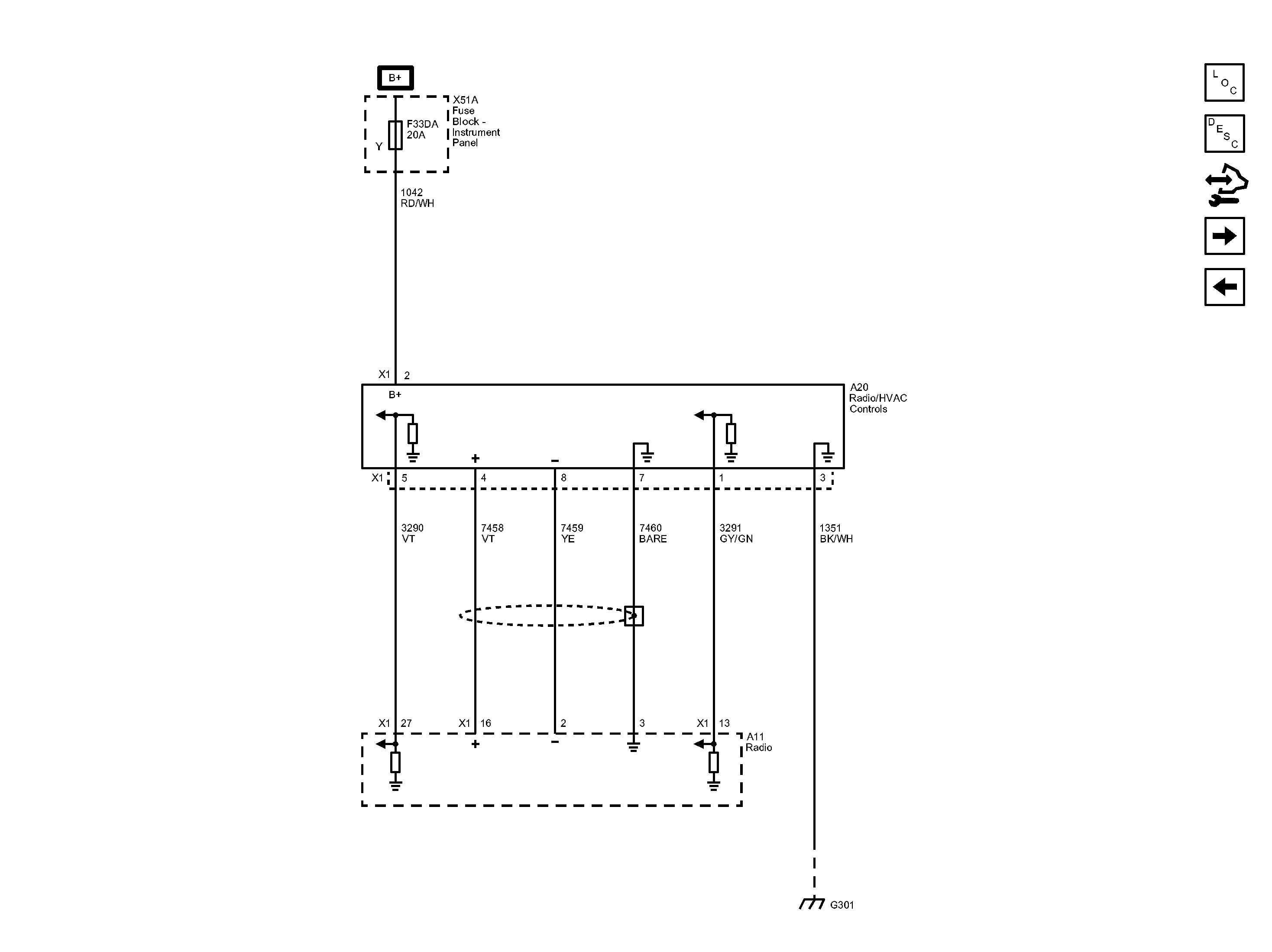
Radio/HVAC Controls

Fig 1: Radio/HVAC Controls Wiring Schematic
GM2878318Courtesy of GENERAL MOTORS COMPANY