LEMON Manuals: Even more car manuals for everyone
Home >> Buick >> 2013 >> Encore Base, AWD >> Repair and Diagnosis >> Accessories & Equipment >> Entertainment Systems >> Cellular System, Entertainment System, And Navigation System >> Schematic and Routing Diagrams >> Radio/Navigation System Schematics >> Power, Ground, Serial Data, Antenna And Audio Input

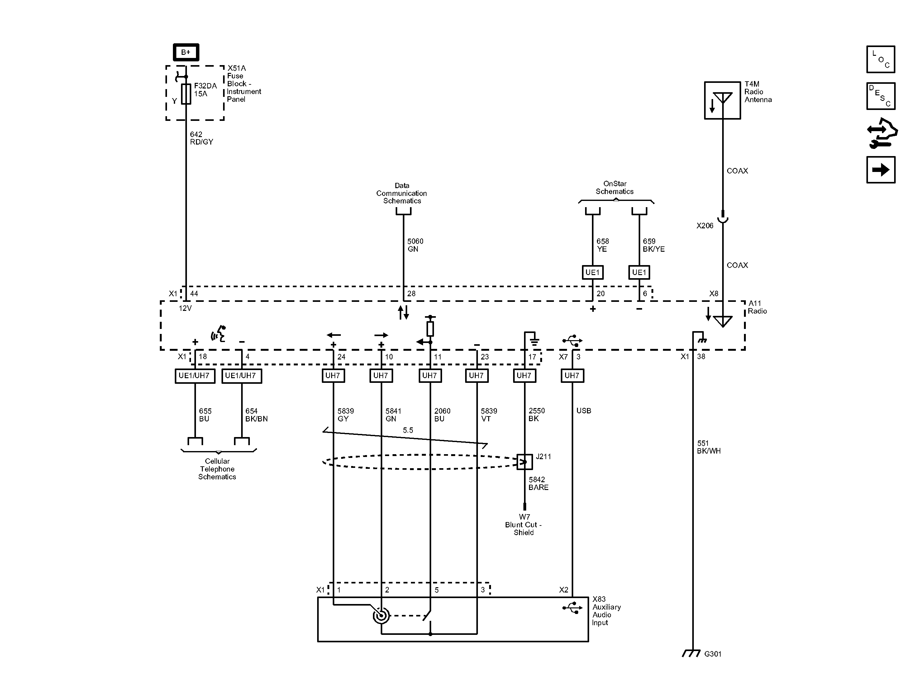
Power, Ground, Serial Data, Antenna And Audio Input

Fig 1: Power, Ground, Serial Data, Antenna And Audio Input Wiring Schematic
GM2876143Courtesy of GENERAL MOTORS COMPANY