LEMON Manuals: Even more car manuals for everyone
Home >> Buick >> 2013 >> Encore Base, AWD >> Repair and Diagnosis >> Accessories & Equipment >> Entertainment Systems >> Cellular System, Entertainment System, And Navigation System >> Schematic and Routing Diagrams >> Radio/Navigation System Schematics >> Power, Ground And Antennas

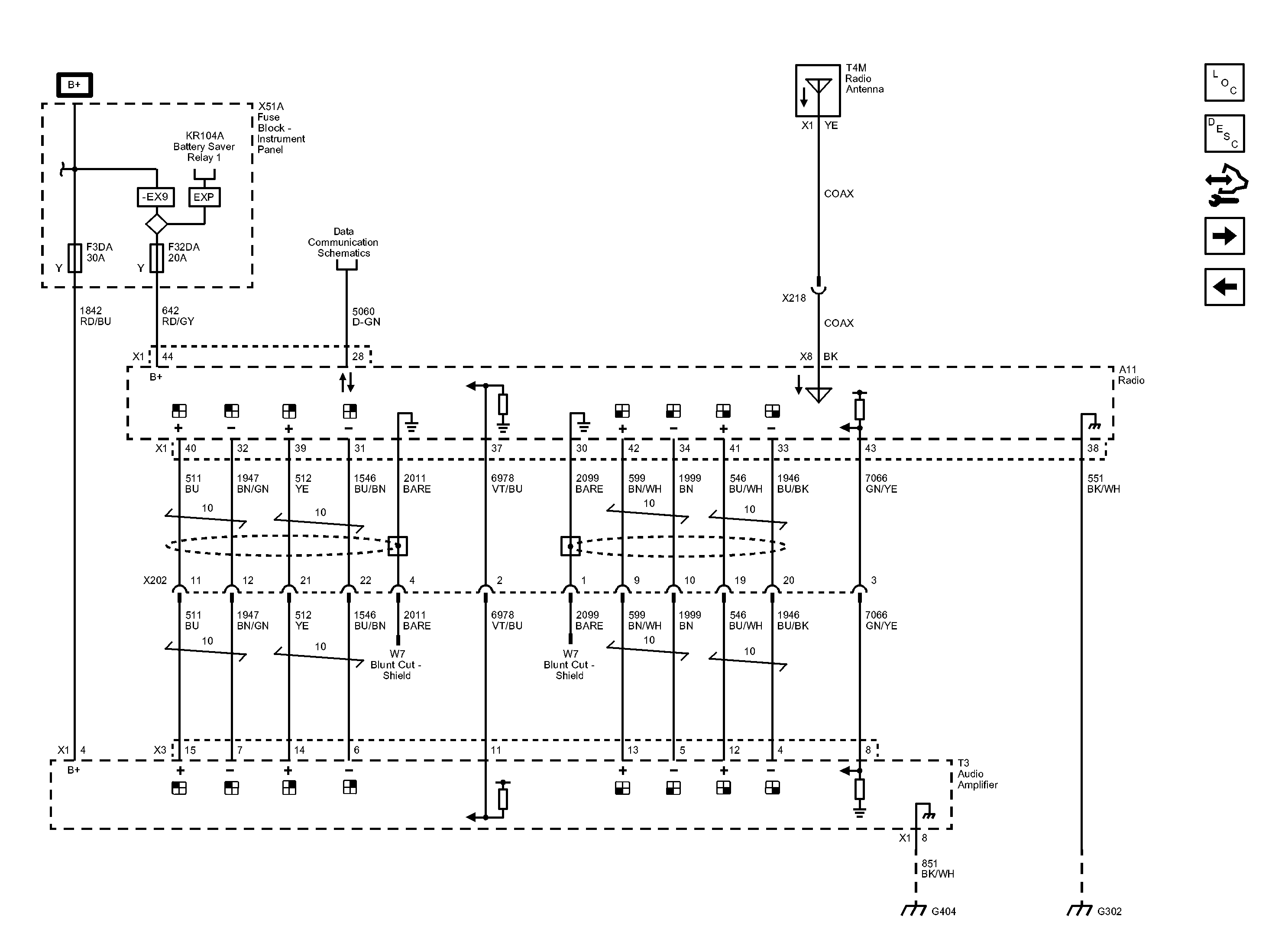
Power, Ground And Antennas

Fig 1: Power, Ground And Antennas Wiring Schematic
GM2878056Courtesy of GENERAL MOTORS COMPANY