LEMON Manuals: Even more car manuals for everyone
Home >> Buick >> 2013 >> Encore Base, AWD >> Repair and Diagnosis (Single Page) >> Body & Frame >> Seats >> Power Seat System >> Schematic and Routing Diagrams >> Driver Seat Schematics >> Module Power, Ground, Serial Data And Memory Controls (AAG)

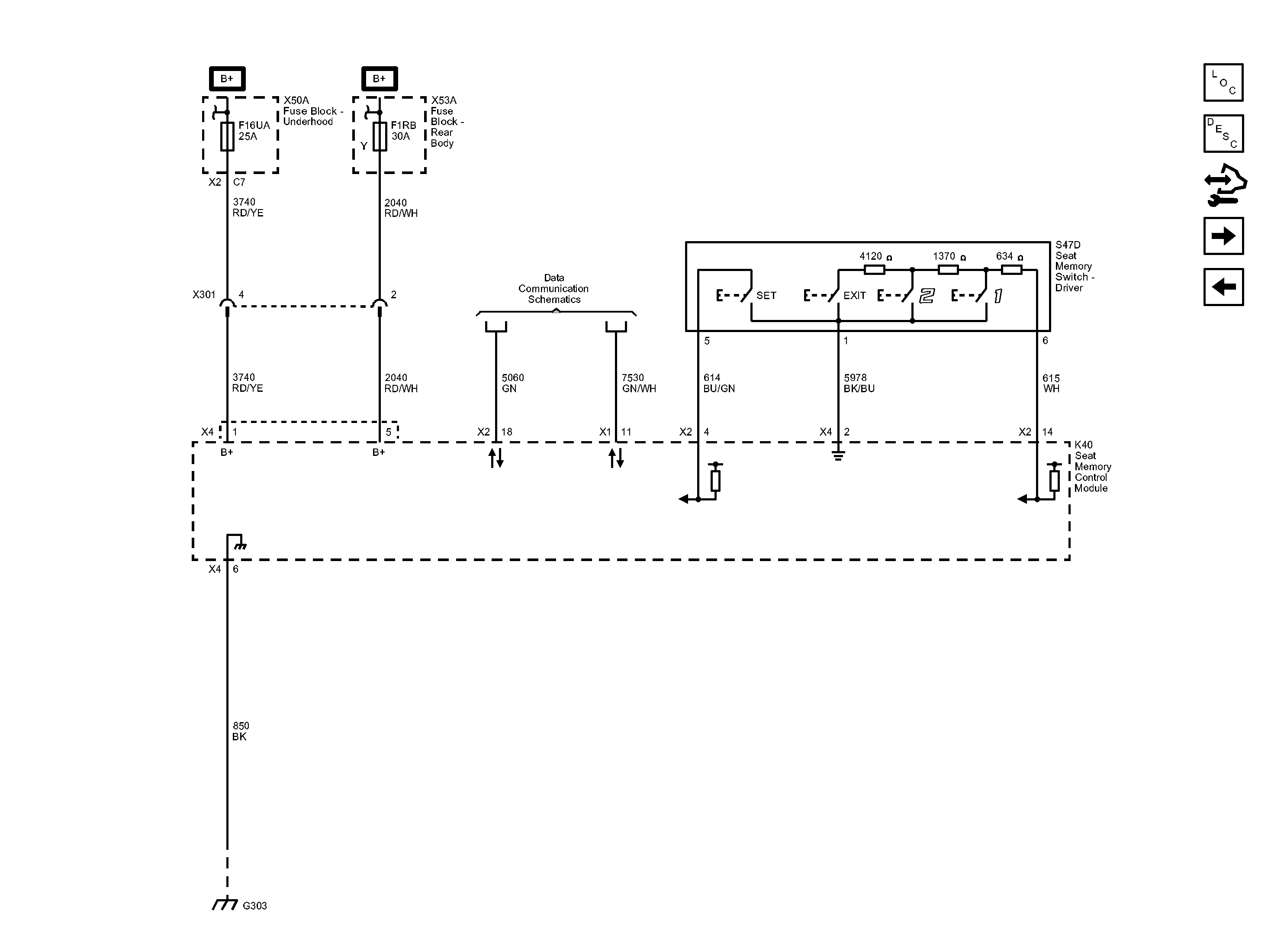
Module Power, Ground, Serial Data And Memory Controls (AAG)

Fig 1: Module Power, Ground, Serial Data And Memory Controls (AAG) Wiring Schematic
GM2891148Courtesy of GENERAL MOTORS COMPANY