LEMON Manuals: Even more car manuals for everyone
Home >> Buick >> 2012 >> Verano >> Repair and Diagnosis >> Engine Performance >> System >> Data Communications System >> Wiring Schematics >> Data Communications System Wiring Schematics >> Low Speed Bus

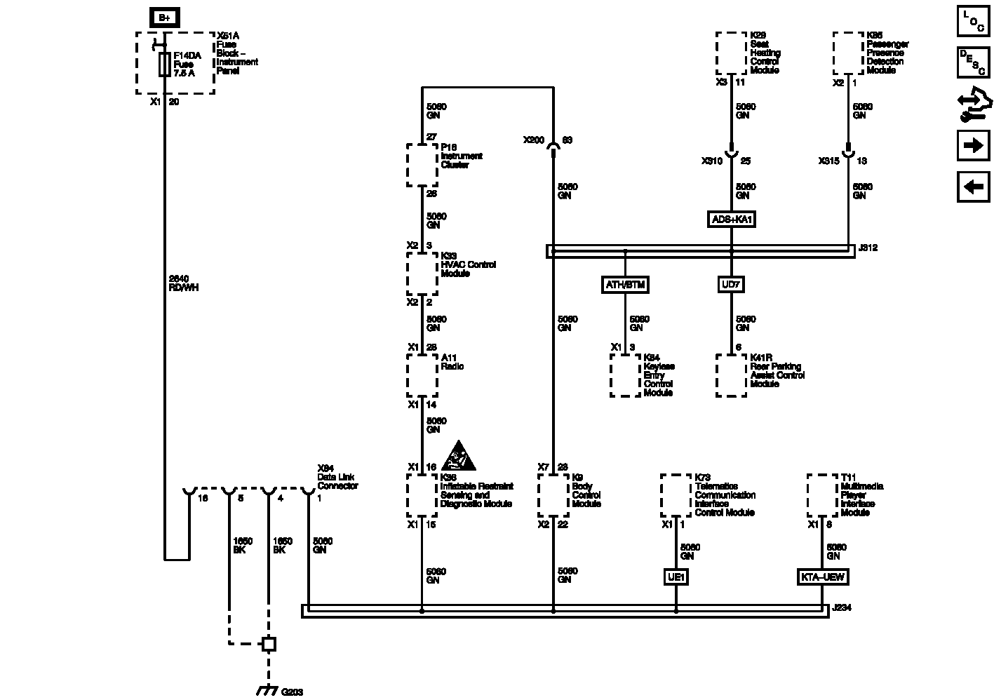
Low Speed Bus

Fig 1: Low Speed Bus Wiring Schematic
GM2690040Courtesy of GENERAL MOTORS COMPANY