LEMON Manuals: Even more car manuals for everyone
Home >> Buick >> 2012 >> Verano >> Repair and Diagnosis >> Engine Performance >> System >> Data Communications System >> Wiring Schematics >> Data Communications System Wiring Schematics >> High Speed Bus 1

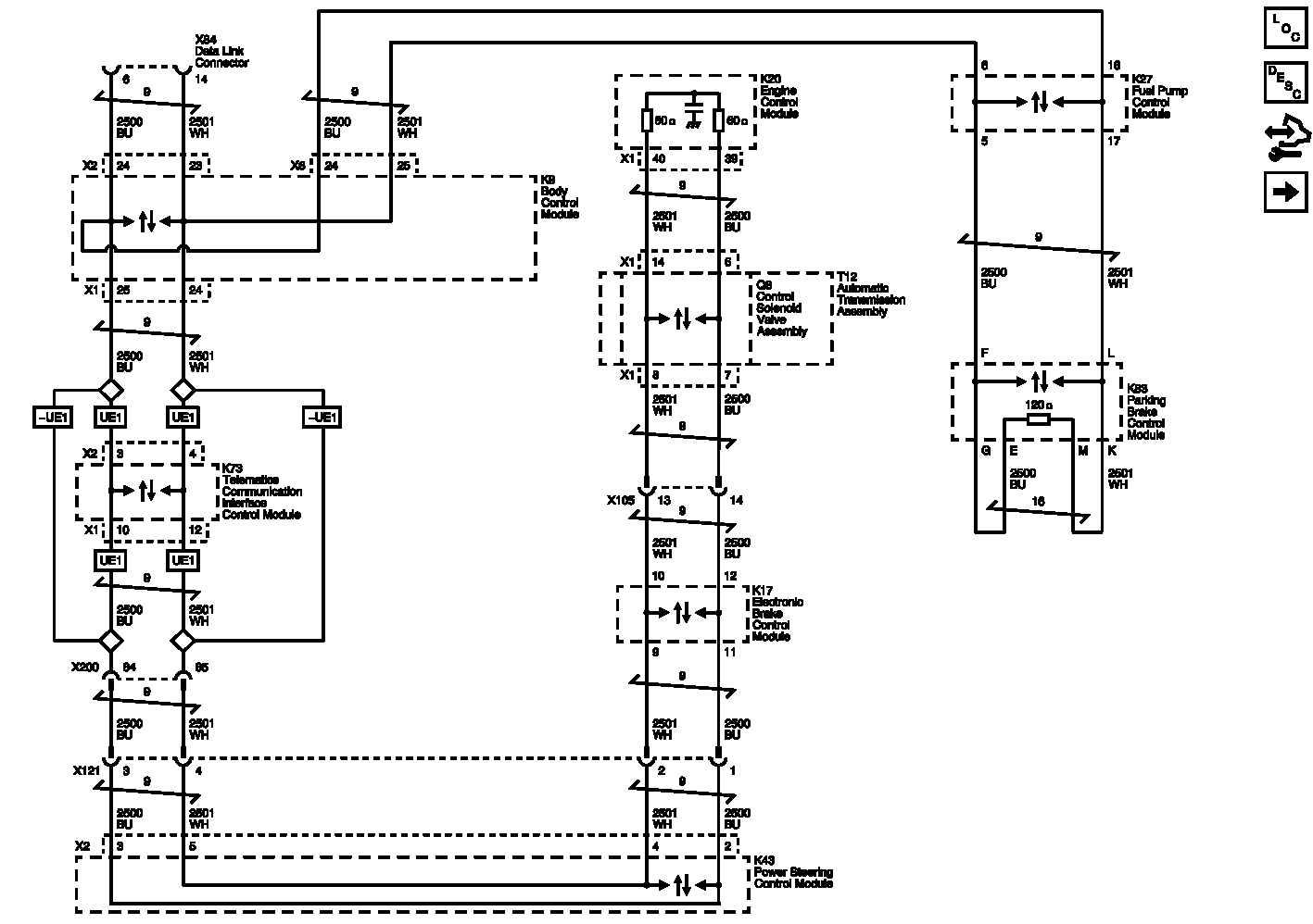
High Speed Bus 1

Fig 1: High Speed Bus 1 Wiring Schematic
GM2690035Courtesy of GENERAL MOTORS COMPANY