LEMON Manuals: Even more car manuals for everyone
Home >> Buick >> 2012 >> Regal Base >> Repair and Diagnosis >> External Pages >> Different car >> Section 368 (Object Detection System - Park Assist System) >> Schematic Wiring Diagrams >> Object Detection Wiring Schematics >> Rearview Camera Wiring Schematic (UVC/CZ2)

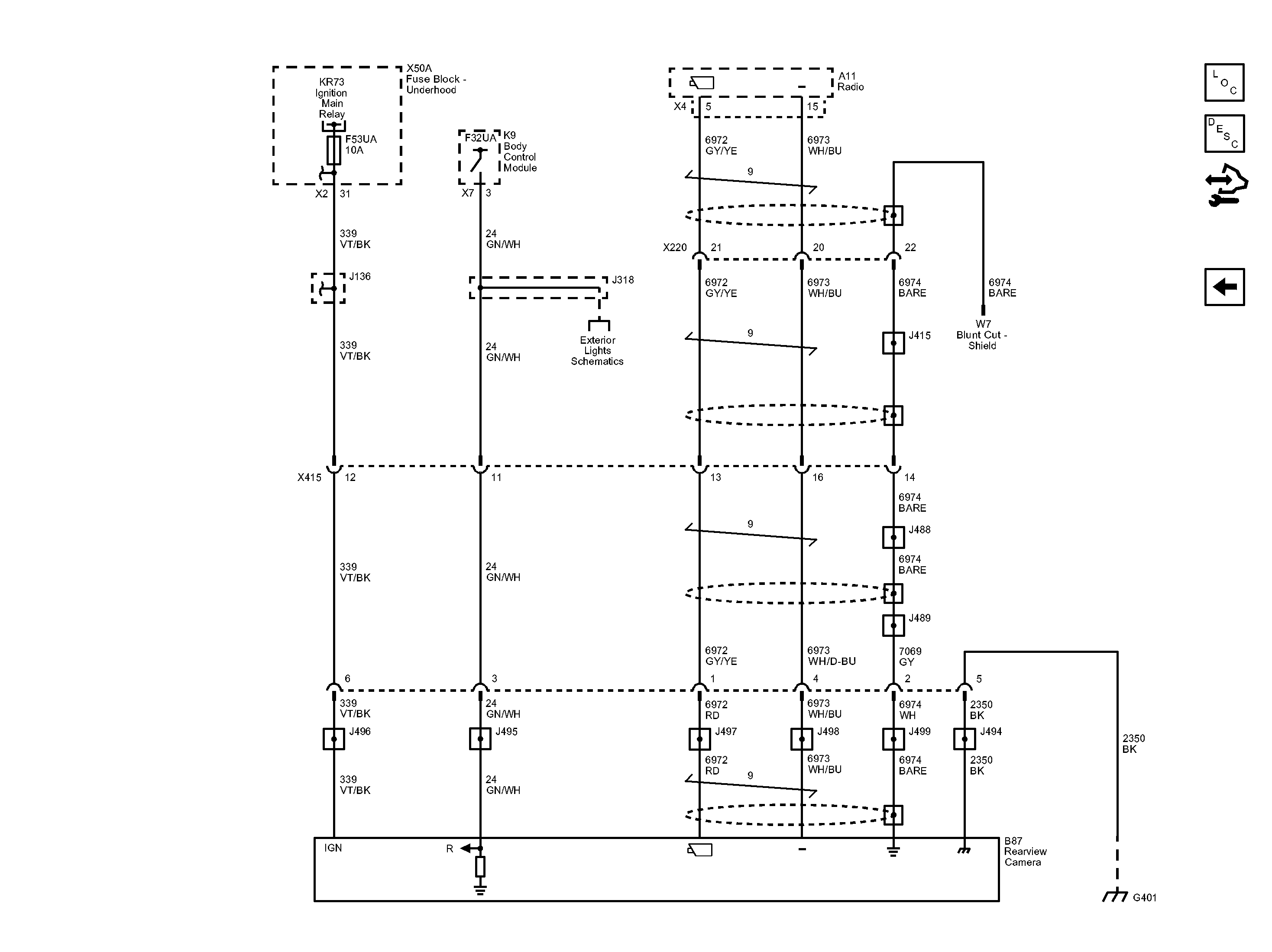
Rearview Camera Wiring Schematic (UVC/CZ2)

WARNING: This page is about a different car, the 2013 Buick Regal. However, it is still accessible from the selected car via links, so may be relevant.
Fig 1: Rearview Camera Wiring Schematic (UVC/CZ2)
GM2899059Courtesy of GENERAL MOTORS COMPANY