LEMON Manuals: Even more car manuals for everyone
Home >> Buick >> 2012 >> Regal Base >> Repair and Diagnosis >> External Pages >> Different car >> Section 324 (Cellular System, Entertainment System, And Navigation System) >> Schematic Wiring Diagrams >> Radio/Navigation System Wiring Schematics >> Auxiliary Inputs (KTA)(-CZ2)

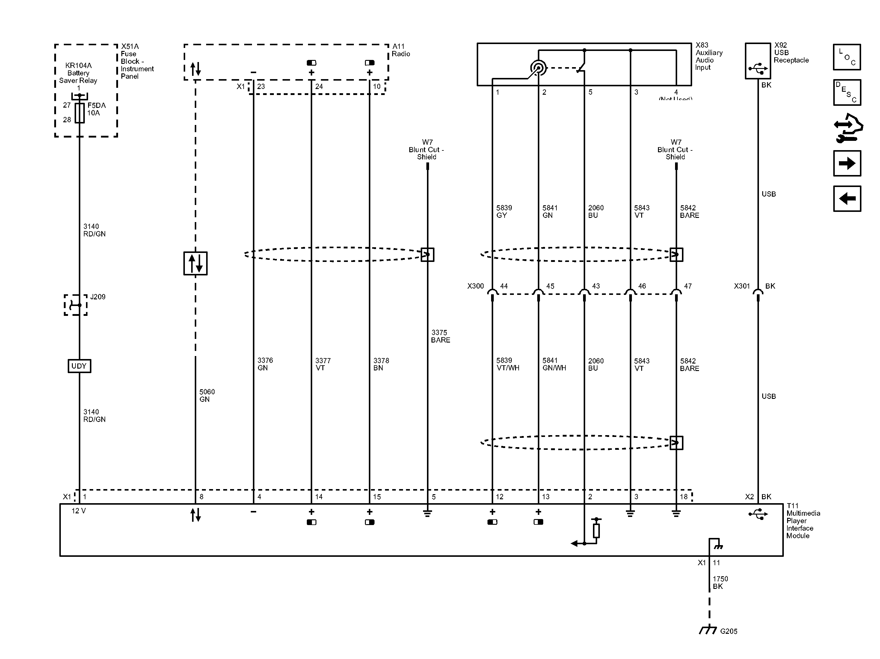
Auxiliary Inputs (KTA)(-CZ2)

WARNING: This page is about a different car, the 2013 Buick Regal. However, it is still accessible from the selected car via links, so may be relevant.
Fig 1: Auxiliary Inputs Wiring Schematic (KTA)(-CZ2)
GM2789683Courtesy of GENERAL MOTORS COMPANY