LEMON Manuals: Even more car manuals for everyone
Home >> Buick >> 2012 >> Regal Base >> Repair and Diagnosis >> External Pages >> Different car >> Section 227 (Cellular System, Entertainment System, And Navigation System) >> Wiring Schematics >> OnStar Schematics

OnStar Schematics

WARNING: This page is about a different car, the 2011 Buick Regal. However, it is still accessible from the selected car via links, so may be relevant.
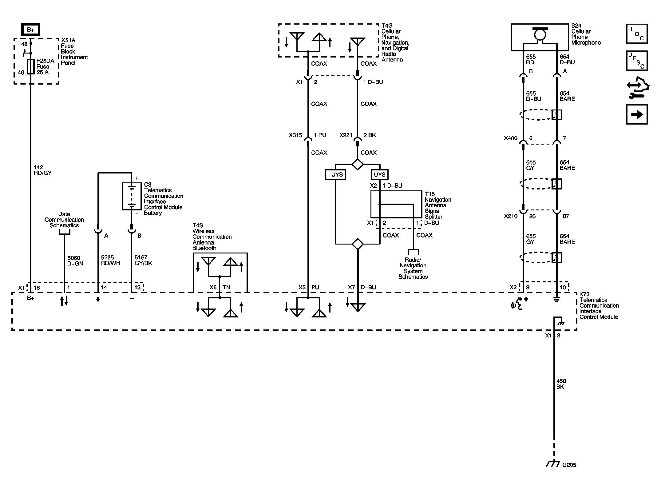
Fig 1: Power, Ground, Serial Data, Antennas And Microphone Wiring Schematic
GM2375507Courtesy of GENERAL MOTORS CORP.
Fig 2: Controls And Outputs Wiring Schematic
GM2375425Courtesy of GENERAL MOTORS CORP.