LEMON Manuals: Even more car manuals for everyone
Home >> Buick >> 2012 >> Regal Base >> Repair and Diagnosis >> Brakes >> Traction Control >> Antilock Brake System >> Wiring Schematics >> Antilock Brake System Wiring Schematics >> Module Power, Ground, Subsystem References and Brake Applied Signal

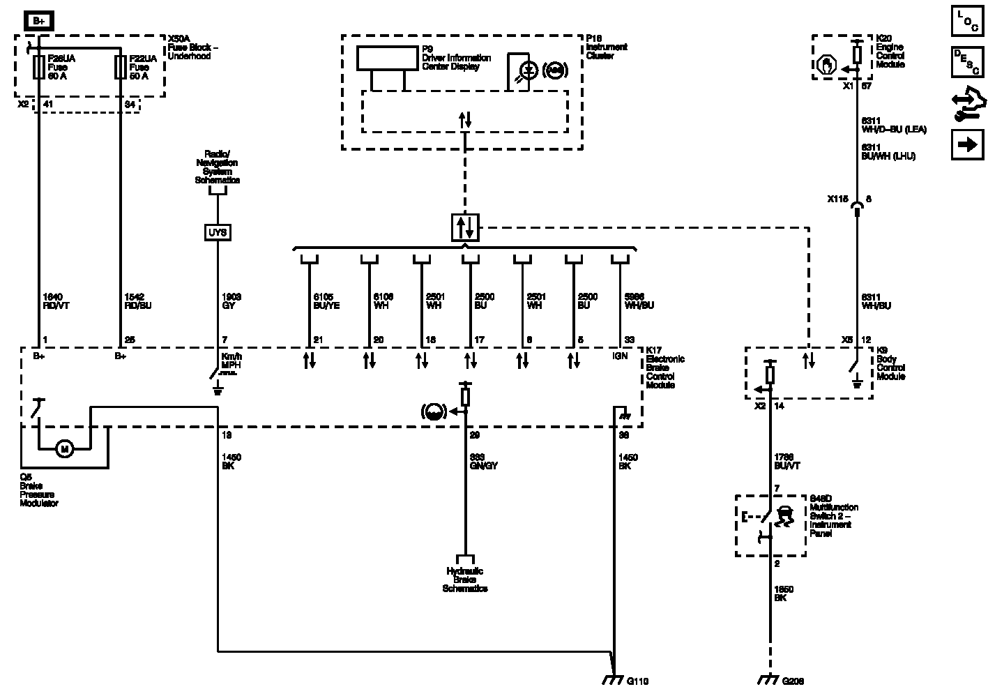
Module Power, Ground, Subsystem References and Brake Applied Signal

Fig 1: Module Power, Ground, Subsystem References and Brake Applied Signal Wiring Schematic
GM2611362Courtesy of GENERAL MOTORS COMPANY