LEMON Manuals: Even more car manuals for everyone
Home >> Buick >> 2012 >> Regal Base >> Repair and Diagnosis >> Accessories & Equipment >> Anti-Theft Systems >> Keyless Entry System And Remote Functions >> Schematic Wiring Diagrams >> Remote Function Wiring Schematics >> Keyless Entry Wiring Schematics

Keyless Entry Wiring Schematics

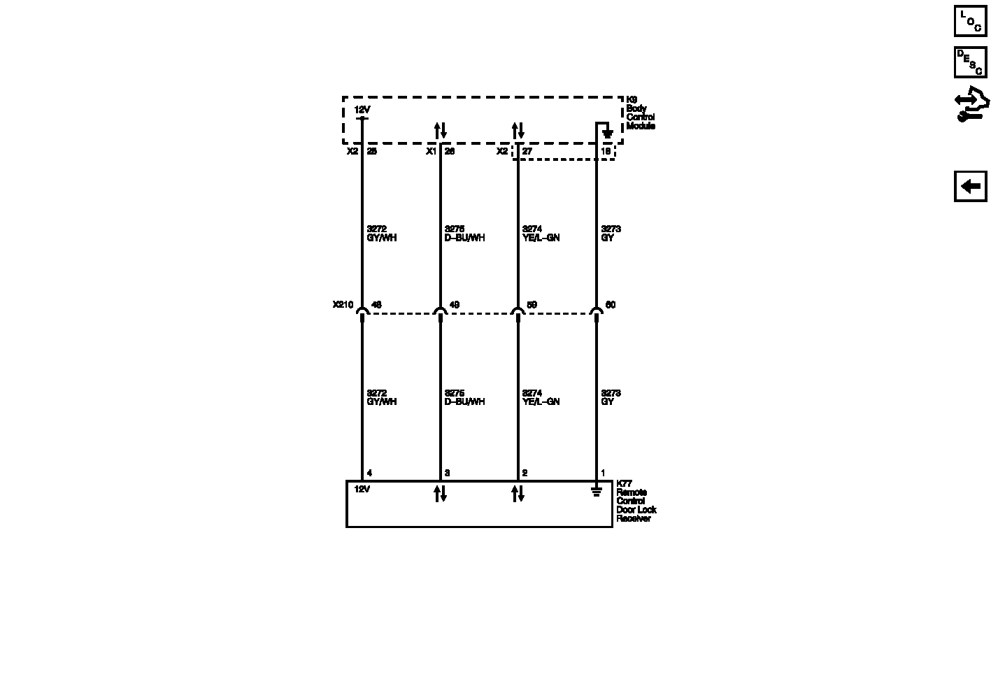
Fig 1: Keyless Entry Wiring Schematic
GM2611899Courtesy of GENERAL MOTORS COMPANY