LEMON Manuals: Even more car manuals for everyone
Home >> Buick >> 2012 >> Enclave AWD >> Repair and Diagnosis >> External Pages >> Different car >> Section 273 (Object Detection System) >> Schematic Wiring Diagrams >> Object Detection Wiring Schematics >> Power, Ground and Serial Data (UGN/UVZ)

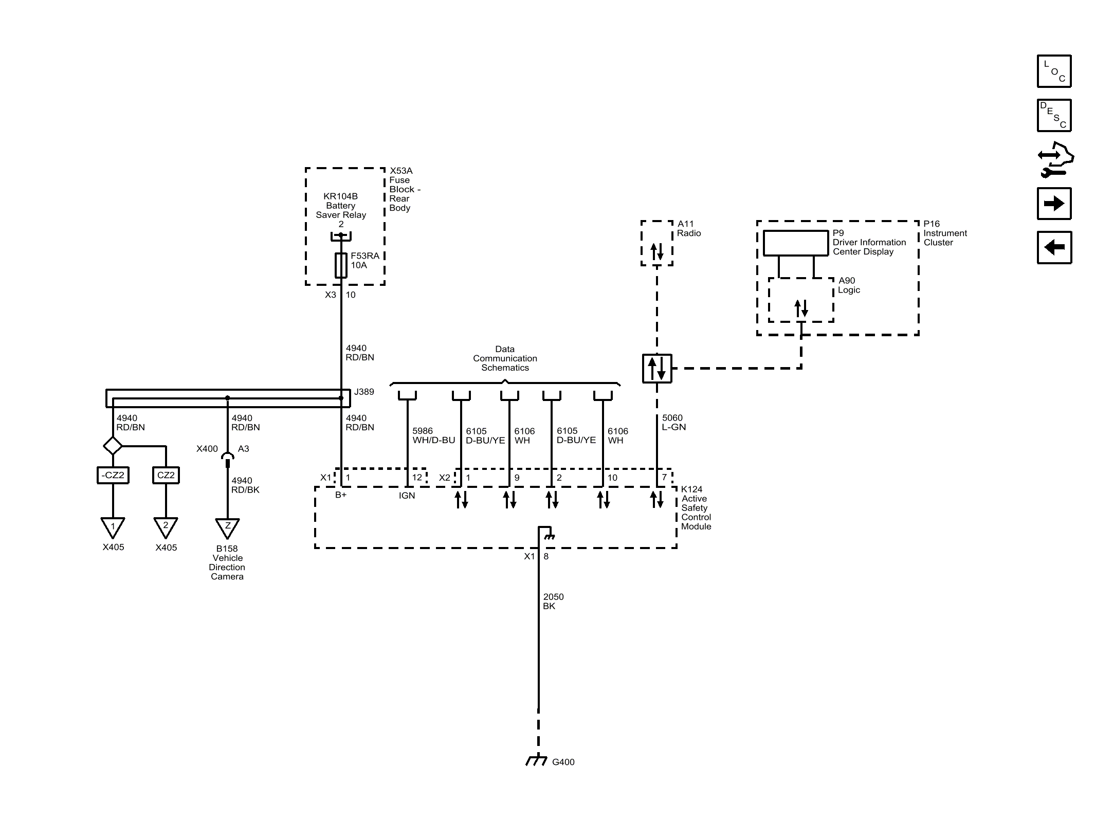
Power, Ground and Serial Data (UGN/UVZ)

WARNING: This page is about a different car, the 2015 Cadillac SRX. However, it is still accessible from the selected car via links, so may be relevant.
Fig 1: Power, Ground and Serial Data (UGN/UVZ)
GM3755231Courtesy of GENERAL MOTORS COMPANY