LEMON Manuals: Even more car manuals for everyone
Home >> Buick >> 2012 >> Enclave AWD >> Repair and Diagnosis >> External Pages >> Different car >> Section 146 (Cellular System, Entertainment System, And Navigation System) >> Schematic and Routing Diagrams >> Radio/Navigation System Schematics >> Power, Ground, Serial Data, Antennas, Lighting, And Vehicle Speed Signal

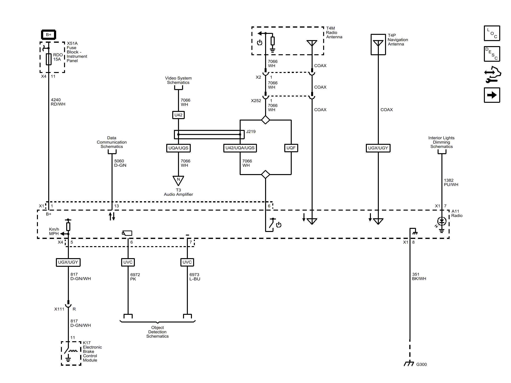
Power, Ground, Serial Data, Antennas, Lighting, And Vehicle Speed Signal

WARNING: This page is about a different car, the 2013 GMC Acadia, 2013 Chevrolet Traverse, and 2013 Buick Enclave. However, it is still accessible from the selected car via links, so may be relevant.
Fig 1: Power, Ground, Serial Data, Antennas, Lighting And Vehicle Speed Signal Wiring Schematic
GM2867216Courtesy of GENERAL MOTORS COMPANY