LEMON Manuals: Even more car manuals for everyone
Home >> Buick >> 2012 >> Enclave AWD >> Repair and Diagnosis (Single Page) >> Accessories & Equipment >> Drivers Assistance Systems - ADAS >> Object Detection System - Park Assist System >> Schematic Wiring Diagrams >> Object Detection Wiring Schematics >> Rear Vision Camera (UVC)

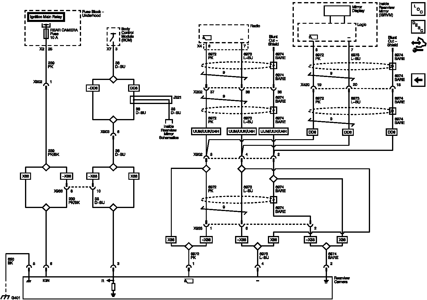
Rear Vision Camera (UVC)

Fig 1: Rear Vision Camera (UVC) Wiring Schematic
GM2567792Courtesy of GENERAL MOTORS COMPANY