LEMON Manuals: Even more car manuals for everyone
Home >> Buick >> 2010 >> Lucerne Super >> Repair and Diagnosis >> Engine Performance >> System >> Data Communication System >> Schematic and Routing Diagrams >> Body Control System Schematics

Body Control System Schematics

Fig 1: BCM Power, Ground and DLC
GM2228028Courtesy of GENERAL MOTORS CORP.
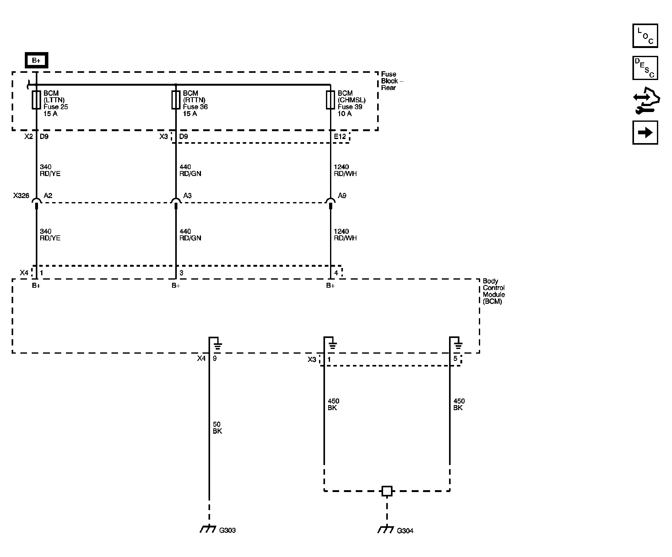
Fig 2: BCM Inputs and Outputs 1 of 4
GM2228029Courtesy of GENERAL MOTORS CORP.
Fig 3: BCM Inputs and Outputs 2 of 4
GM2228030Courtesy of GENERAL MOTORS CORP.
Fig 4: BCM Inputs and Outputs 3 of 4
GM2228031Courtesy of GENERAL MOTORS CORP.
Fig 5: BCM Inputs and Outputs 4 of 4
GM2228035Courtesy of GENERAL MOTORS CORP.