LEMON Manuals: Even more car manuals for everyone
Home >> Buick >> 2010 >> Lucerne Super >> Repair and Diagnosis >> Accessories & Equipment >> Infotainment >> Cellular Systems, Entertainment Systems & Navigation Systems >> Schematic and Routing Diagrams >> Radio/Navigation System Schematics

Radio/Navigation System Schematics

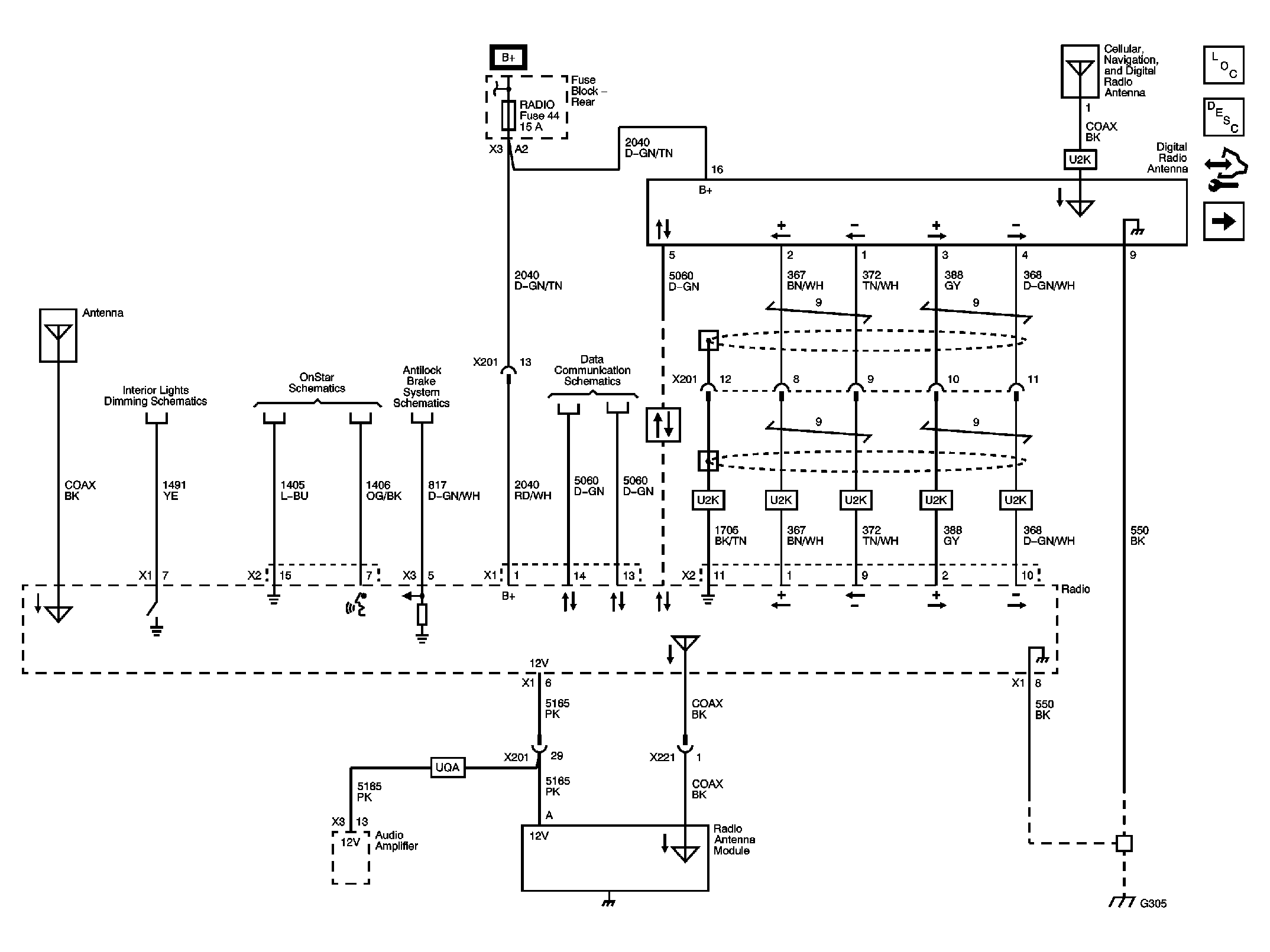
Fig 1: Radio Power and Ground
GM2227853Courtesy of GENERAL MOTORS CORP.
Fig 2: Amplifier (UQA)
GM2227854Courtesy of GENERAL MOTORS CORP.
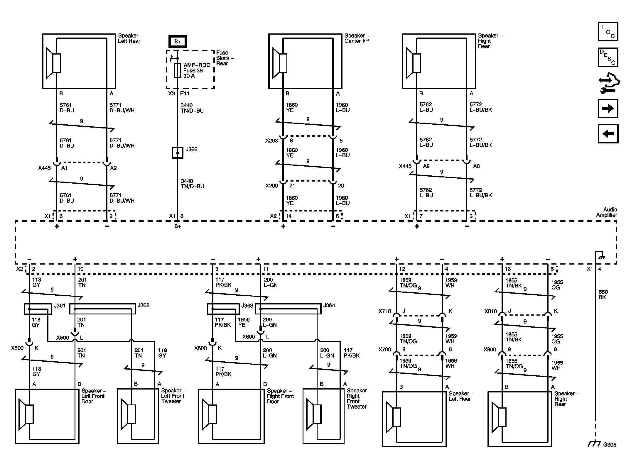
Fig 3: Speakers (UQA)
GM2227870Courtesy of GENERAL MOTORS CORP.
Fig 4: Speakers (UQ3)
GM2227872Courtesy of GENERAL MOTORS CORP.
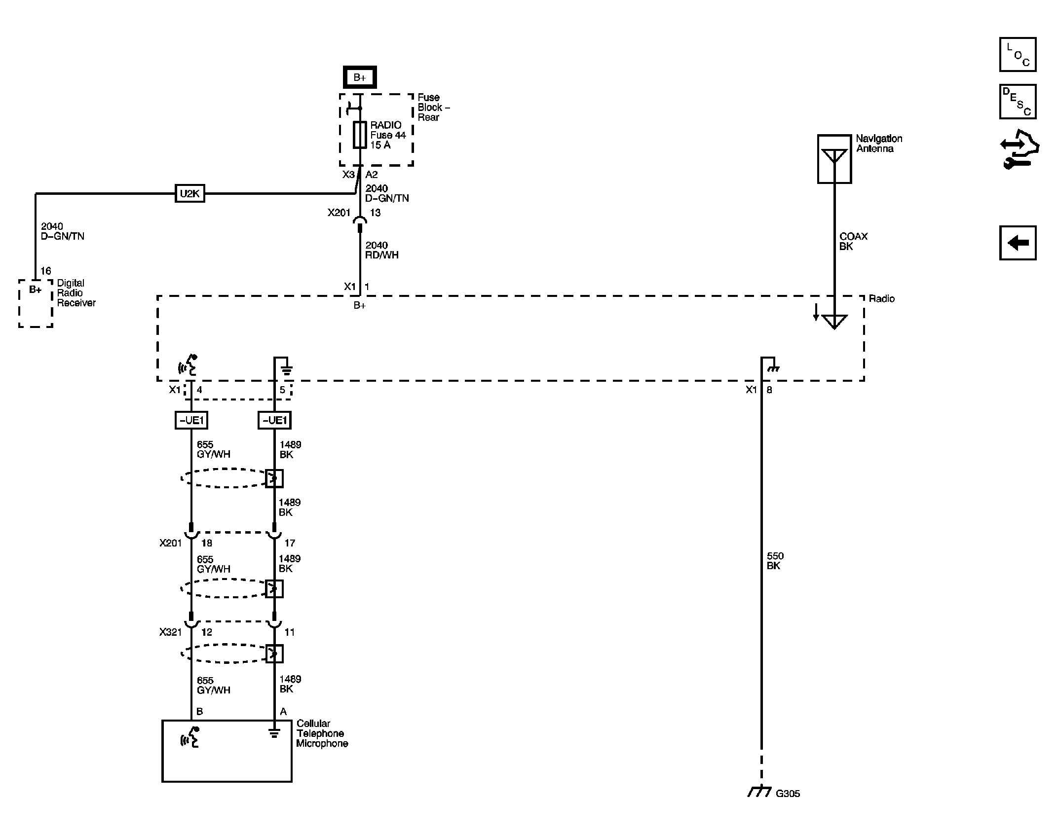
Fig 5: Radio (without UE1)
GM2227876Courtesy of GENERAL MOTORS CORP.