LEMON Manuals: Even more car manuals for everyone
Home >> Buick >> 2010 >> Lucerne Super >> Repair and Diagnosis >> Accessories & Equipment >> Drivers Assistance Systems - ADAS >> Object Detection System >> Schematic and Routing Diagrams >> Object Detection Schematics

Object Detection Schematics

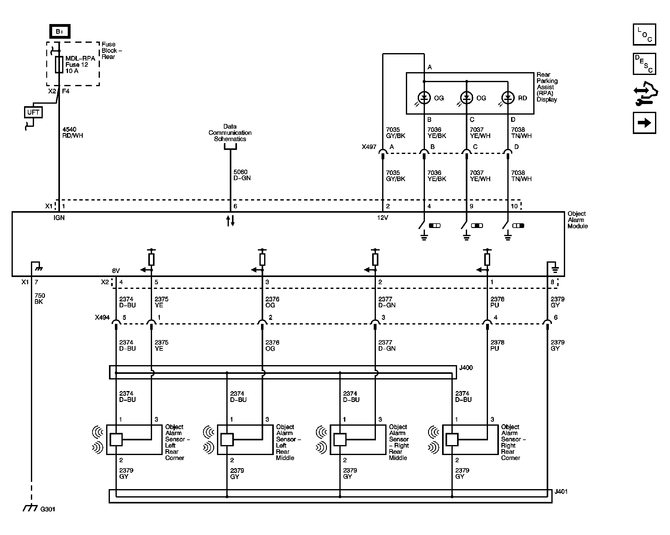
Fig 1: Rear Park Assist (UD7)
GM2228242Courtesy of GENERAL MOTORS CORP.
Fig 2: Lane Departure Warning (UFL)
GM2228247Courtesy of GENERAL MOTORS CORP.
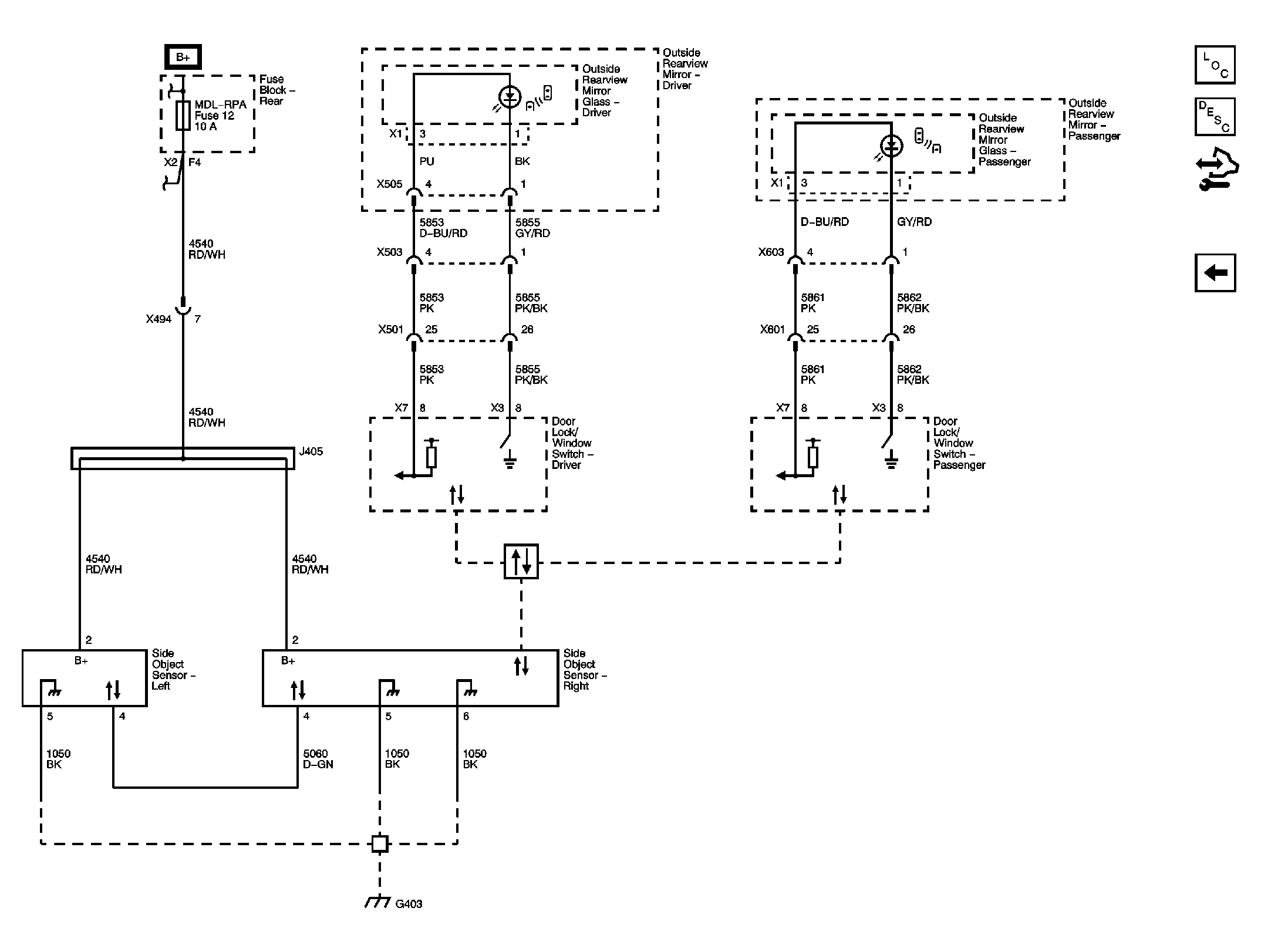
Fig 3: Side Object Detection (UFT)
GM2228251Courtesy of GENERAL MOTORS CORP.