LEMON Manuals: Even more car manuals for everyone
Home >> Buick >> 2010 >> LaCrosse CXS >> Repair and Diagnosis >> Accessories & Equipment >> Drivers Assistance Systems - ADAS >> Object Detection System >> Schematic and Routing Diagrams >> Object Detection Schematics

Object Detection Schematics

Fig 1: Side Object Detection
GM2205189Courtesy of GENERAL MOTORS CORP.
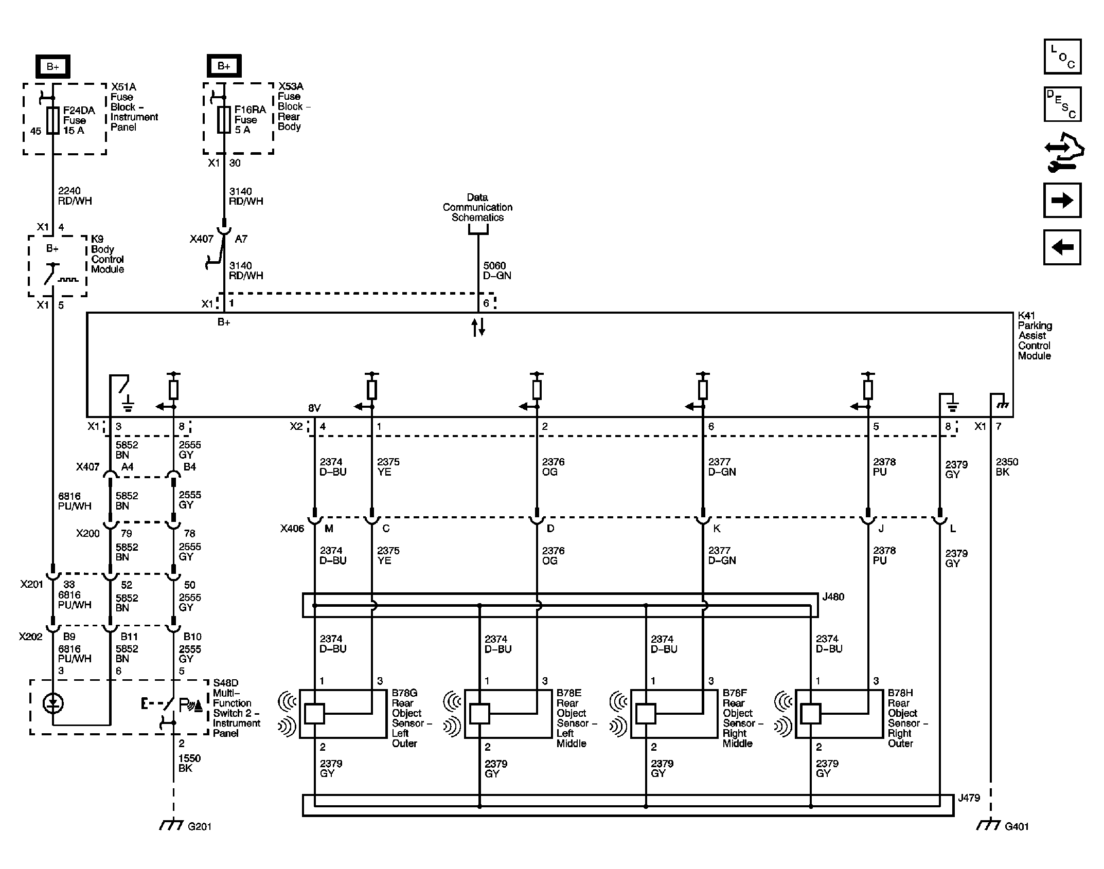
Fig 2: Rear Object Detection
GM2205173Courtesy of GENERAL MOTORS CORP.
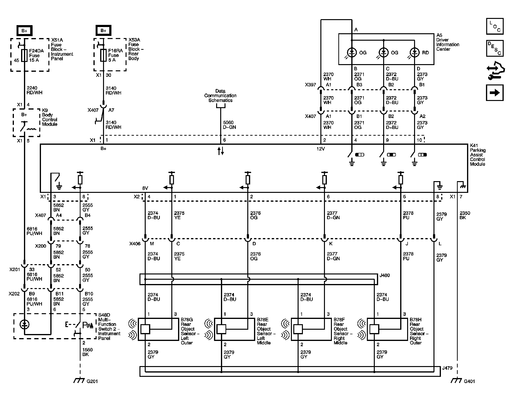
Fig 3: Rear Object Detection (Early Production)
GM2293275Courtesy of GENERAL MOTORS CORP.
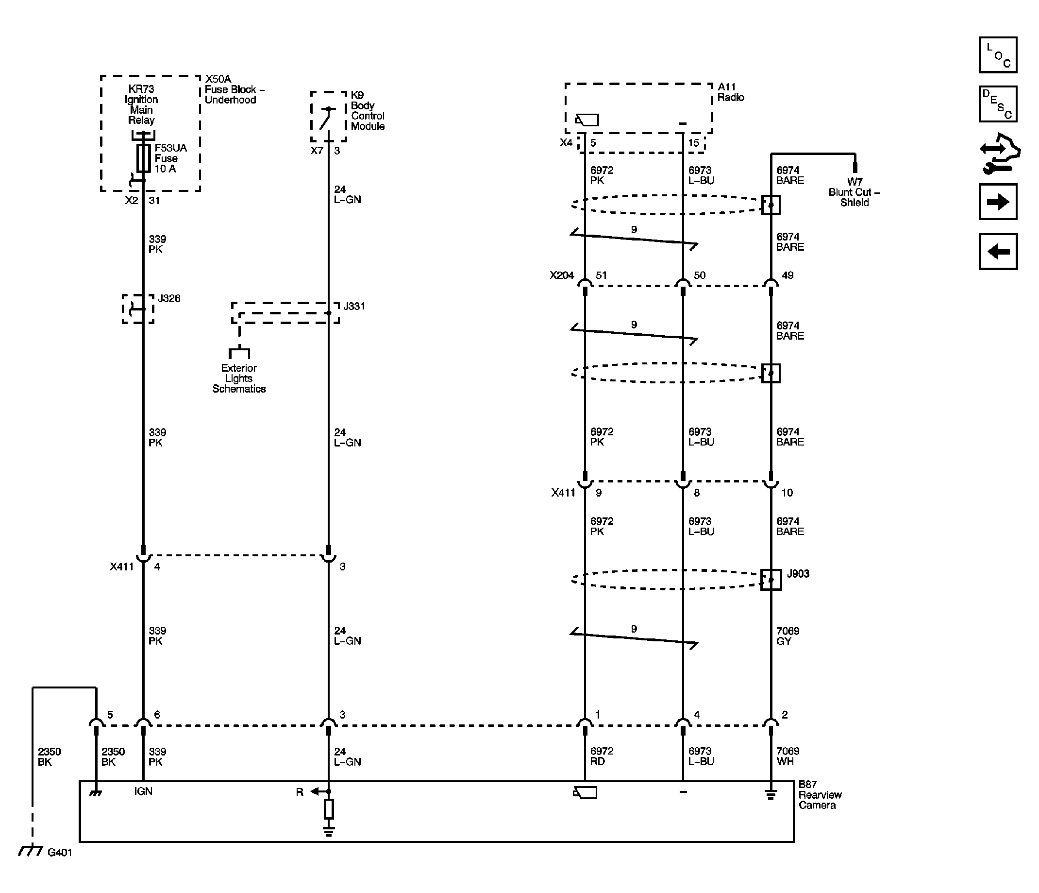
Fig 4: Rear Vision Camera (UVC)
GM2205183Courtesy of GENERAL MOTORS CORP.
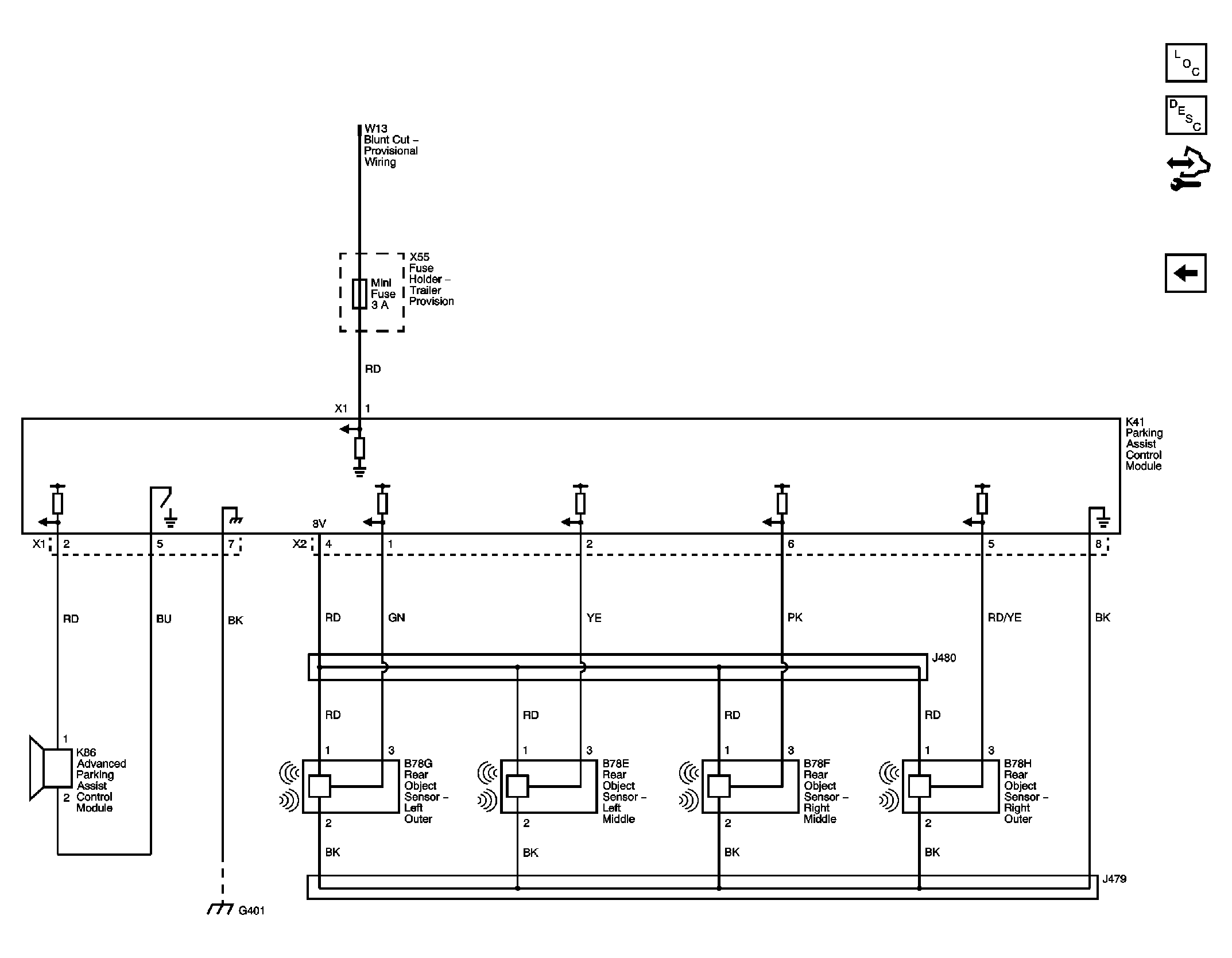
Fig 5: Rear Parking Assist Kit (SPO Accessory)
GM2280032Courtesy of GENERAL MOTORS CORP.