LEMON Manuals: Even more car manuals for everyone
Home >> Buick >> 2009 >> Lucerne Super >> Repair and Diagnosis >> External Pages >> Different car >> Section 130 (Antilock Brake System With Traction Control System & Stability Control System) >> Schematic and Routing Diagrams >> Antilock Brake System Schematics

Antilock Brake System Schematics

WARNING: This page is about a different car, the 2010 Cadillac DTS. However, it is still accessible from the selected car via links, so may be relevant.
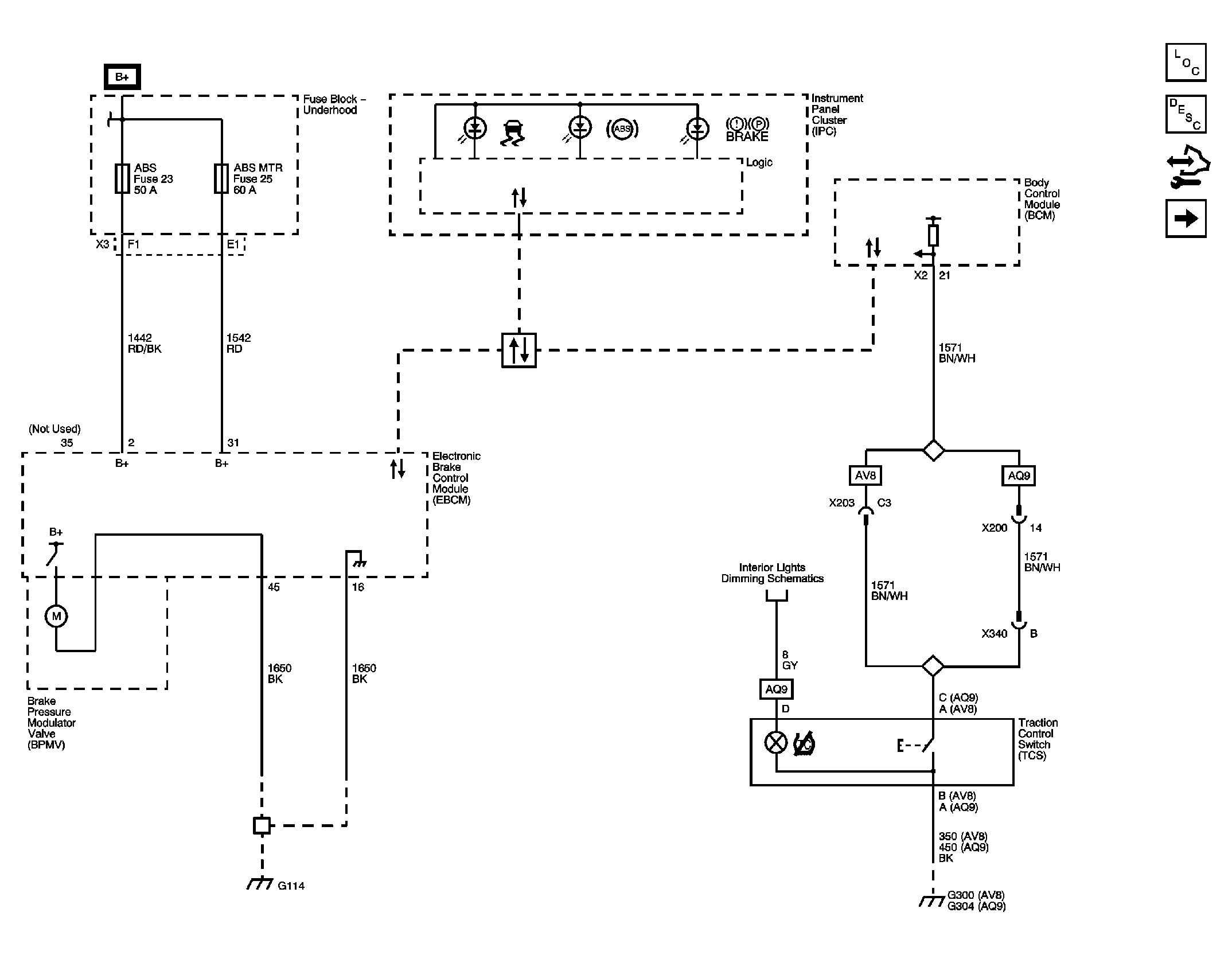
Fig 1: Power, Ground, and Communication
GM2227466Courtesy of GENERAL MOTORS CORP.
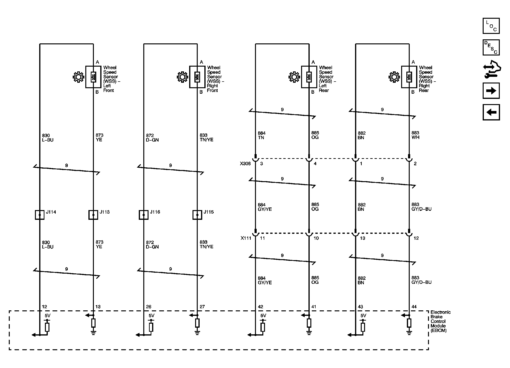
Fig 2: Wheel Speed Sensors
GM2227467Courtesy of GENERAL MOTORS CORP.
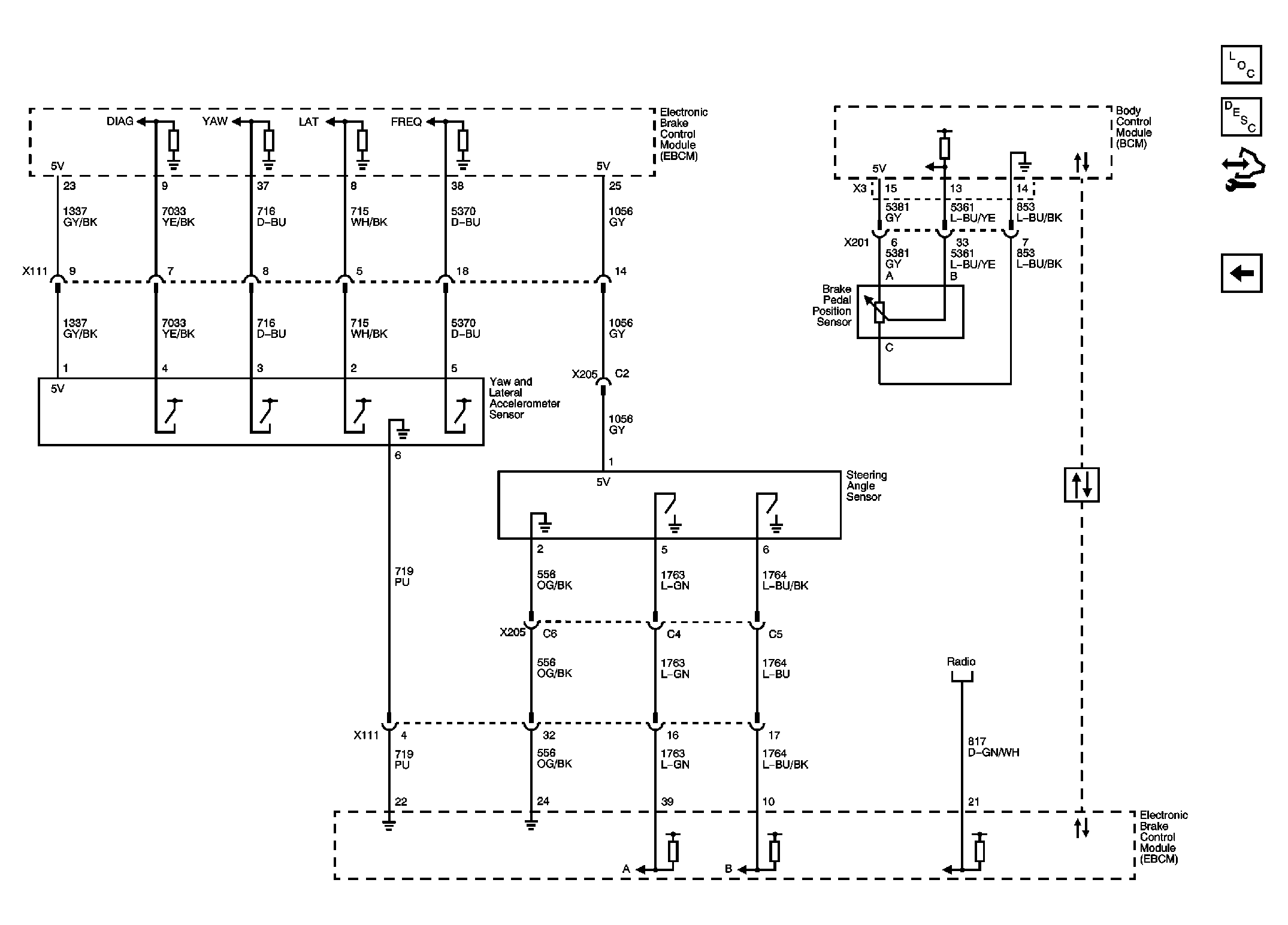
Fig 3: Yaw and Lateral Acceleration, and Steering Angle Sensors
GM2227468Courtesy of GENERAL MOTORS CORP.