LEMON Manuals: Even more car manuals for everyone
Home >> Buick >> 2009 >> Lucerne Super >> Repair and Diagnosis >> External Pages >> Different car >> Section 111 (Cellular Systems, Entertainment Systems & Navigation Systems) >> Schematic and Routing Diagrams >> Radio/Navigation System Schematics

Radio/Navigation System Schematics

WARNING: This page is about a different car, the 2010 Cadillac DTS. However, it is still accessible from the selected car via links, so may be relevant.
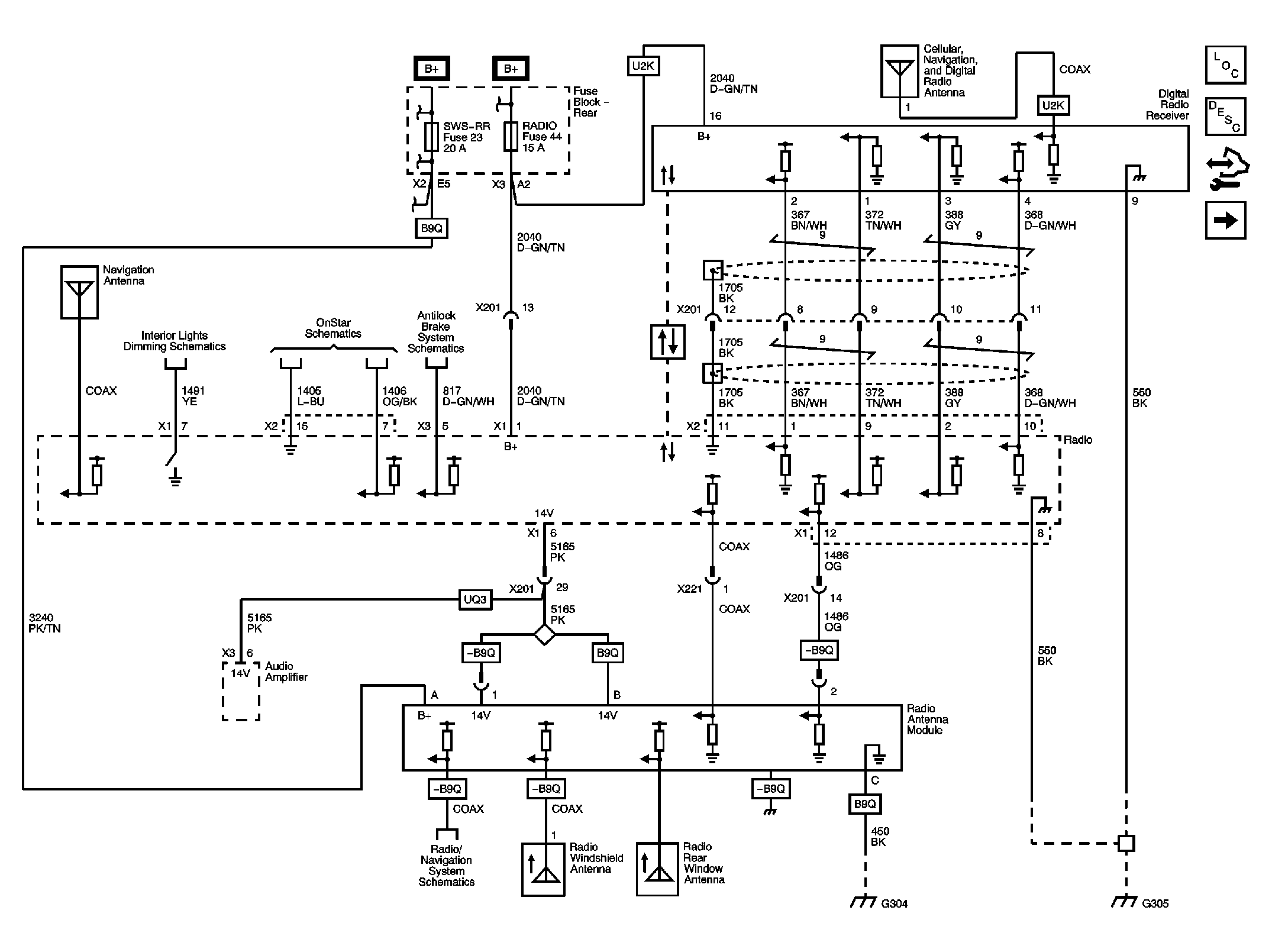
Fig 1: Radio Power and Ground
GM2227615Courtesy of GENERAL MOTORS CORP.
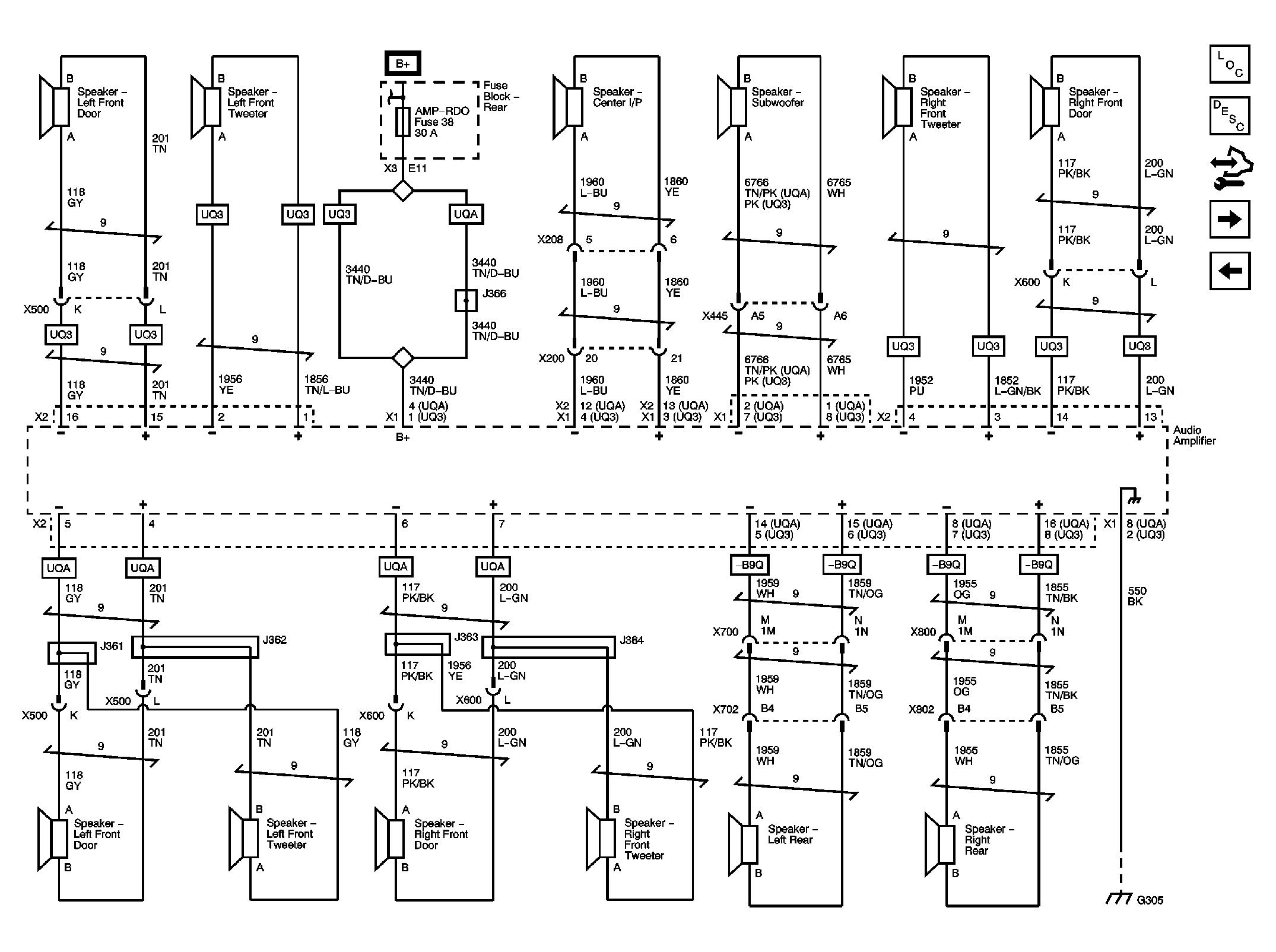
Fig 2: Amplifier
GM2227618Courtesy of GENERAL MOTORS CORP.
Fig 3: Speakers
GM2227624Courtesy of GENERAL MOTORS CORP.
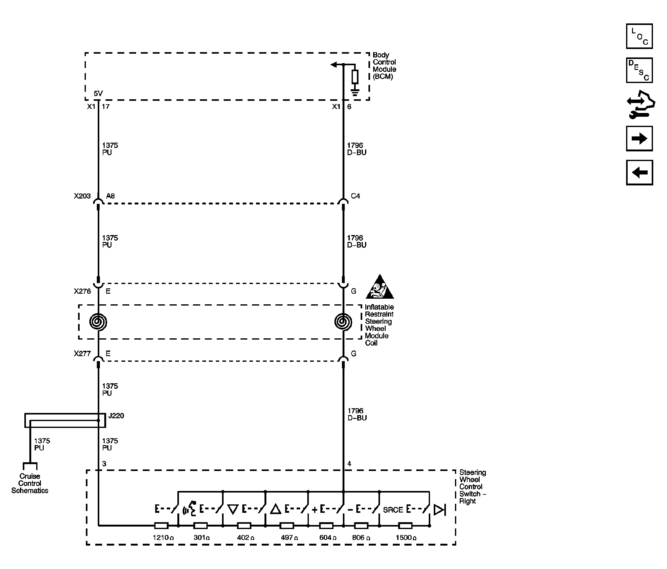
Fig 4: Redundant Steering Wheel Controls
GM2227628Courtesy of GENERAL MOTORS CORP.
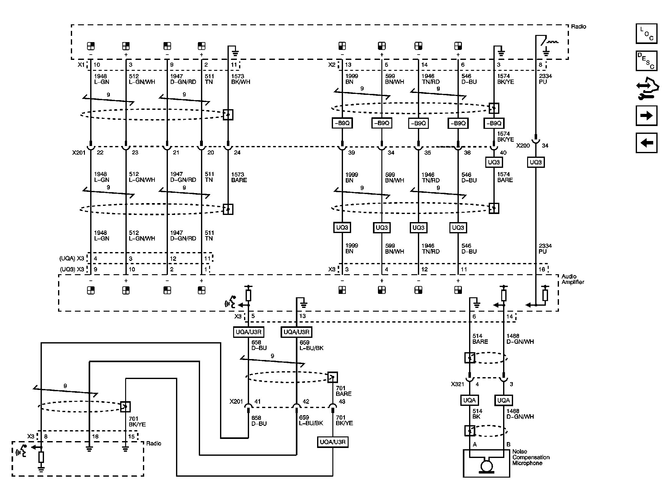
Fig 5: Radio (without UE1)
GM2227633Courtesy of GENERAL MOTORS CORP.