LEMON Manuals: Even more car manuals for everyone
Home >> Buick >> 2009 >> Lucerne Super >> Repair and Diagnosis >> Body & Frame >> Door Locks >> Keyless Entry System And Remote Functions >> Schematic and Routing Diagrams >> Remote Function Schematics

Remote Function Schematics

Fig 1: Garage Door Opener
GM2081768Courtesy of GENERAL MOTORS CORP.
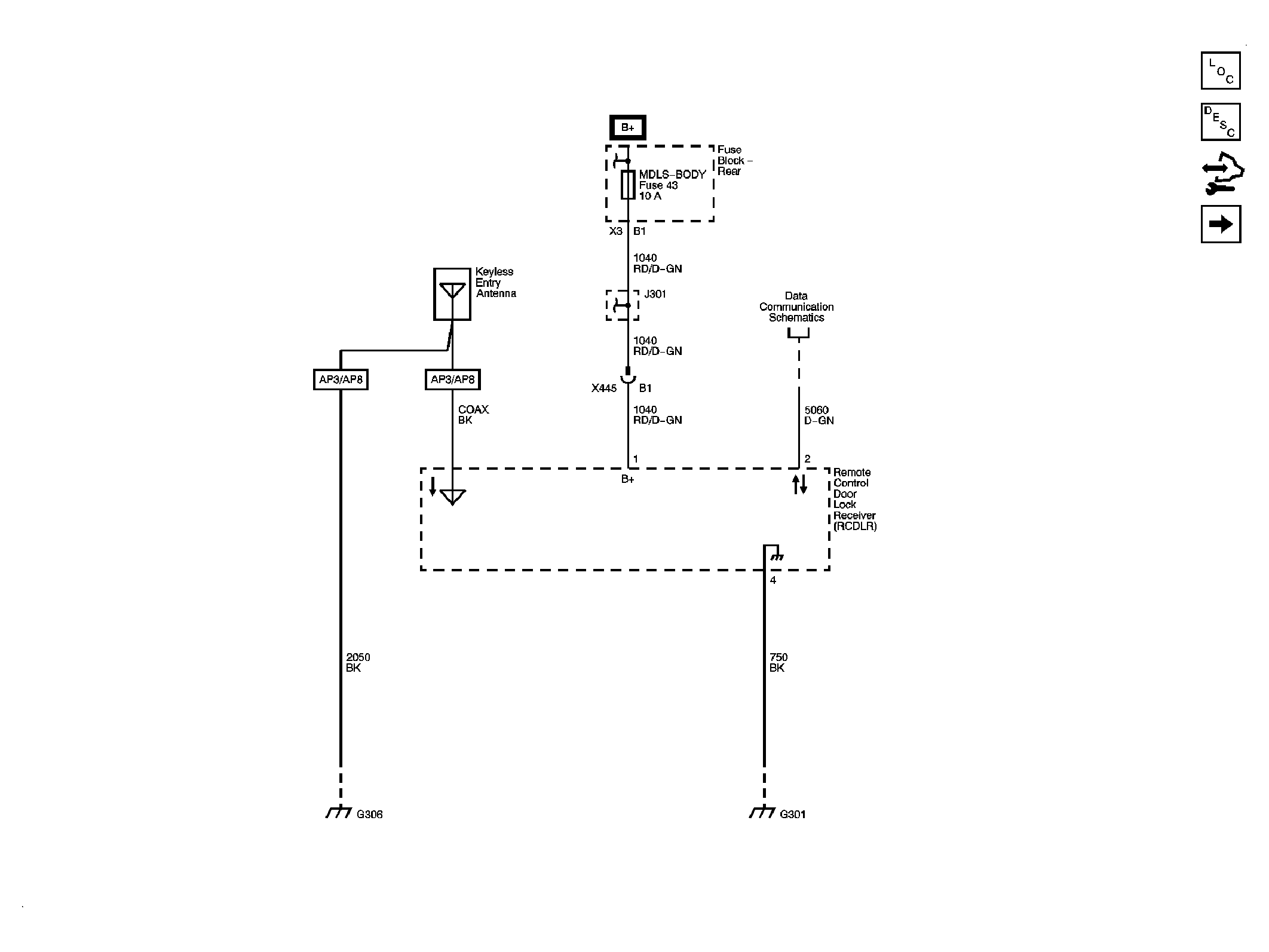
Fig 2: Remote Control Door Lock Receiver (RCDLR)
GM2081773Courtesy of GENERAL MOTORS CORP.
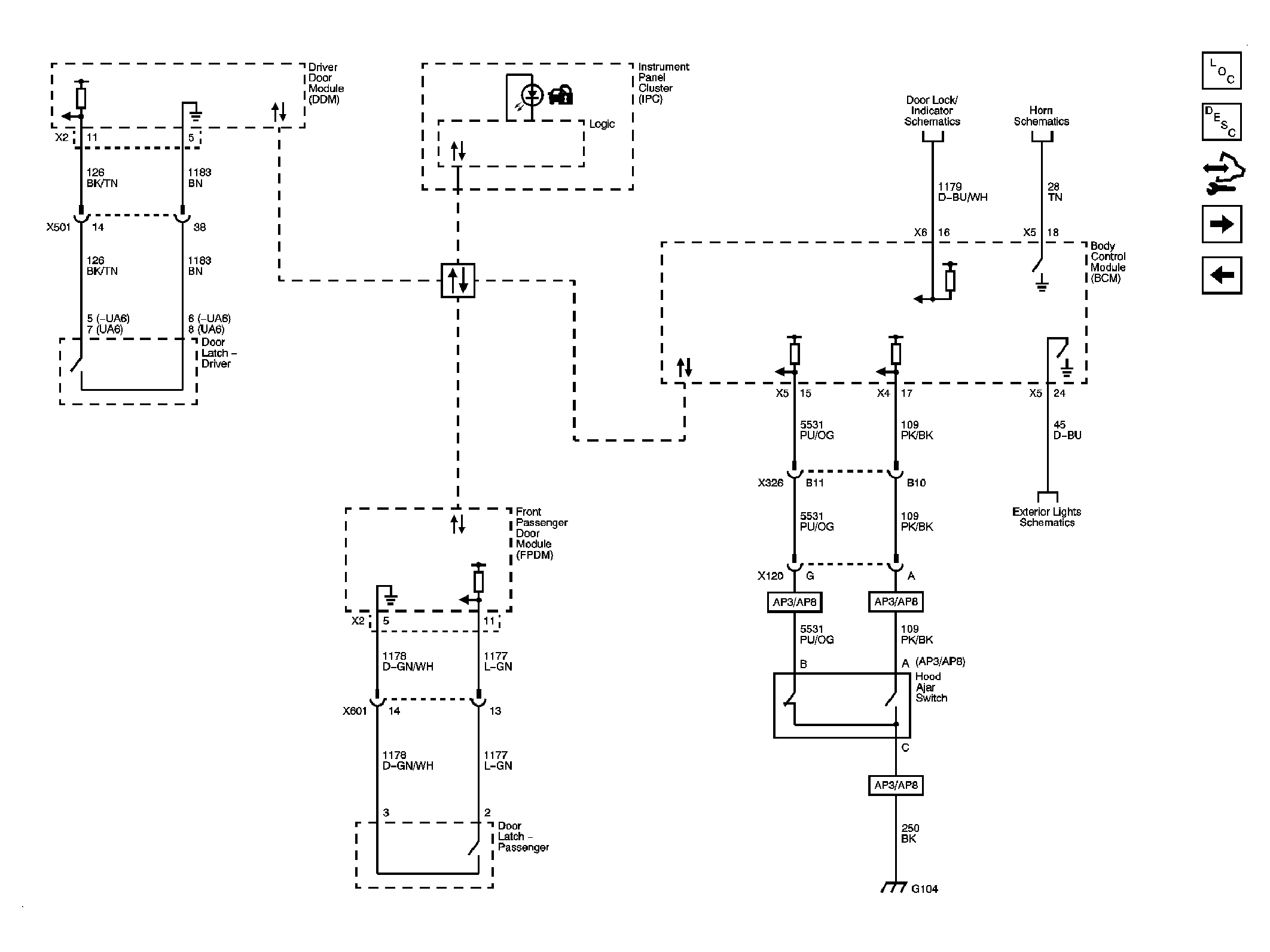
Fig 3: Door Latch Assemblies and Hood Ajar Switch
GM2081777Courtesy of GENERAL MOTORS CORP.