LEMON Manuals: Even more car manuals for everyone
Home >> Buick >> 2009 >> Lucerne Super >> Repair and Diagnosis >> Accessories & Equipment >> Infotainment >> Cellular System, Entertainment System & Navigation System >> Schematic and Routing Diagrams >> Radio/Navigation System Schematics

Radio/Navigation System Schematics

Fig 1: Radio Power and Ground
GM2081256Courtesy of GENERAL MOTORS CORP.
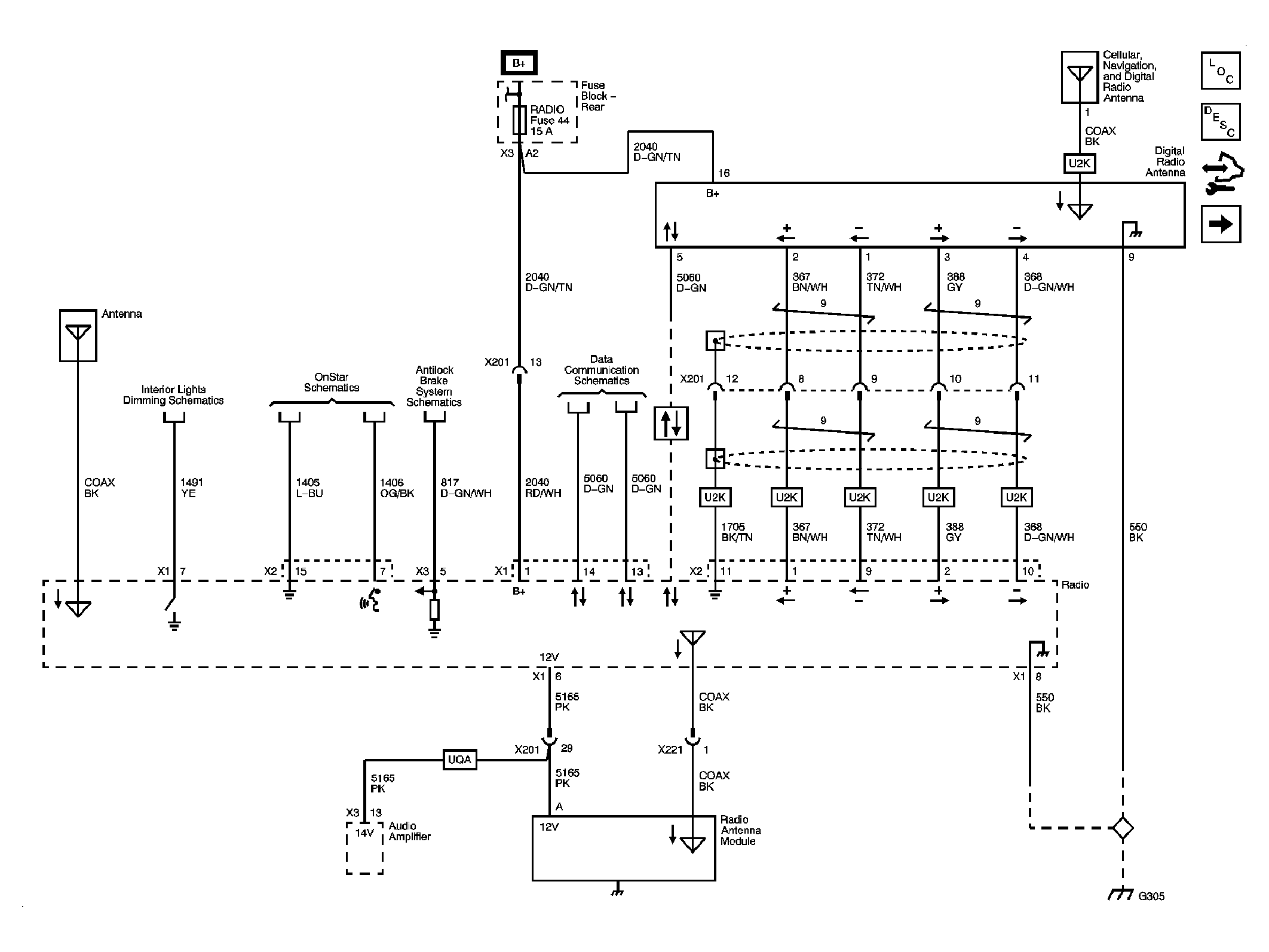
Fig 2: Amplifier (UQA)
GM2081260Courtesy of GENERAL MOTORS CORP.
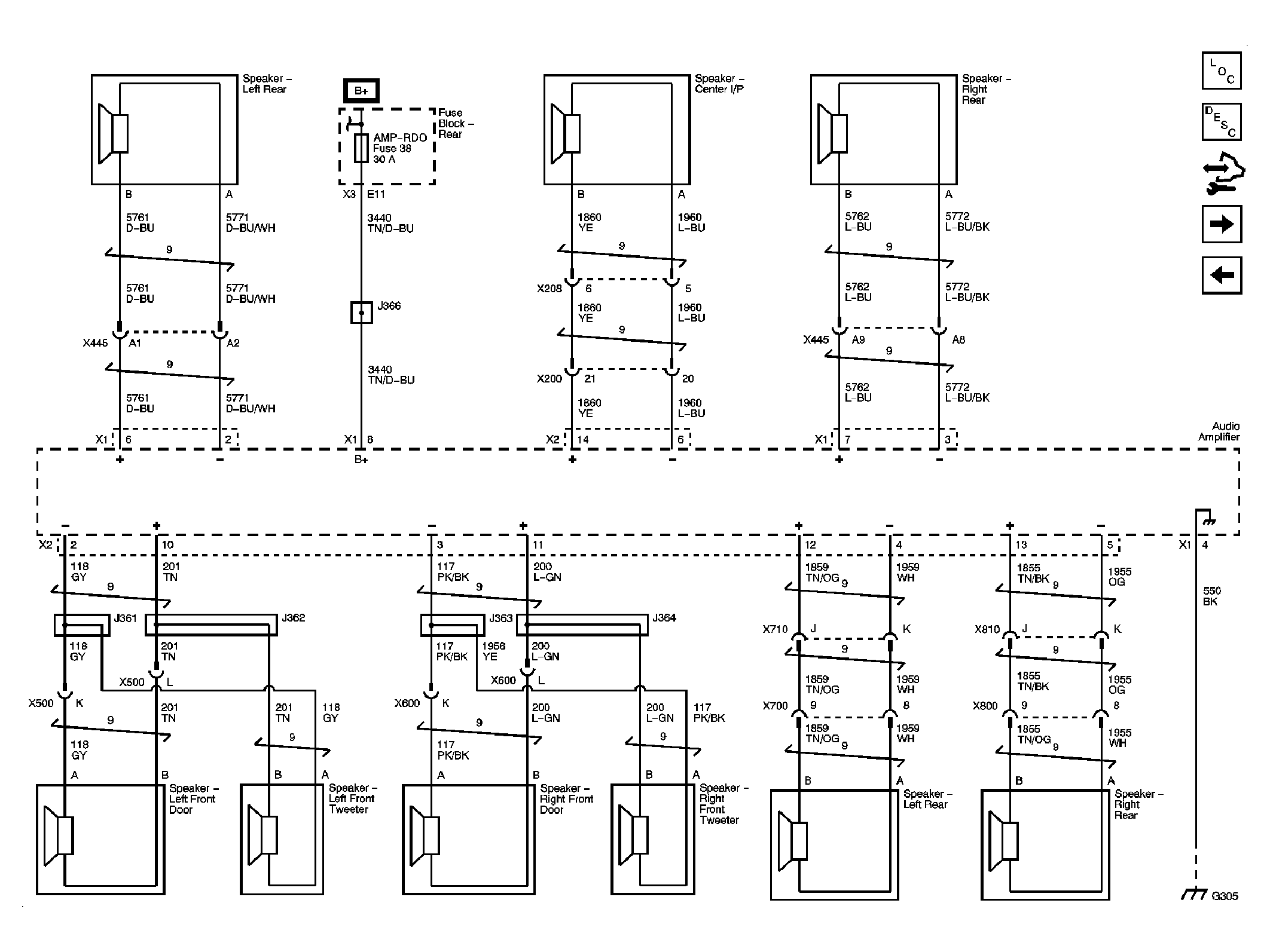
Fig 3: Speakers (UQA)
GM2081262Courtesy of GENERAL MOTORS CORP.
Fig 4: Speakers (UQ3)
GM2081263Courtesy of GENERAL MOTORS CORP.
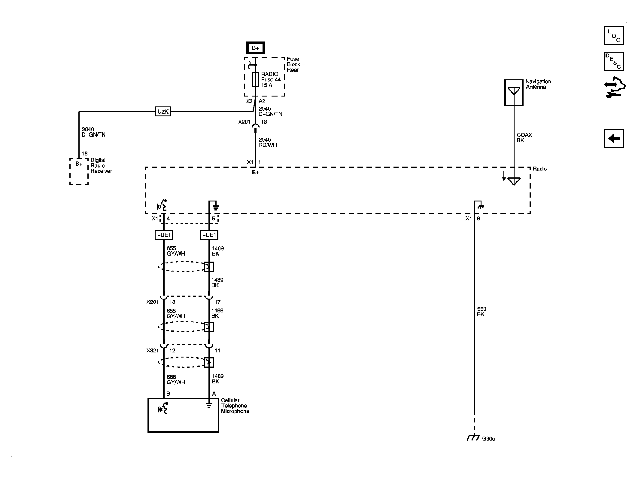
Fig 5: Radio (without UE1)
GM2081265Courtesy of GENERAL MOTORS CORP.