LEMON Manuals: Even more car manuals for everyone
Home >> Buick >> 2009 >> Allure Super >> Repair and Diagnosis >> Transmission >> Automatic Trans >> Shift Interlock System >> Schematic and Routing Diagrams >> Shift Lock Control Schematics

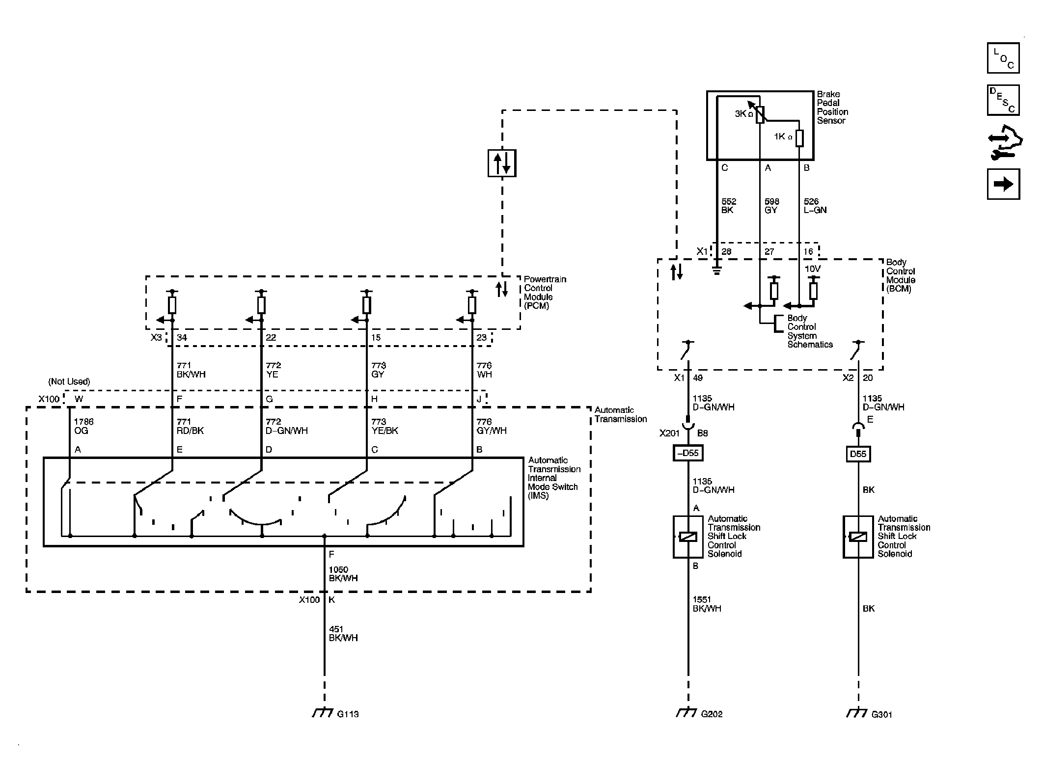
Shift Lock Control Schematics

Fig 1: Shift Lock Control Schematic (1 Of 2)
GM2082323Courtesy of GENERAL MOTORS CORP.
Fig 2: Shift Lock Control Schematic (2 Of 2)
GM2082327Courtesy of GENERAL MOTORS CORP.