LEMON Manuals: Even more car manuals for everyone
Home >> Buick >> 2009 >> Allure Super >> Repair and Diagnosis >> External Pages >> Different variant/trim >> Section 2 (Engine Control System & Fuel System - 3.8L - Introduction) >> Schematic and Routing Diagrams >> Engine Controls Schematics

Engine Controls Schematics

WARNING: This page is about a different variant/trim than selected.
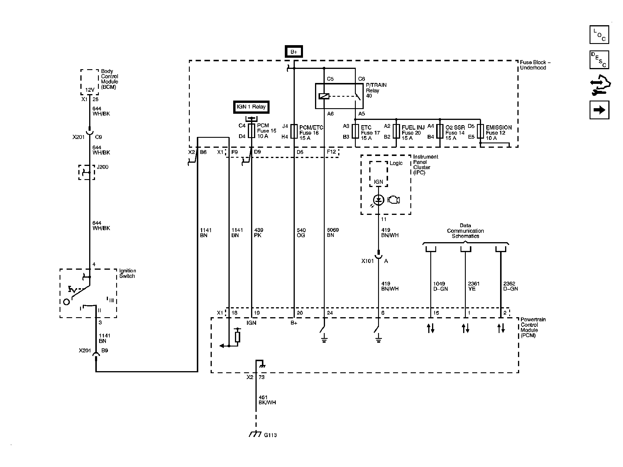
Fig 1: Module Power, Ground, Serial Data, and MIL
GM2081430Courtesy of GENERAL MOTORS CORP.
Fig 2: 5-Volt and Low Reference
GM2081434Courtesy of GENERAL MOTORS CORP.
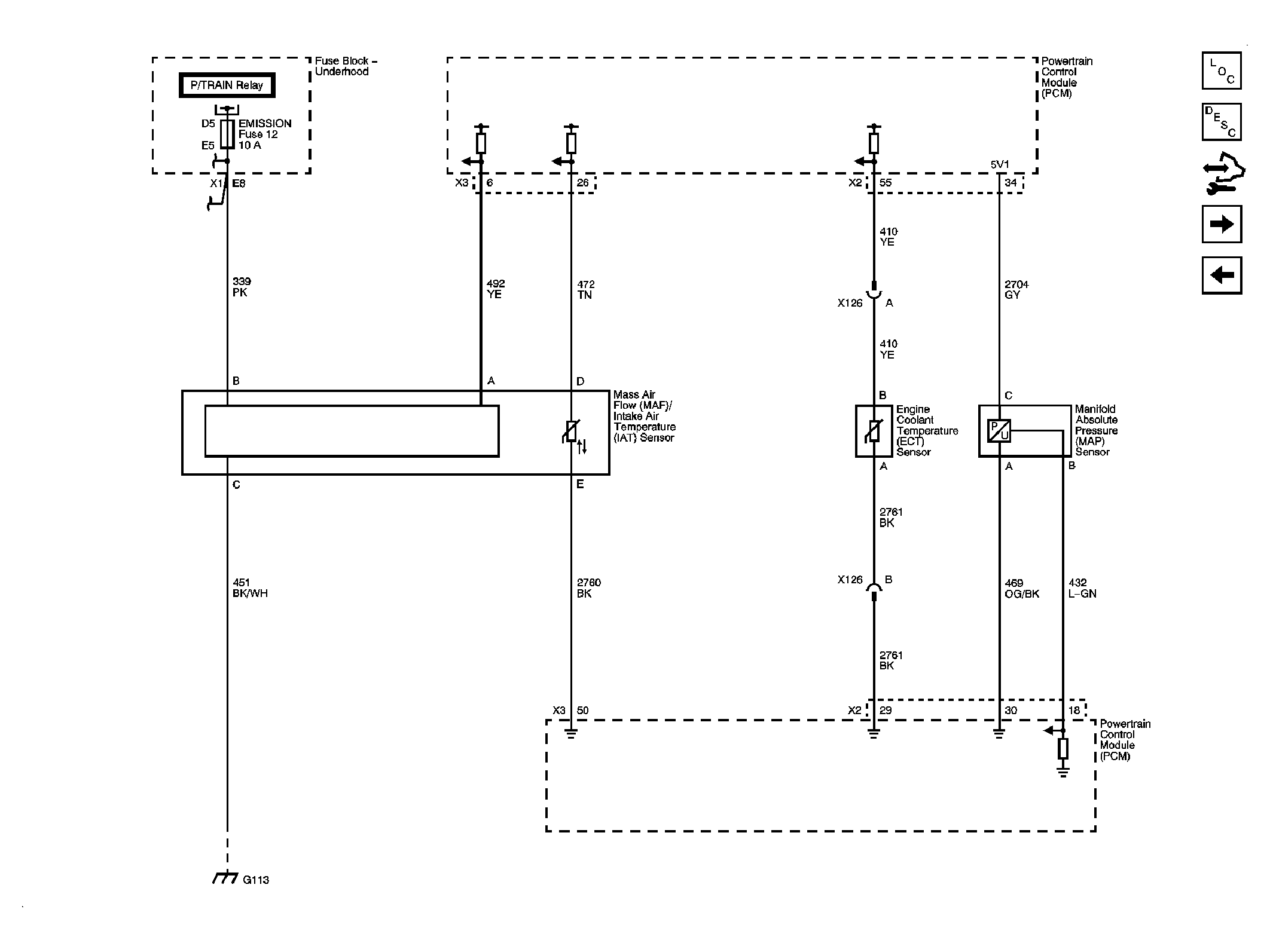
Fig 3: Engine Data Sensors - Pressure and Temperature
GM2081436Courtesy of GENERAL MOTORS CORP.
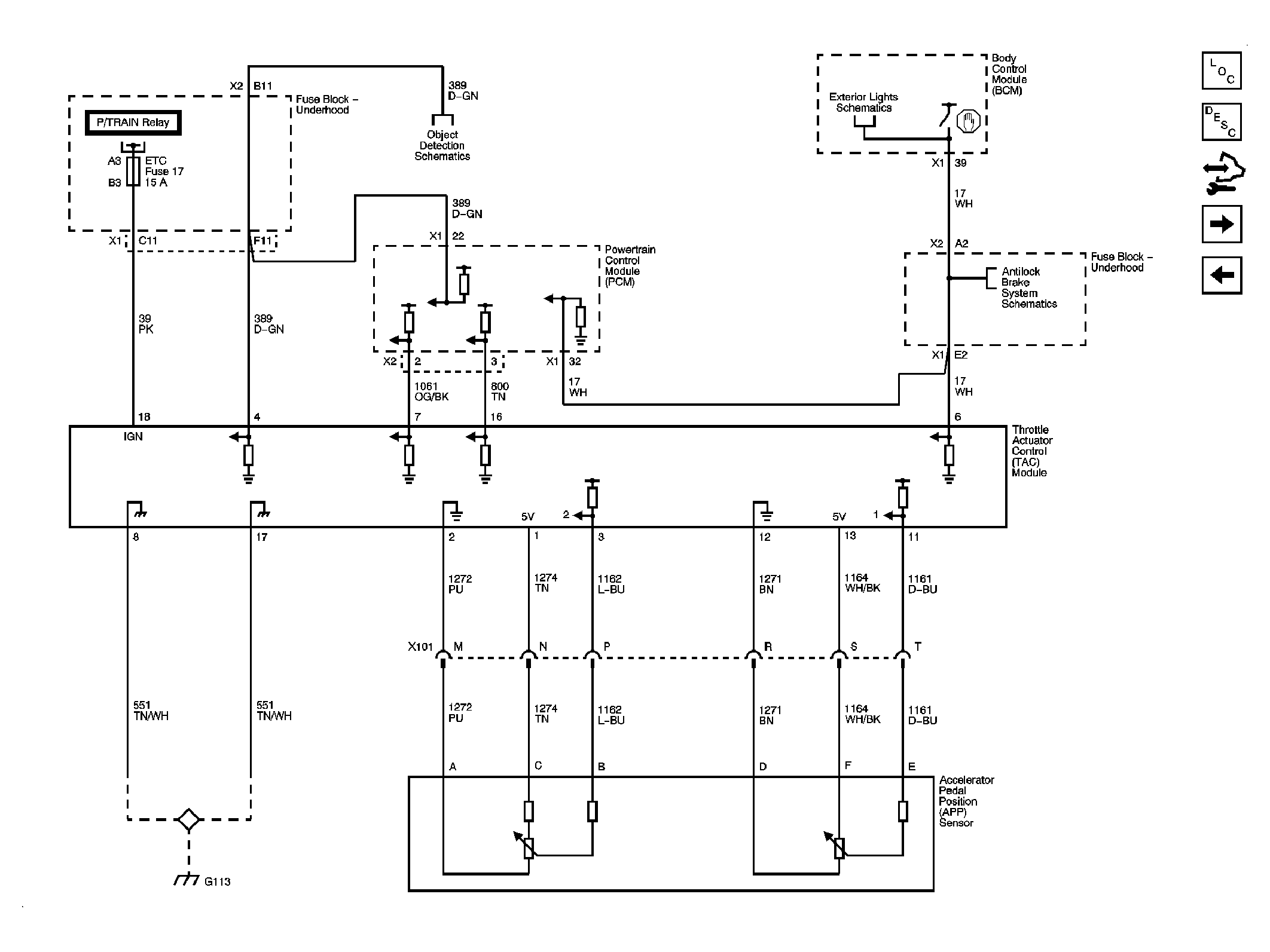
Fig 4: Engine Data Sensors - Electronic Throttle Controls
GM2081440Courtesy of GENERAL MOTORS CORP.
Fig 5: Engine Data Sensors - HO2S
GM2081442Courtesy of GENERAL MOTORS CORP.
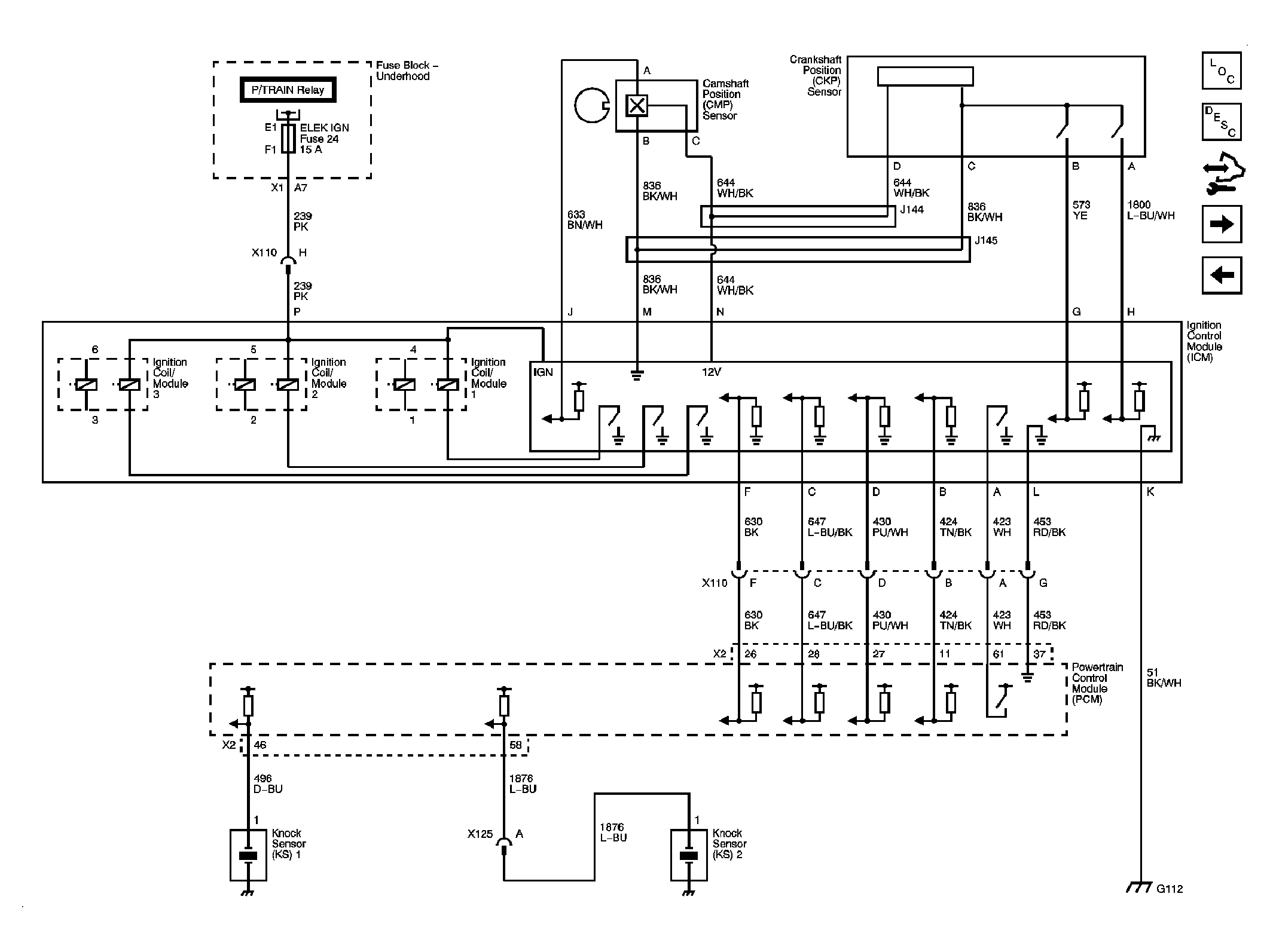
Fig 6: Ignition Controls - CKP, CMP, and Knock Sensors
GM2081446Courtesy of GENERAL MOTORS CORP.
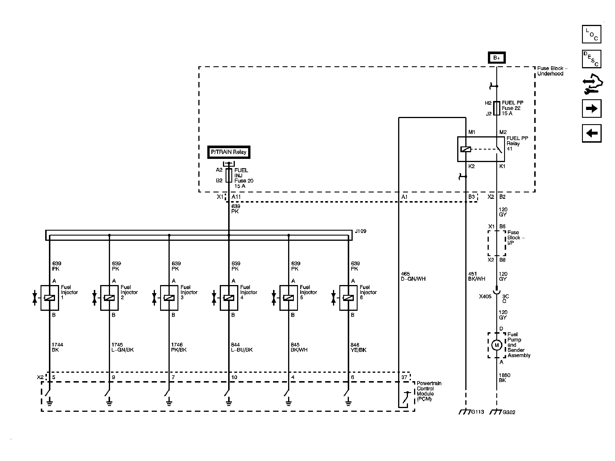
Fig 7: Fuel Controls - Fuel Injectors and Fuel Pump Controls
GM2081449Courtesy of GENERAL MOTORS CORP.
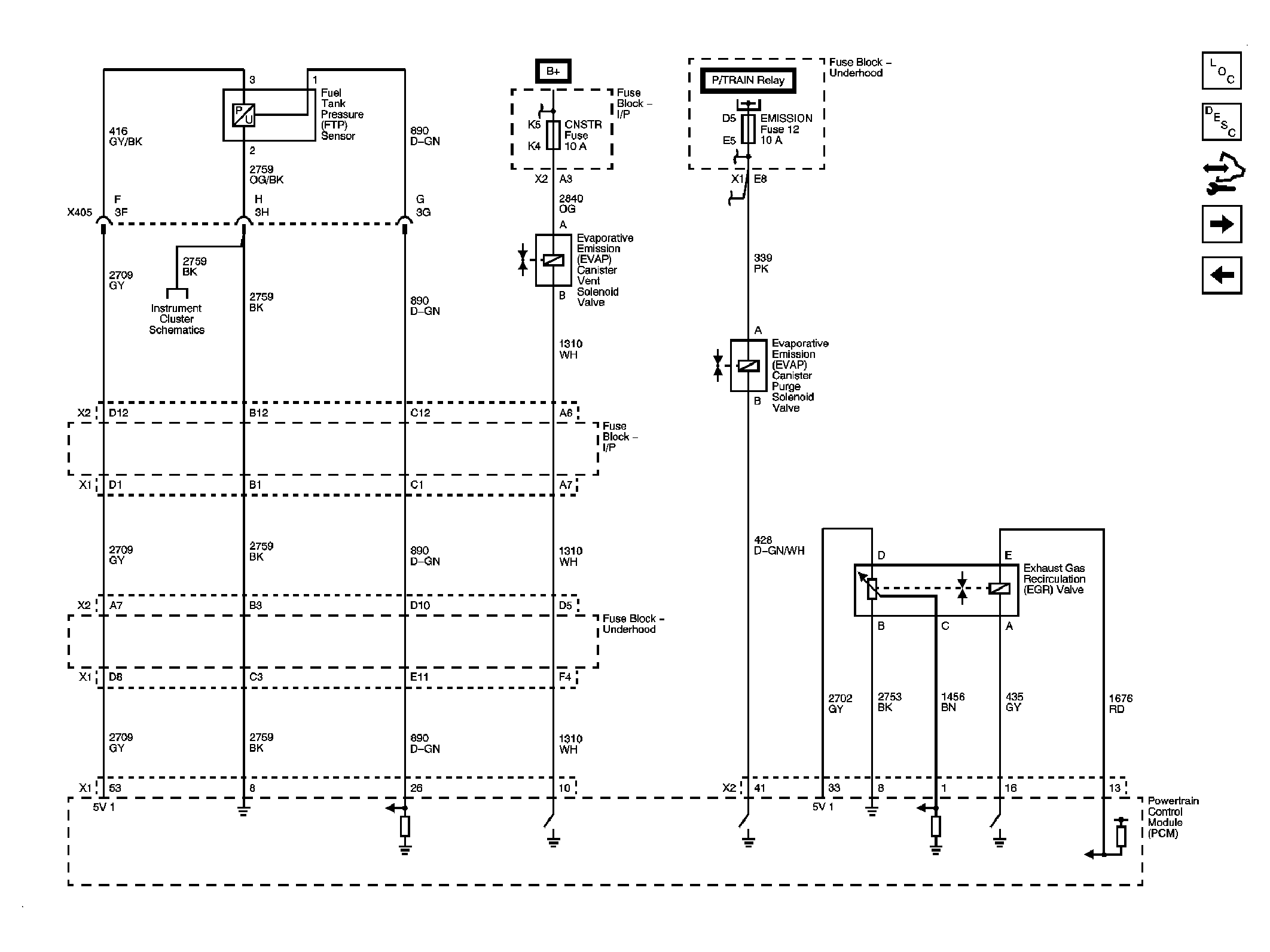
Fig 8: Fuel Controls - EVAP, EGR, and FTP Controls
GM2081452Courtesy of GENERAL MOTORS CORP.
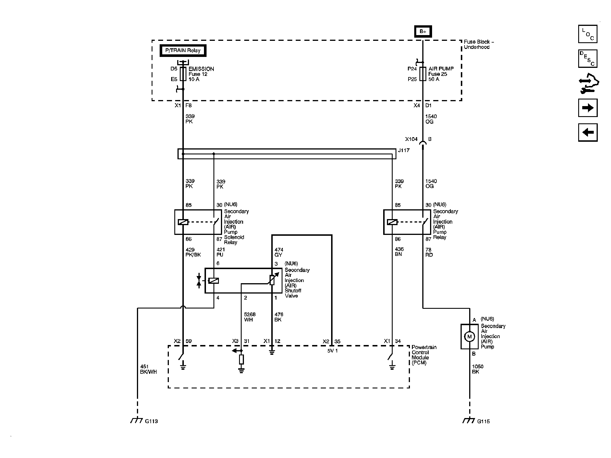
Fig 9: AIR Controls (NU6)
GM2081454Courtesy of GENERAL MOTORS CORP.
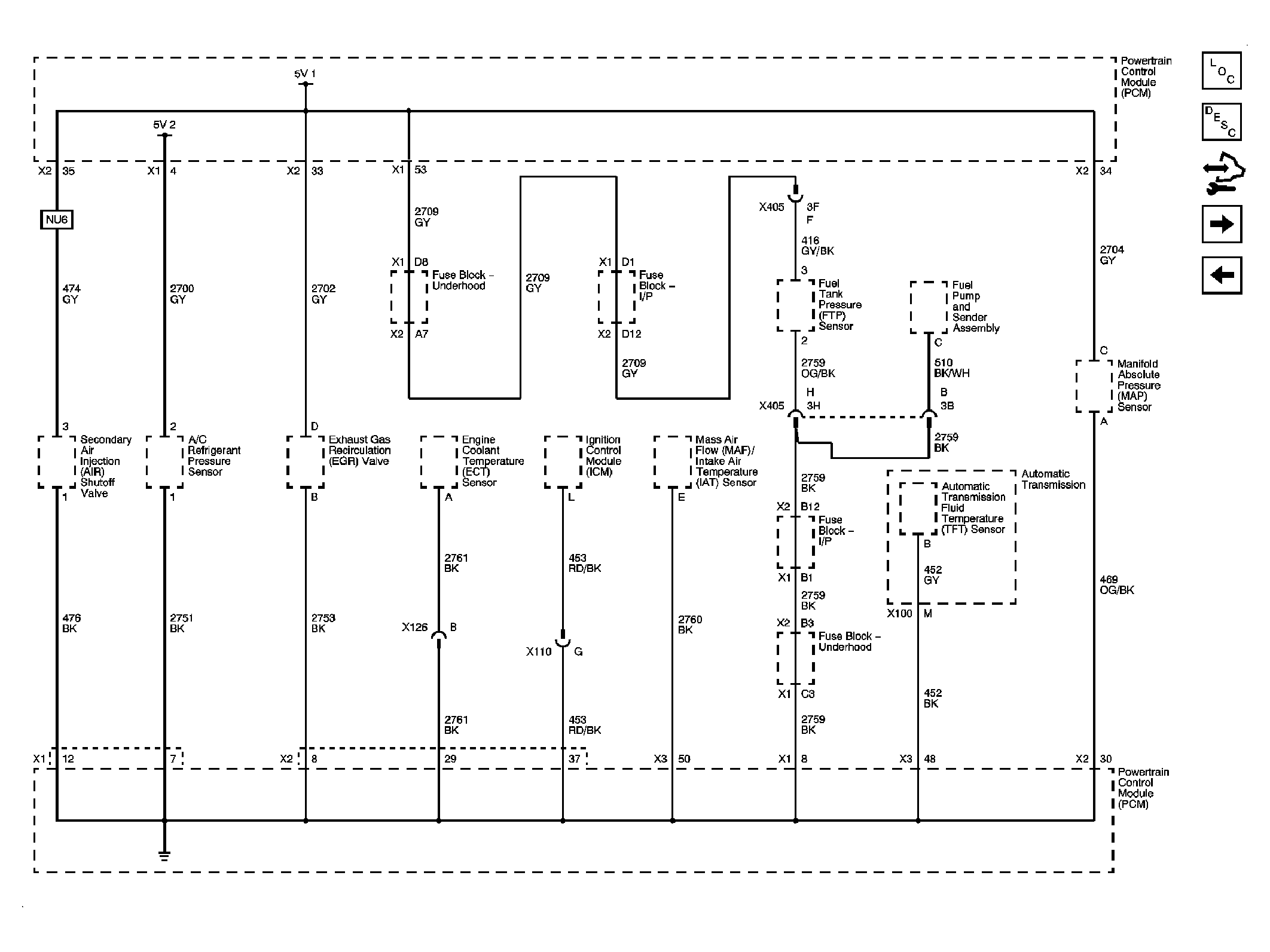
Fig 10: Monitored/Controlled Subsystem References
GM2081534Courtesy of GENERAL MOTORS CORP.
Fig 11: Automatic Transmission Monitored/Controlled Subsystem References
GM2081543Courtesy of GENERAL MOTORS CORP.