LEMON Manuals: Even more car manuals for everyone
Home >> Buick >> 2009 >> Allure CX >> Repair and Diagnosis >> External Pages >> Different variant/trim >> Section 2 (Engine Control System & Fuel System - 5.3L - Introduction) >> Schematic and Routing Diagrams >> Engine Controls Schematics

Engine Controls Schematics

WARNING: This page is about a different variant/trim than selected.
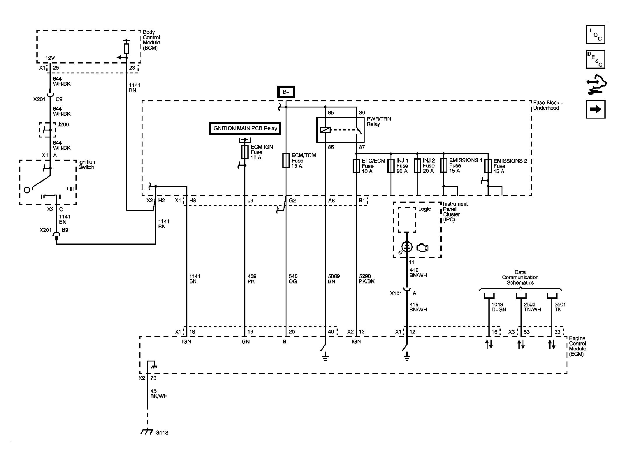
Fig 1: Module Power, Ground, Serial Data, and MIL
GM2081575Courtesy of GENERAL MOTORS CORP.
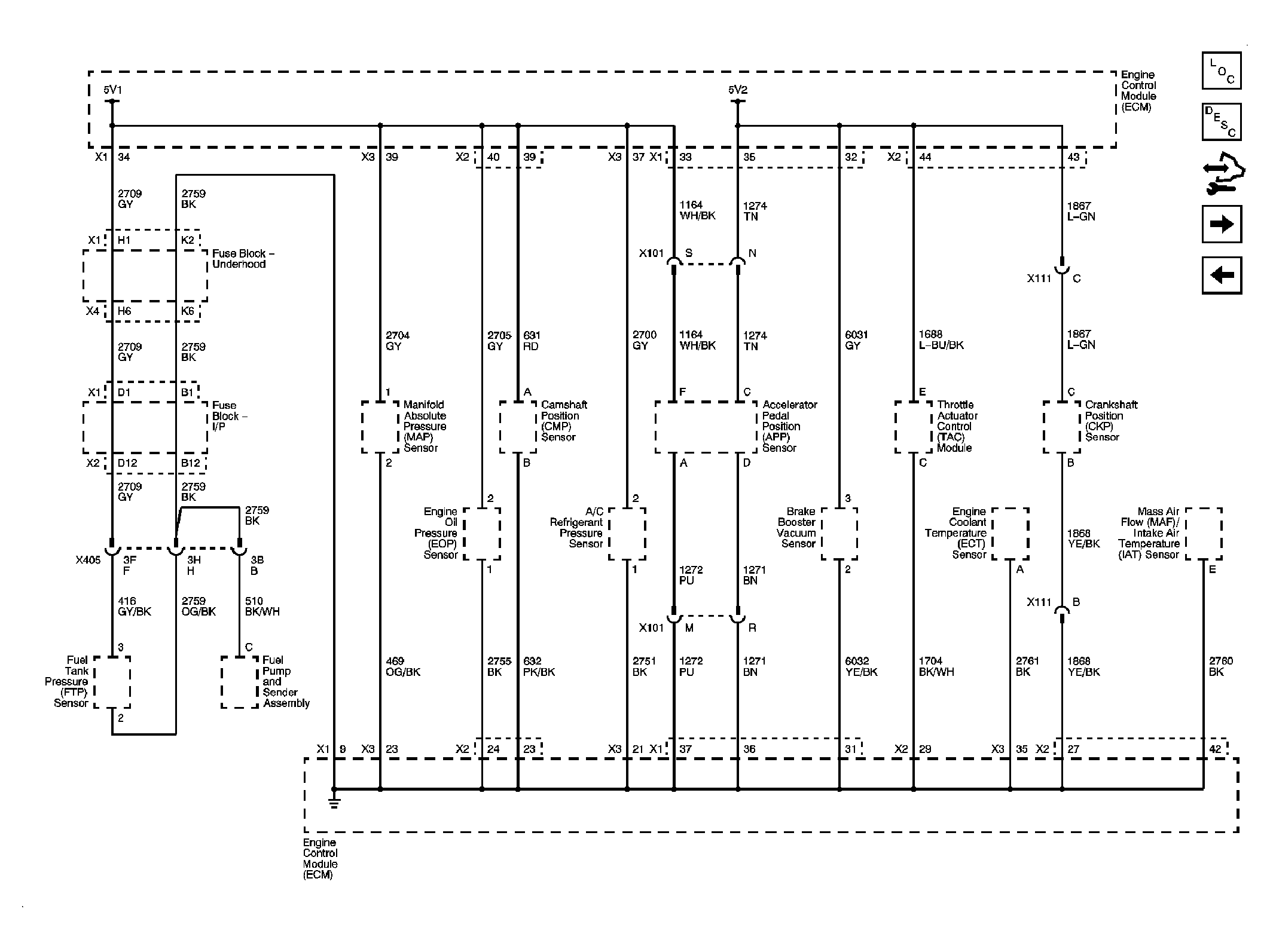
Fig 2: 5-Volt and Low Reference
GM2081583Courtesy of GENERAL MOTORS CORP.
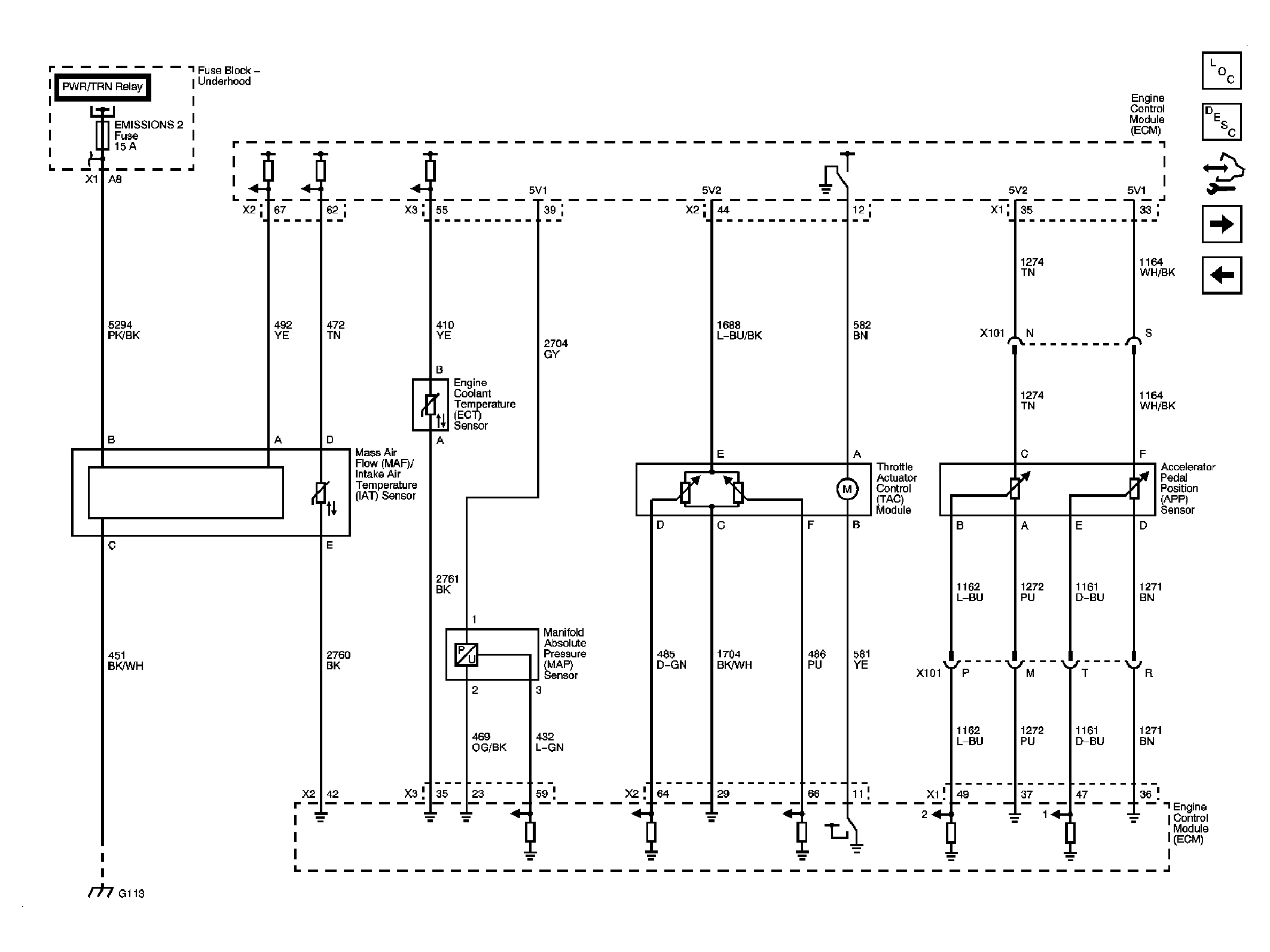
Fig 3: Engine Data Sensors - Pressure, Temperature, and Throttle Control
GM2081585Courtesy of GENERAL MOTORS CORP.
Fig 4: Engine Data Sensors - HO2S, Stop Lamp Switch Signal, and Vehicle Speed Signal
GM2081588Courtesy of GENERAL MOTORS CORP.
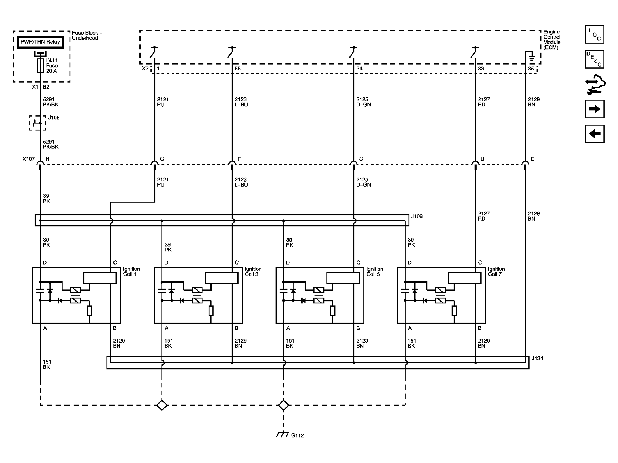
Fig 5: Ignition Controls - Ignition System Coils 1, 3, 5, and 7
GM2081591Courtesy of GENERAL MOTORS CORP.
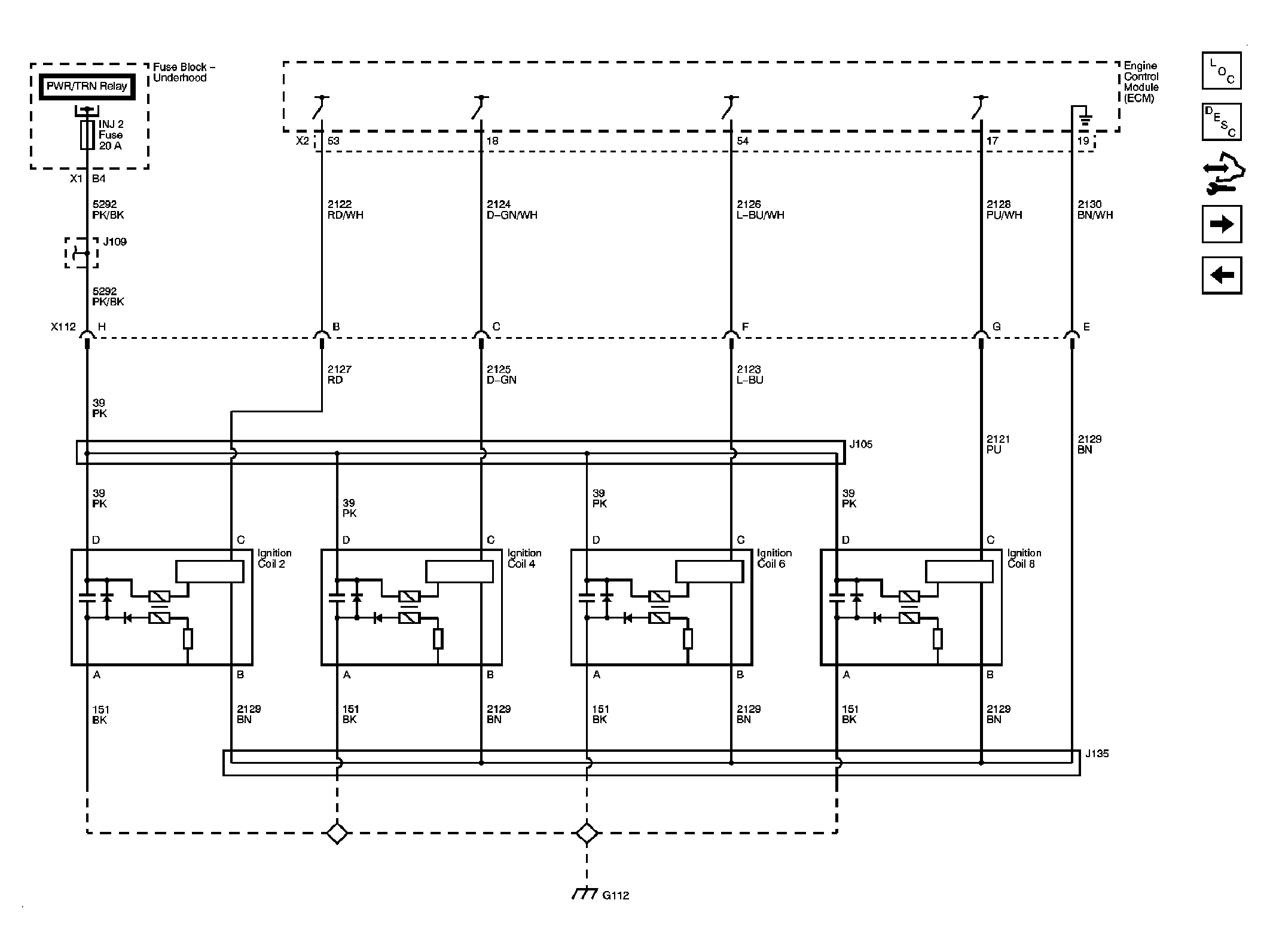
Fig 6: Ignition Controls - Ignition System Coils 2, 4, 6, and 8
GM2081594Courtesy of GENERAL MOTORS CORP.
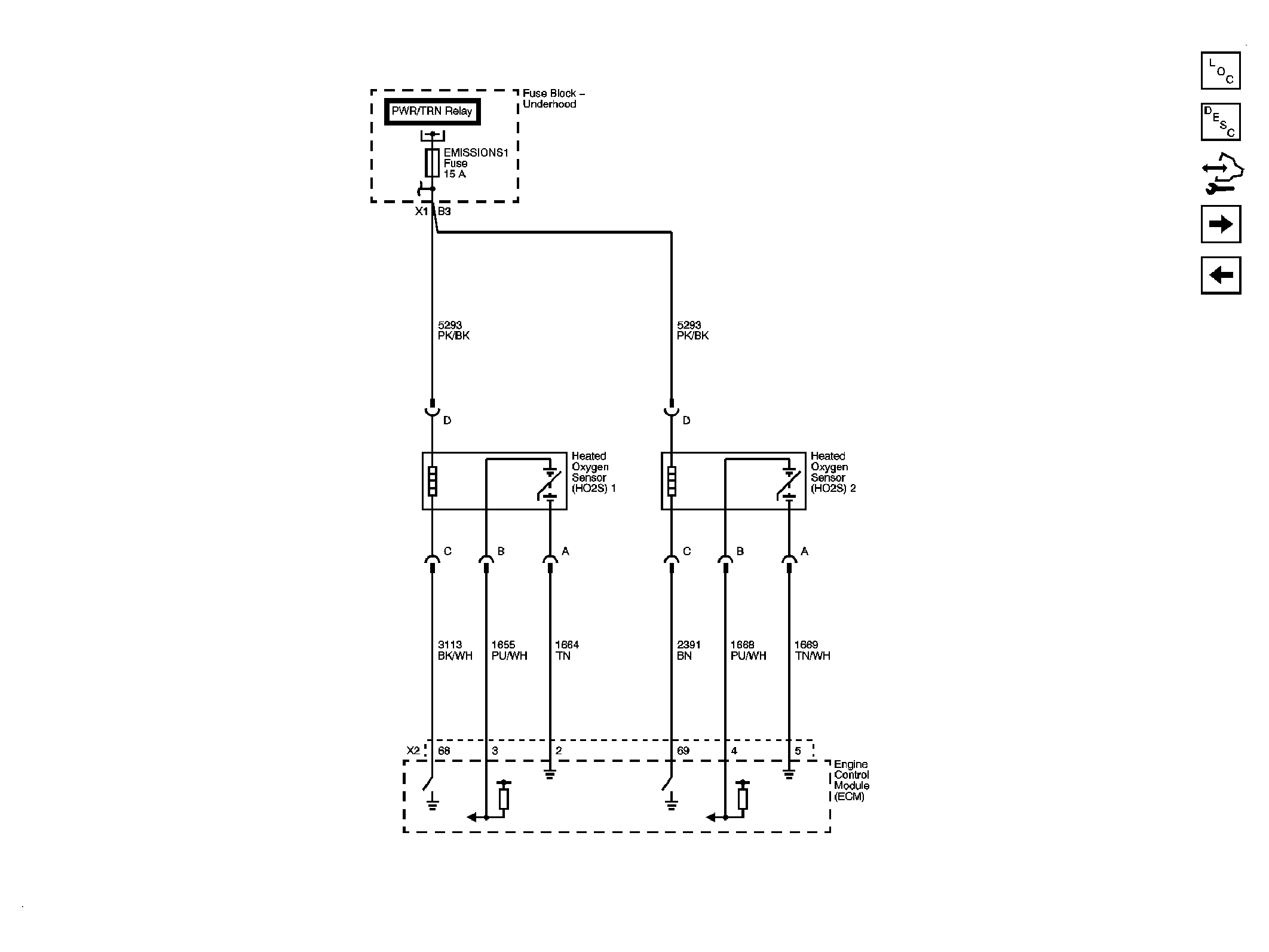
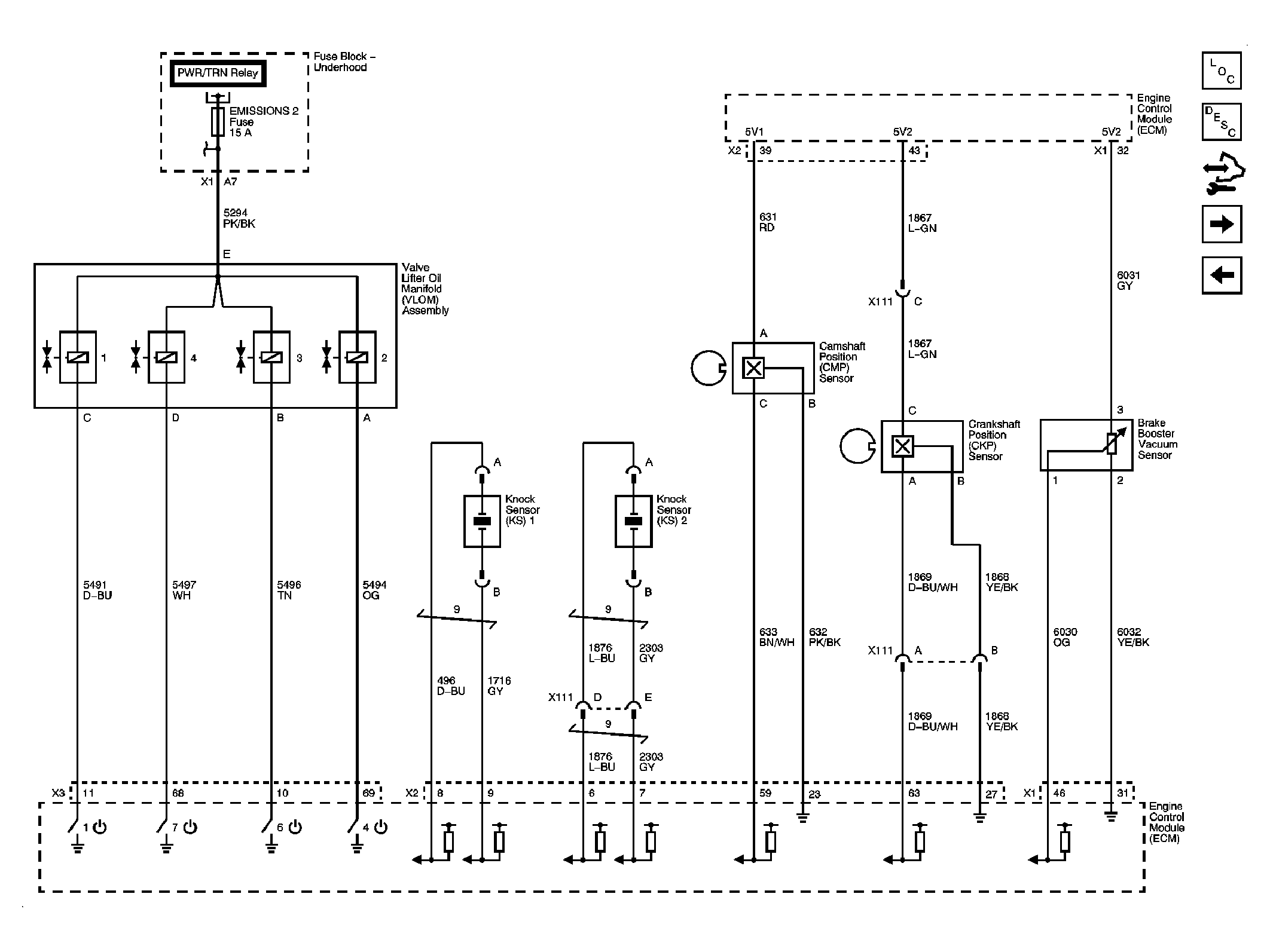
Fig 7: Ignition Controls - Sensors
GM2081596Courtesy of GENERAL MOTORS CORP.
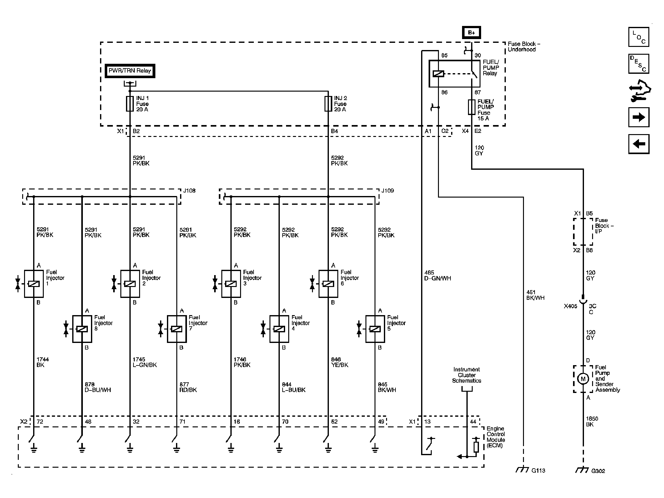
Fig 8: Fuel Controls - Fuel Injectors and Fuel Pump Controls
GM2081598Courtesy of GENERAL MOTORS CORP.
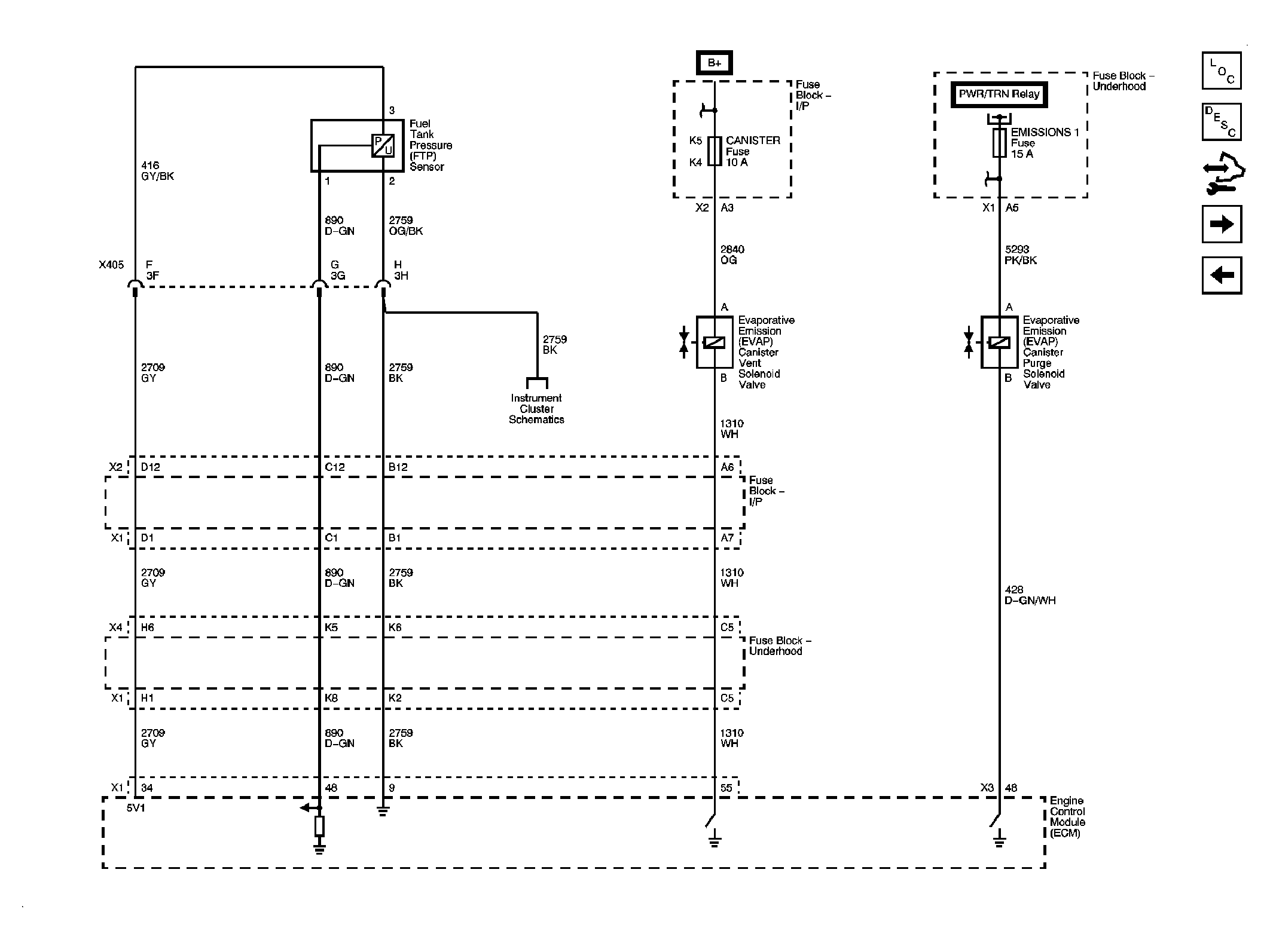
Fig 9: Fuel Controls - EVAP Controls
GM2081601Courtesy of GENERAL MOTORS CORP.
Fig 10: Monitored/Controlled Subsystem References
GM2081603Courtesy of GENERAL MOTORS CORP.