LEMON Manuals: Even more car manuals for everyone
Home >> Buick >> 2009 >> Allure CX >> Repair and Diagnosis >> Engine Performance >> System >> Engine Control System & Fuel System - 3.8L - Introduction >> Repair Instructions >> Throttle Body Assembly Replacement >> Installation Procedure

Installation Procedure

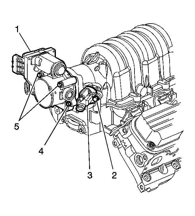
    Fig 1: Identifying Throttle Body Assembly (L26)
    GM911046Courtesy of GENERAL MOTORS CORP.
  1. Install the new gasket.
  2. Install the throttle body assembly (1).
  3. CAUTION: Refer to Fastener Caution .
  4. Install the throttle body bolts (5) and the nuts (4).

    Tighten:  Tighten the bolts and the nuts to 10 N.m (89 lb in).

  5. Connect the throttle body electrical connector.
  6. Install the air cleaner intake duct. Refer to Air Cleaner Inlet Duct Replacement .
  7. Install the fuel injector sight shield. Refer to Fuel Injector Sight Shield Replacement .
  8. Fill the cooling system. Refer to Cooling System Draining and Filling (L26 Static Fill) or Cooling System Draining and Filling (L26 GE 47716 Fill) .
  9. Refer to Control Module References for programming and setup information.