LEMON Manuals: Even more car manuals for everyone
Home >> Buick >> 2009 >> Allure CX >> Repair and Diagnosis >> Accessories & Equipment >> Collision/Avoidance >> Object Detection System >> Schematic and Routing Diagrams >> Object Detection Schematics

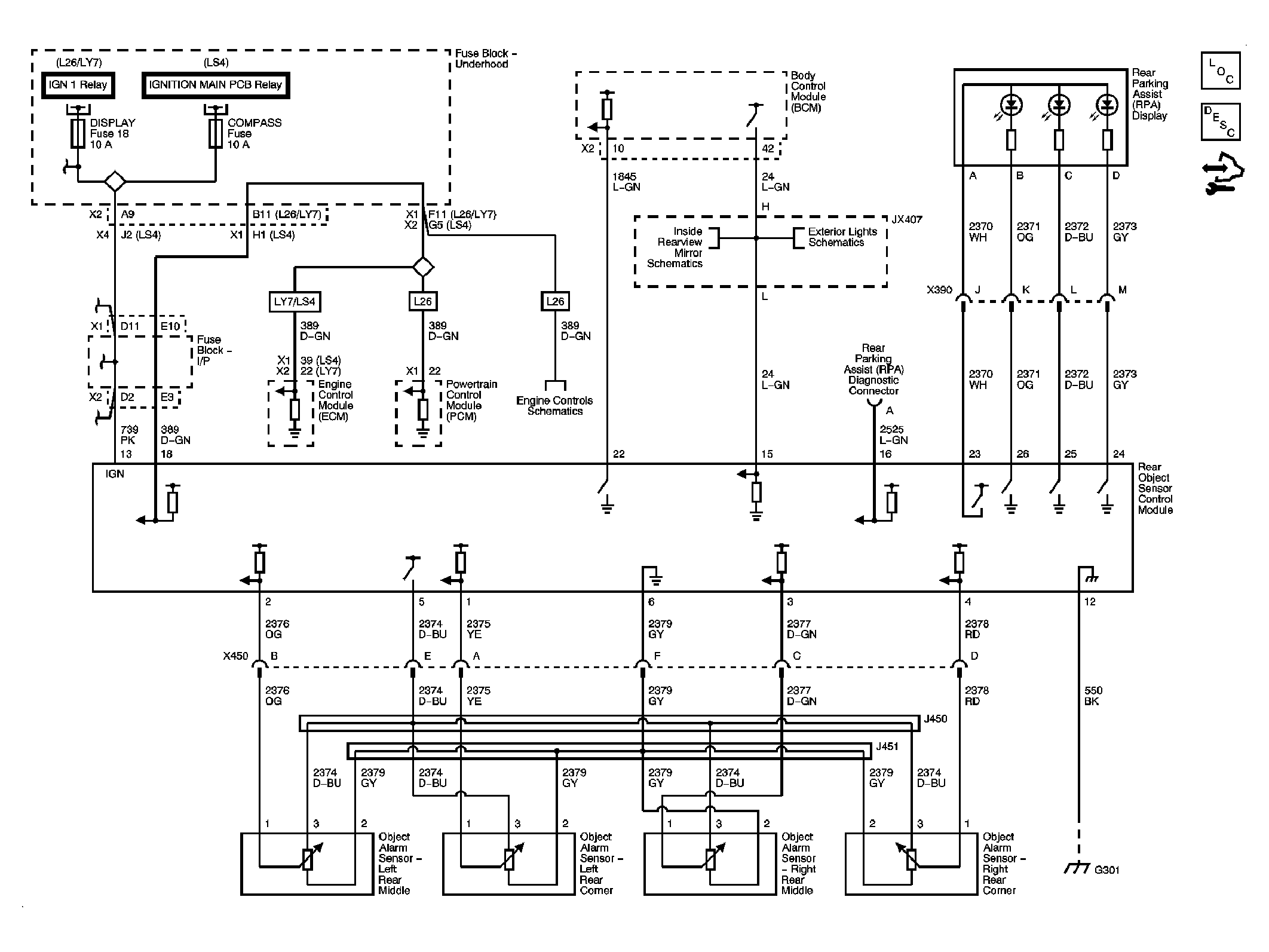
Object Detection Schematics

Fig 1: Object Detection Schematic
GM2082274Courtesy of GENERAL MOTORS CORP.