LEMON Manuals: Even more car manuals for everyone
Home >> Buick >> 2007 >> Rendezvous CX >> Repair and Diagnosis >> Accessories & Equipment >> Memory Modules >> Configurable Customer Control System >> Schematic and Routing Diagrams >> Steering Wheel Secondary/Configurable Control Schematics

Steering Wheel Secondary/Configurable Control Schematics

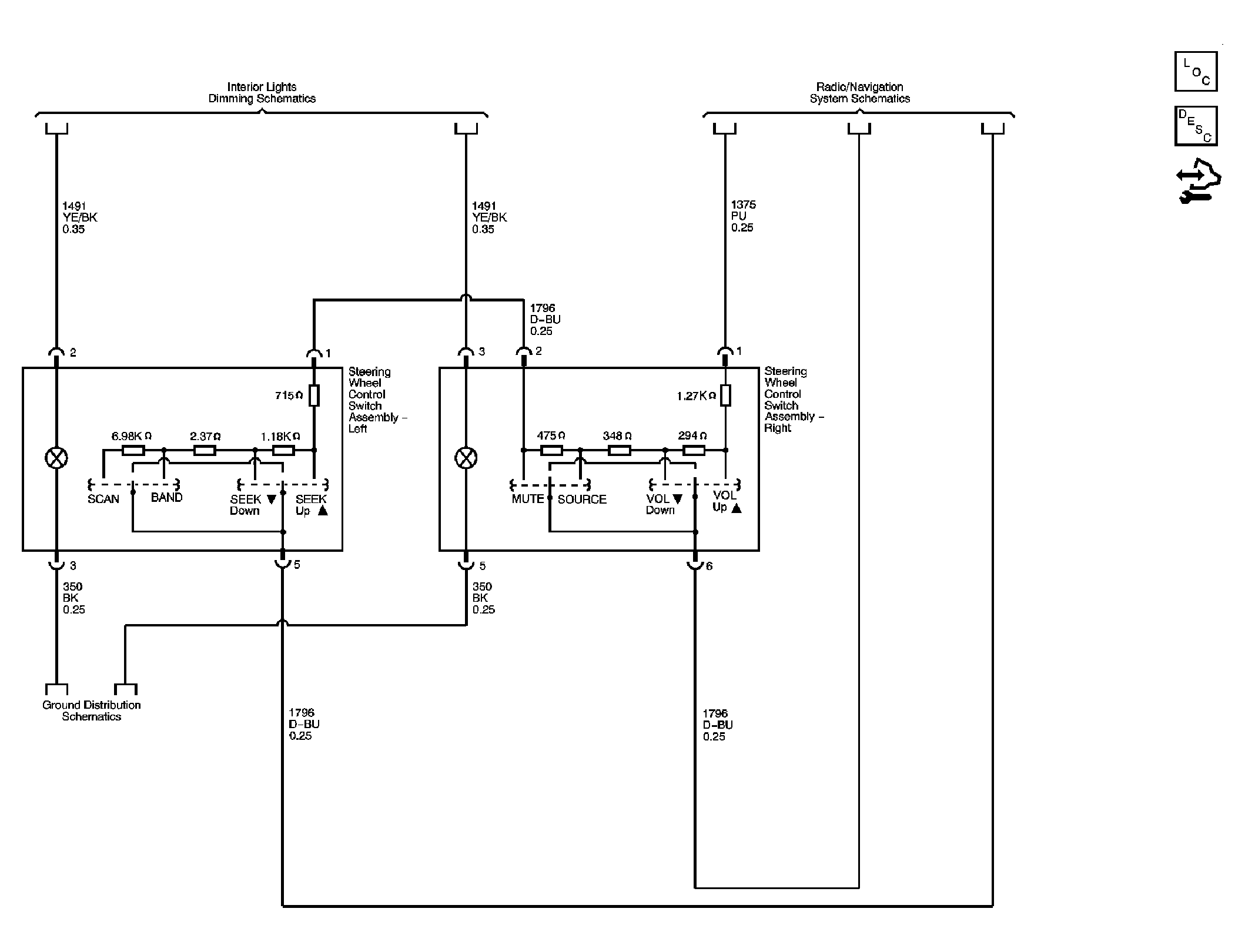
Fig 1: Steering Wheel Secondary/Configurable Control Schematic
GM1741008Courtesy of GENERAL MOTORS CORP.