LEMON Manuals: Even more car manuals for everyone
Home >> Buick >> 2005 >> Century Base >> Repair and Diagnosis (Single Page) >> Accessories & Equipment >> Wiper/Washer Systems >> Wiper System And Washer System >> Repair Instructions >> Wiper Drive System Module Replacement >> Installation Procedure

Installation Procedure

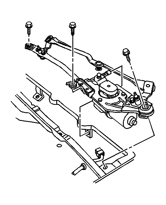
  1. Position the wiper drive system module to the vehicle.
    Fig 1: Wiper Drive System Module & Screws
    GM815220Courtesy of GENERAL MOTORS CORP.
  2. Connect the wiper motor electrical connector.
  3. NOTE: Refer to Fastener Notice in Cautions and Notices.
  4. Install the wiper drive system screws.

    Tighten:  Tighten the screws to 10 N.m (89 lb in).

  5. Using the J 39529  , Install the wiper transmission to the wiper motor crank arm. See Special Tools .
  6. Install the wiper motor water deflector. Refer to Wiper Motor Water Deflector Replacement .
  7. Install the air inlet grille panel. Refer to Air Inlet Grille Panel Replacement in Body Front End.
  8. Inspect the wipers for proper operation.