LEMON Manuals: Even more car manuals for everyone
Home >> Buick >> 2004 >> Century Custom >> Repair and Diagnosis (Single Page) >> Engine Performance >> System >> Engine Controls 3.1L (Introduction, Service & Replacement) >> Schematic and Routing Diagrams >> Engine Controls Schematics

Engine Controls Schematics

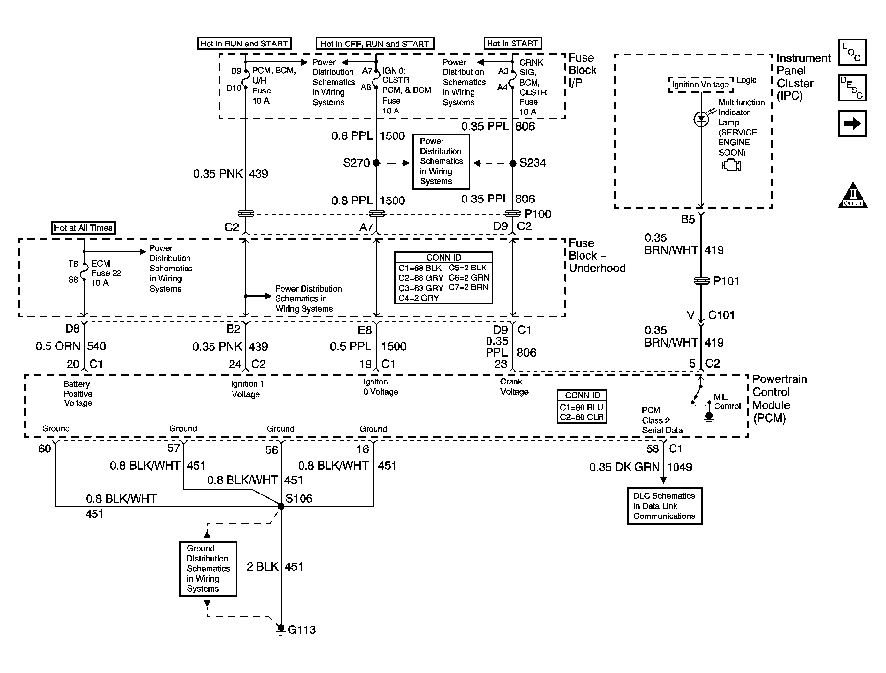
Fig 1: Module Power, Ground, Serial Data, and MIL Schematic
GM1217236Courtesy of GENERAL MOTORS CORP.
Fig 2: Engine Data Sensors Schematic - 5-Volt and Low Reference
GM1219228Courtesy of GENERAL MOTORS CORP.
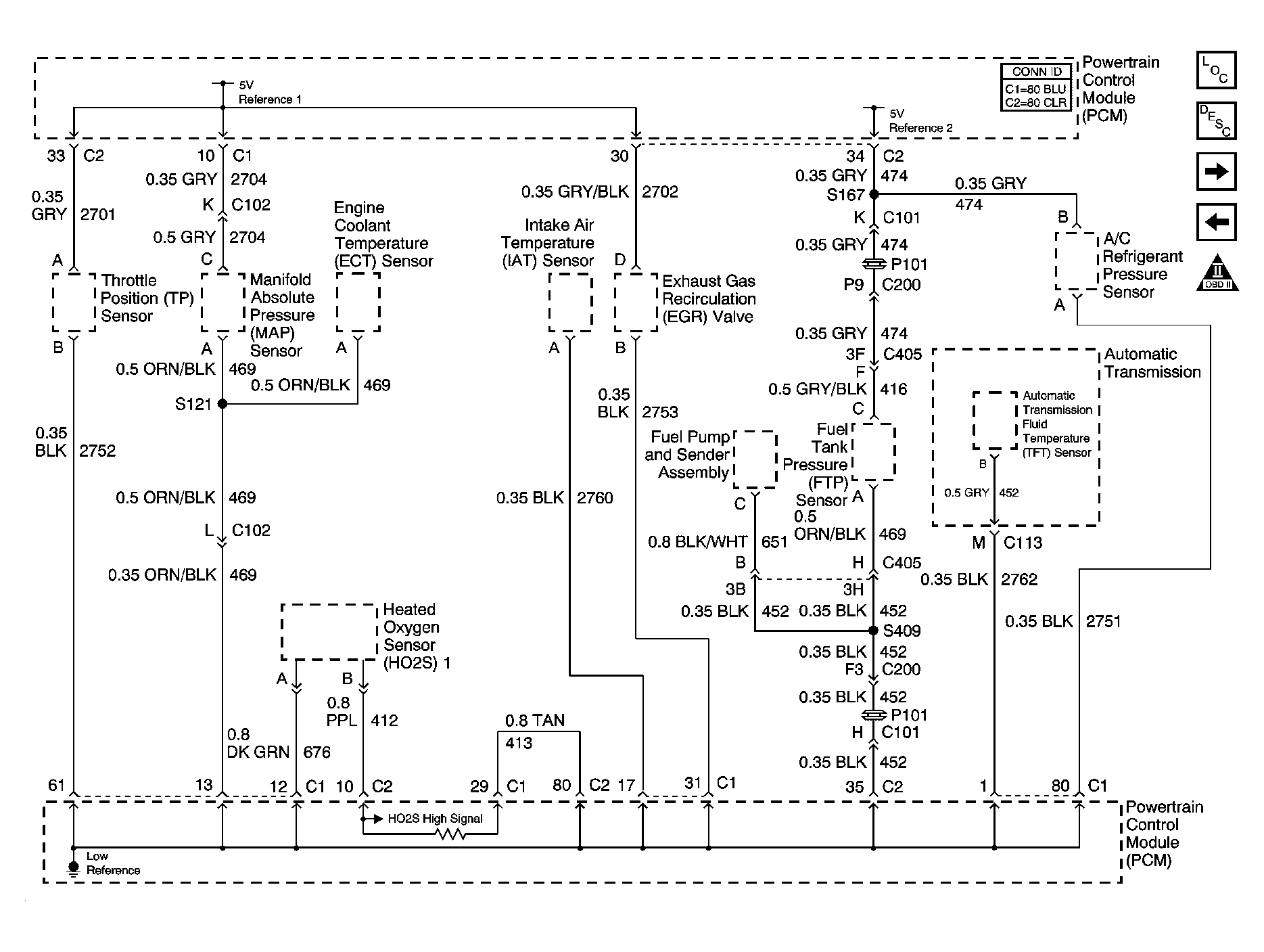
Fig 3: Engine Data Sensors Schematic - Pressure and Temperature
GM1353607Courtesy of GENERAL MOTORS CORP.
Fig 4: Engine Data Sensors Schematic - MAF, VSS
GM1275561Courtesy of GENERAL MOTORS CORP.
Fig 5: Oxygen Sensors Schematic
GM1275565Courtesy of GENERAL MOTORS CORP.
Fig 6: Ignition Control Module Schematic
GM1217241Courtesy of GENERAL MOTORS CORP.
Fig 7: Fuel Pump Controls Schematic
GM1219230Courtesy of GENERAL MOTORS CORP.
Fig 8: Fuel Injectors Schematic
GM789741Courtesy of GENERAL MOTORS CORP.
Fig 9: EVAP Controls and FTP Sensor Schematic
GM1219269Courtesy of GENERAL MOTORS CORP.
Fig 10: AIR, EGR, and IAC Controls Schematic
GM1275566Courtesy of GENERAL MOTORS CORP.
Fig 11: PCM References Schematic - Controlled/Monitored Subsystem
GM1217243Courtesy of GENERAL MOTORS CORP.
Fig 12: PCM References Schematic - Transmission Controls
GM852266Courtesy of GENERAL MOTORS CORP.