LEMON Manuals: Even more car manuals for everyone
Home >> Buick >> 2003 >> Century Base >> Repair and Diagnosis (Single Page) >> Body & Frame >> Windows >> Door System, Mirror System & Window System >> Component Locator >> Power Door Systems Component Views

Power Door Systems Component Views

Fig 1: Center Of Left Front Door Trim Panel Component View
G01587902Courtesy of GENERAL MOTORS CORP.
Fig 2: Inside Left Door Component View
G01587903Courtesy of GENERAL MOTORS CORP.
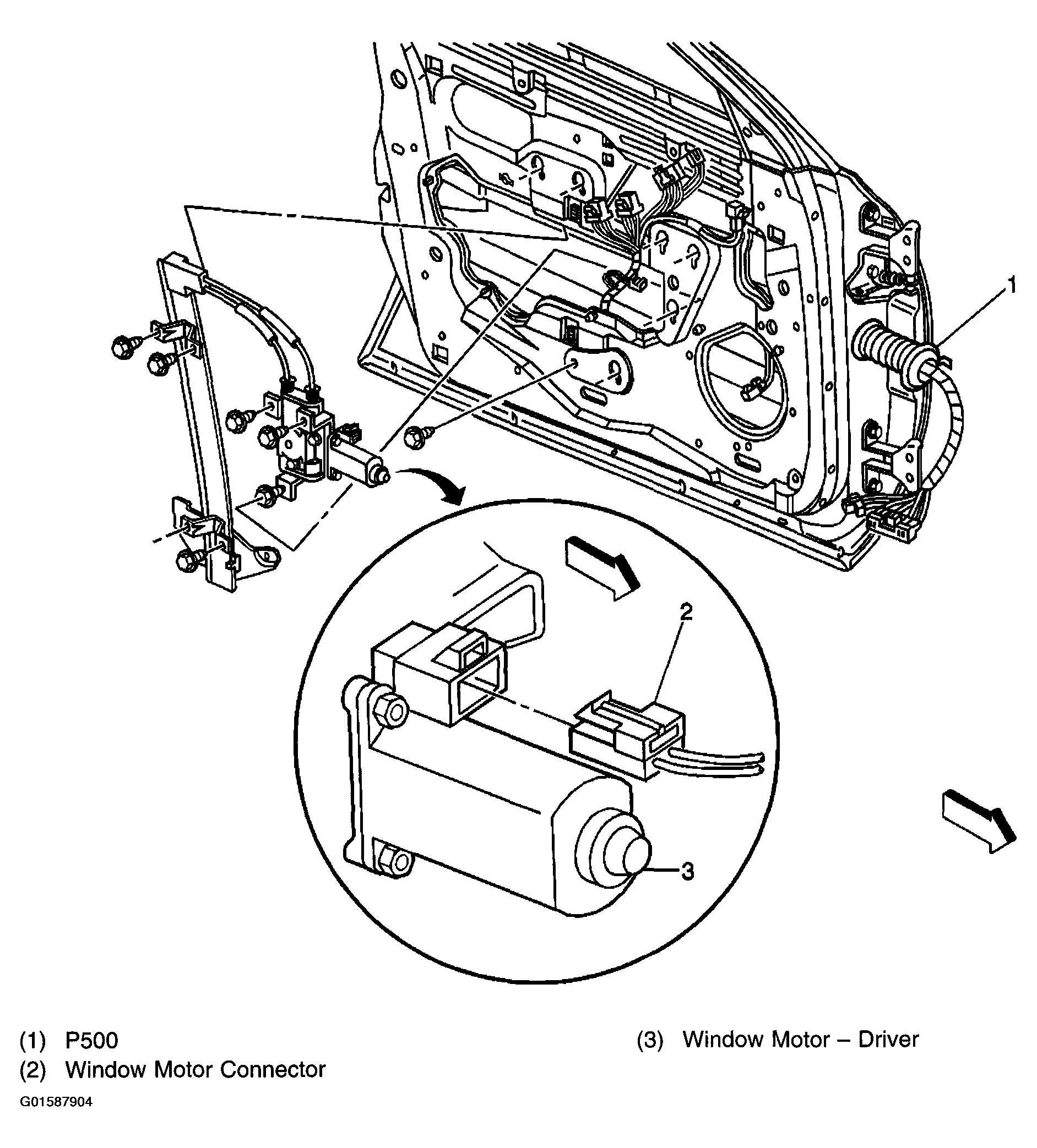
Fig 3: Left Front Door Component View
G01587904Courtesy of GENERAL MOTORS CORP.
Fig 4: Forward Edge Of Driver Door, Base Of Side Window - Left Component View
G01587905Courtesy of GENERAL MOTORS CORP.
Fig 5: Right Rear Door Component View
G01587906Courtesy of GENERAL MOTORS CORP.
Fig 6: Rear Door Panel Component View
G01587907Courtesy of GENERAL MOTORS CORP.