LEMON Manuals: Even more car manuals for everyone
Home >> Buick >> 1995 >> Roadmaster Base >> Repair and Diagnosis (Single Page) >> Engine Performance >> System >> Engine Controls - Tests W/Codes - 5.7L >> ECM/Pcm Code Charts >> Code 58, Trans Temperature Sensor High Temperature >> Diagnostic Aids

Diagnostic Aids

Check harness routing for a potential short to ground in signal circuit. Temperature should rise steadily to about 90°C then stabilize. A skewed sensor could result in delayed shifts or TCC enabled complaints.

Use temperature-to-resistance table to check sensor at various levels to determine if sensor is out-of-calibration, which could result in firm shifts or TCC enable.

TEMPERATURE-TO-RESISTANCE VALUES (Measure resistance across sensor terminals)

Temperature °F (°C) Ohms
212 (100) 177
194 (90) 241
158 (70) 467
104 (40) 1459
68 (20) 3520
23 (-5) 12,300
14 (-10) 16,180
0 (-18) 25,000
-4 (-20) 28,680
-22 (-30) 52,700
-40 (-40) 100,700
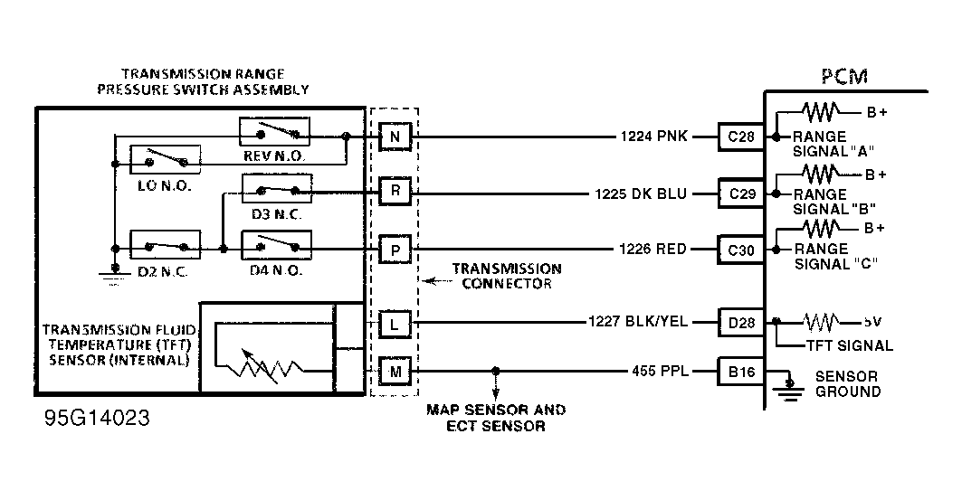
Fig 1: Code 58 Schematic (5.7L) Transmission Temperature Sensor High Temperature
G95G14023
Fig 2: Code 58 Diagnostic Flow Chart (5.7L) Transmission Temperature Sensor High Temperature
G94J31921