LEMON Manuals: Even more car manuals for everyone
Home >> Buick >> 1995 >> LeSabre Custom >> Repair and Diagnosis >> Engine Performance >> System >> Engine Controls - Tests W/Codes >> ECM/Pcm Code Charts >> DTC P0705: Transaxle Range Switch >> Test Description

Test Description

NOTE: Test numbers refer to numbers on diagnostic chart.
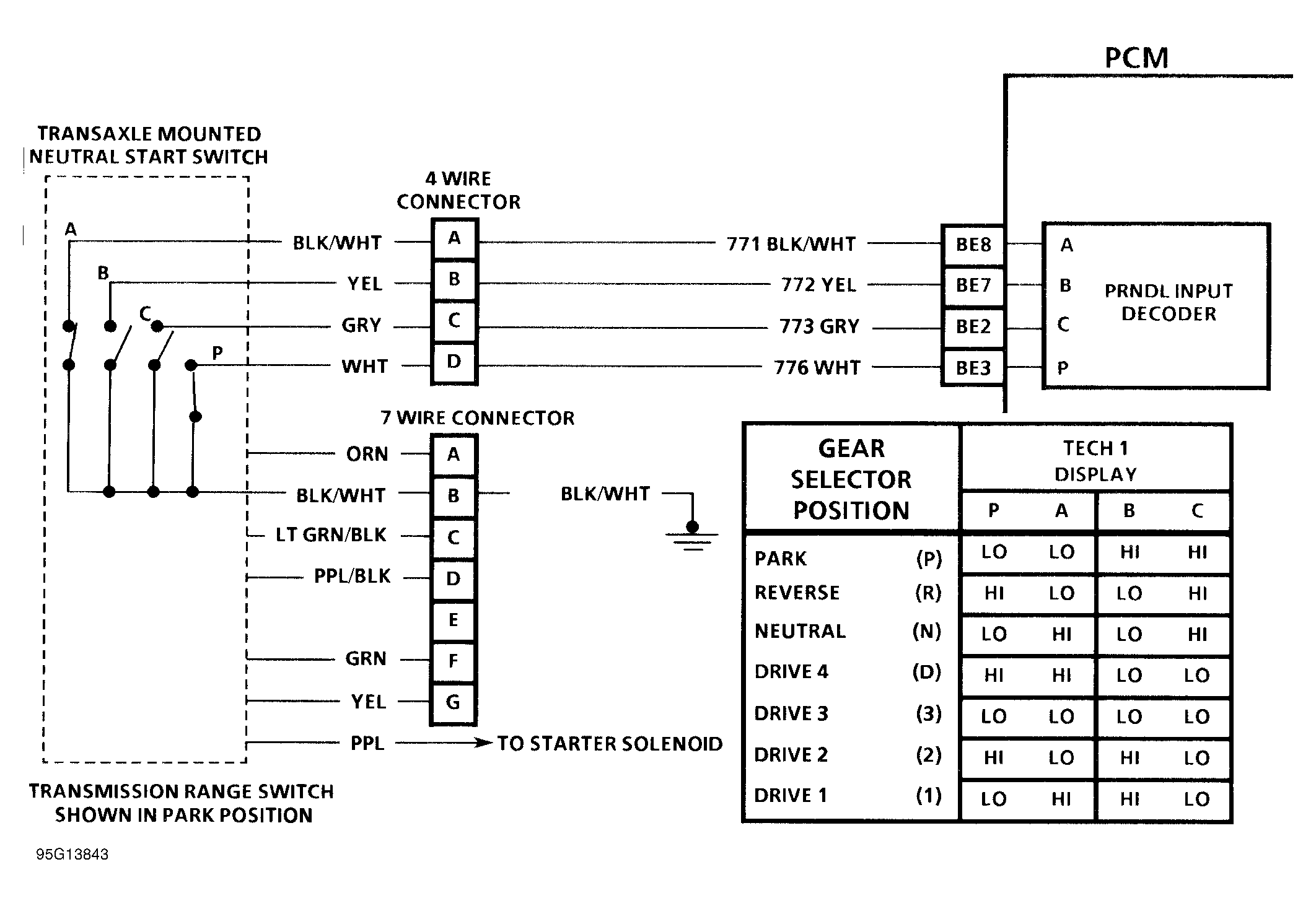
  1. & 2) Checks for proper operation of transmission range switch.
  2. This test checks for an open or grounded circuit. When Code P0705 is present, PCM assumes drive-4 position until a correct combination is received by PCM. Some gear select positions may not be possible until fault is repaired.
Fig 1: Code P0705 Schematic (3.8L) Transaxle Range Switch
G95G13843
Fig 2: Code P0705 Diagnostic Flow Chart (3.8L) Transaxle Range Switch
G95F13842