LEMON Manuals: Even more car manuals for everyone
Home >> Buick >> 1989 >> Reatta >> Repair and Diagnosis (Single Page) >> Engine Performance >> System >> 3.8L BCM Tests W/Codes >> Self-Diagnostics >> Code B667, Set/Coast Or Resume/ACCEL Circuit Shorted >> Notes

Code B667, Set/Coast Or Resume/ACCEL Circuit Shorted: Notes

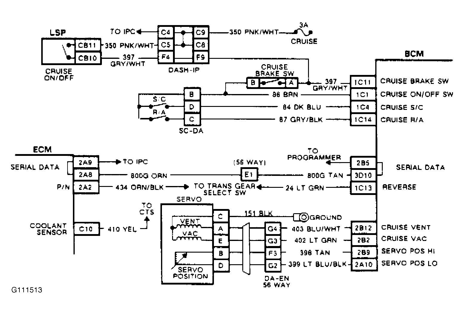
Fig 1: Code B667, Wiring Diagram (1 of 2) Set/Coast Or Resume/Accel Circuit Shorted
G111513
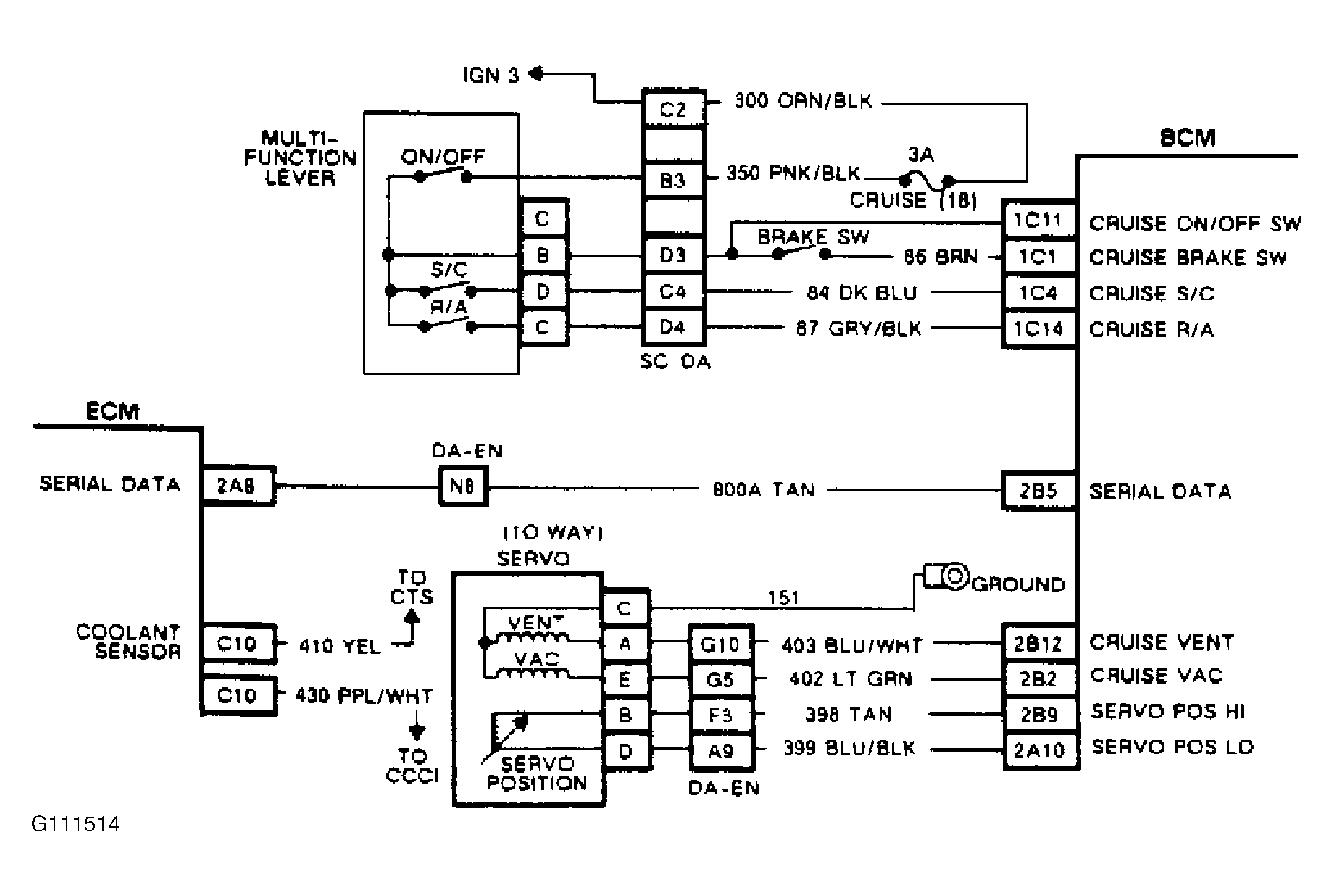
Fig 2: Code B667, Wiring Diagram (2 of 2) Set/Coast Or Resume/Accel Circuit Shorted
G111514

When cruise control "ON/OFF" switch is turned "ON" and brake is released, system voltage is available at one side of normally open contacts on "SET/COAST" and "RESUME/ACCEL" switches. If "SET/COAST" or "RESUME/ACCEL" switches were stuck, or their signal wires to BCM were shorted to voltage, vehicle could begin cruise operation. In order to prevent this occurrence, Code B667 will set and disable cruise control, if signal voltage from "SET/COAST" circuit No. 84 or "RESUME/ACCEL" circuit No. 87, is high when cruise control "ON/OFF" switch is turned from "OFF" to "ON" or when ignition key is turned on and cruise control "ON/OFF" switch was left "ON". Cruise control will be disabled until BCM sees a low on both of these signals.

NOTE: Test numbers refer to numbers on diagnostic chart.
  1. BI76 and BI77 will display "SET/COAST" and "RESUME/ACCEL" switch status as "HI" or "LO", depending on voltage state at BCM. If one of these inputs stays "HI" when switches are cycled, that particular switch or signal wire is shorted to voltage.
  2. This step checks to see if short circuit reading is due to switch or circuit.
  3. This step checks to see if vacuum leak is due to vacuum source or servo.
  4. This step checks to see if fault is due to intermittent or slow vacuum leak.
  5. This step checks to see if fault is servo or brake vacuum release circuit.