LEMON Manuals: Even more car manuals for everyone
Home >> Buick >> 1989 >> Reatta >> Repair and Diagnosis (Single Page) >> Engine Performance >> System >> 3.8L BCM Tests W/Codes >> Self-Diagnostics >> Code B124, Vehicle Speed Sensor (VSS) Circuit Problem >> Notes

Code B124, Vehicle Speed Sensor (VSS) Circuit Problem: Notes

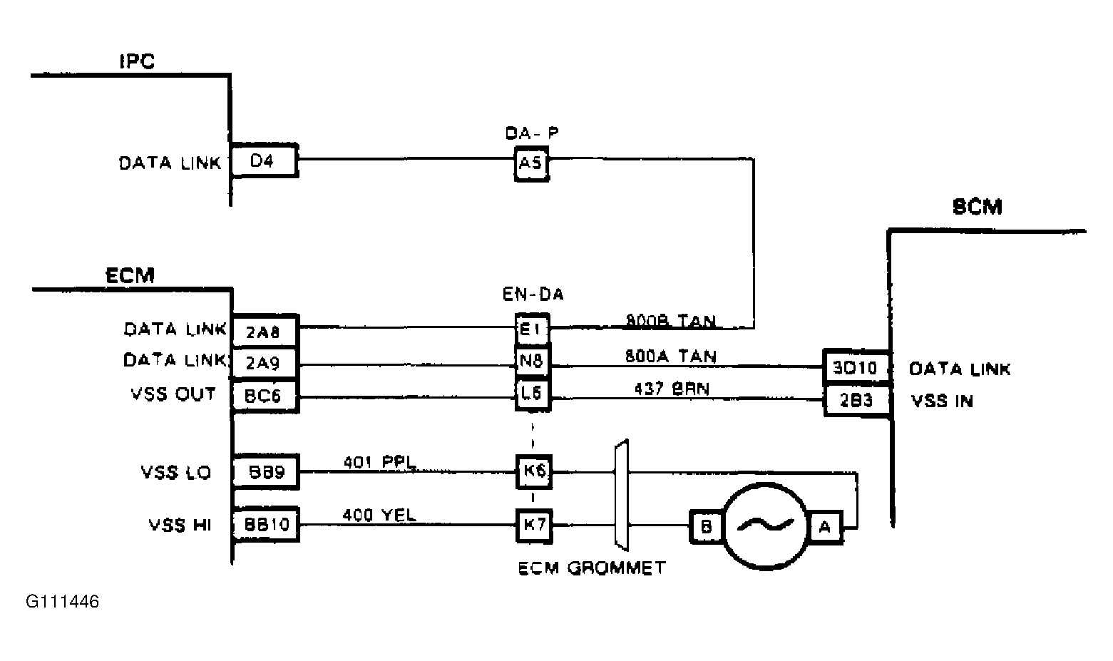
Fig 1: Code B124, Wiring Diagram Vehicle Speed Sensor (VSS) Circuit Problem
G111446

The vehicle speed sensor uses a Permanent Magnet (PM) generator to generate an electrical signal representative of vehicle speed. This signal is sent to ECM through circuit No. 400 (VSS high) and circuit No. 401 (VSS low), where ECM buffers and amplifies signal. Output voltage of generator can be read by using a digital voltmeter on 2-volt AC scale while rotating generator drive (front wheels). Code B124 will set if following conditions are present for 30 seconds:

Or if following conditions exist:

During time failure is present, cruise control and continuous compressor at idle will be disabled. Vehicle speed reading BD60 display will indicate actual sensor reading.

NOTE: Test numbers refer to numbers on diagnostic chart.
  1. Since ECM amplifies and buffers speed signal before it is sent to BCM, Code EO24 in ECM may set along with Code B124 in BCM. If Code B124 sets with a Code EO24, refer to diagnosis for Code EO24.
  2. Since Code EO24 is not set, problem is not actual sensor. Problem must be with ECM, BCM or dedicated speed data line circuit No. 437 between ECM and BCM.